
CY7C1310BV18, CY7C1910BV18
CY7C1312BV18, CY7C1314BV18
Document #: 38-05619 Rev. *F Page 8 of 29
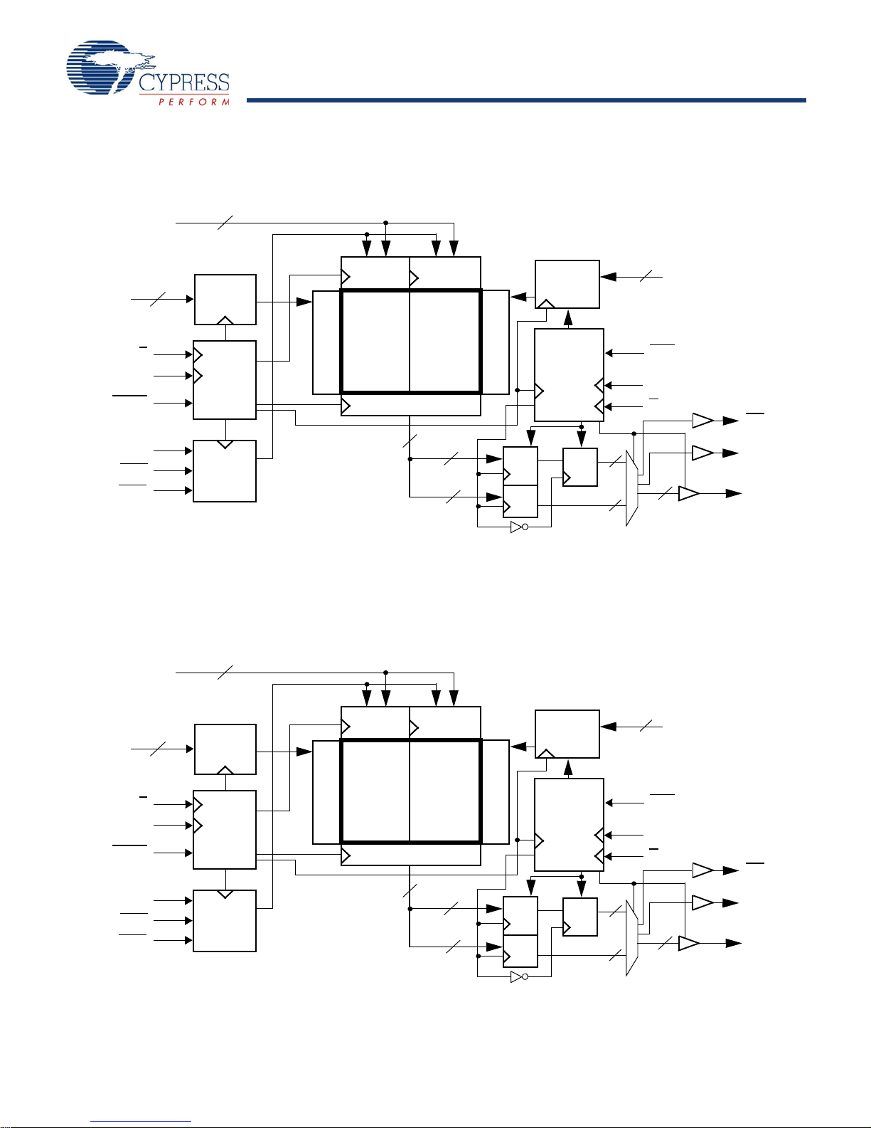
Functional Overview
The CY7C1310BV18, CY7C1910BV18, CY7C1312BV18, and
CY7C1314BV18 are synchronous pipelined Burst SRAMs
equipped with a read port and a write port. The read port is
dedicated to read operations and the write port is dedicated to
write operations. Data flows into the SRAM through the write port
and flows out through the read port. These devices multiplex the
address inputs to minimize the number of address pins required.
By having separate read and write ports, the QDR-II completely
eliminates the need to turn-around the data bus and avoids any
possible data contention, thereby simplifying system design.
Each access consists of two 8-bit data transfers in the case of
CY7C1310BV18, two 9-bit data transfers in the case of
CY7C1910BV18, two 18-bit data transfers in the case of
CY7C1312BV18, and two 36-bit data transfers in the case of
CY7C1314BV18 in one clock cycle.
Accesses for both ports are initiated on the rising edge of the
positive input clock (K). All synchronous input timing is
referenced from the rising edge of the input clocks (K and K) and
all output timing is referenced to the rising edge of the output
clocks (C and C, or K and K when in single clock mode).
All synchronous data inputs (D[x:0]) pass through input registers
controlled by the input clocks (K and K). All synchronous data
outputs (Q[x:0]) pass through output registers controlled by the
rising edge of the output clocks (C and C, or K and K when in
single clock mode).
All synchronous control (RPS, WPS, BWS[x:0]) inputs pass
through input registers controlled by the rising edge of the input
clocks (K and K).
CY7C1312BV18 is described in the following sections. The
same basic descriptions apply to CY7C1310BV18,
CY7C1910BV18, and CY7C1314BV18.
Read Operations
The CY7C1312BV18 is organized internally as two arrays of
512K x 18. Accesses are completed in a burst of two sequential
18-bit data words. Read operations are initiated by asserting
RPS active at the rising edge of the positive input clock (K). The
address is latched on the rising edge of the K clock. The address
presented to the address inputs is stored in the read address
register. Following the next K clock rise the corresponding lowest
order 18-bit word of data is driven onto the Q[17:0] using C as the
output timing reference. On the subsequent rising edge of C, the
next 18-bit data word is driven onto the Q[17:0]. The requested
data is valid 0.45 ns from the rising edge of the output clock (C
and C or K and K when in single clock mode).
Synchronousinternalcircuitry automaticallytri-statestheoutputs
following the next rising edge of the output clocks (C/C). This
allows for a seamless transition between devices without the
insertion of wait states in a depth expanded memory.
Write Operations
Write operations are initiated by asserting WPS active at the
rising edge of the positive input clock (K). On the same K clock
rise, the data presented to D[17:0] is latched and stored into the
lower 18-bit write data register, provided BWS[1:0] are both
asserted active. On the subsequent rising edge of the negative
input clock (K), the address is latched and the information
presented to D[17:0] is stored into the write data register, provided
BWS[1:0] are both asserted active. The 36 bits of data are then
written into the memory array at the specified location. When
deselected, the write port ignores all inputs after completion of
pending write operations.
Byte Write Operations
Byte write operations are supported by the CY7C1312BV18. A
write operation is initiated as described in the Write Operations
section. The bytes that are written are determined by BWS0and
BWS1, which are sampled with each 18-bit data word. Asserting
the appropriate Byte Write Select input during the data portion of
a write latches the data being presented and writes it into the
device. Deasserting the Byte Write Select input during the data
portion of a write allows the data stored in the device for that byte
to remain unaltered. This feature can be used to simplify read,
modify, or write operations to a byte write operation.
Single Clock Mode
The CY7C1312BV18 can be used with a single clock that
controls both the input and output registers. In this mode, the
device recognizes only a single pair of input clocks (K and K)that
control both the input and output registers. This operation is
identical to the operation if the device had zero skew between
the K/K and C/C clocks. All timing parameters remain the same
in this mode. To use this mode of operation, the user must tie C
and C HIGH at power on. This function is a strap option and not
alterable during device operation.
Concurrent Transactions
The read and write ports on the CY7C1312BV18 operate
independently of one another. As each port latches the address
inputs on different clock edges, the user can read or write to any
location, regardless of the transaction on the other port. The user
can start reads and writes in the same clock cycle. If the ports
access the same location at the same time, the SRAM delivers
the most recent information associated with the specified
address location. This includes forwarding data from a write
cycle that was initiated on the previous K clock rise.
Depth Expansion
The CY7C1312BV18 has a port select input for each port. This
enables foreasydepth expansion.Bothportselectsaresampled
on the rising edge of the positive input clock only (K). Each port
select input can deselect the specified port. Deselecting a port
does not affect the other port. All pending transactions (read and
write) are completed prior to the device being deselected.
[+] Feedback