
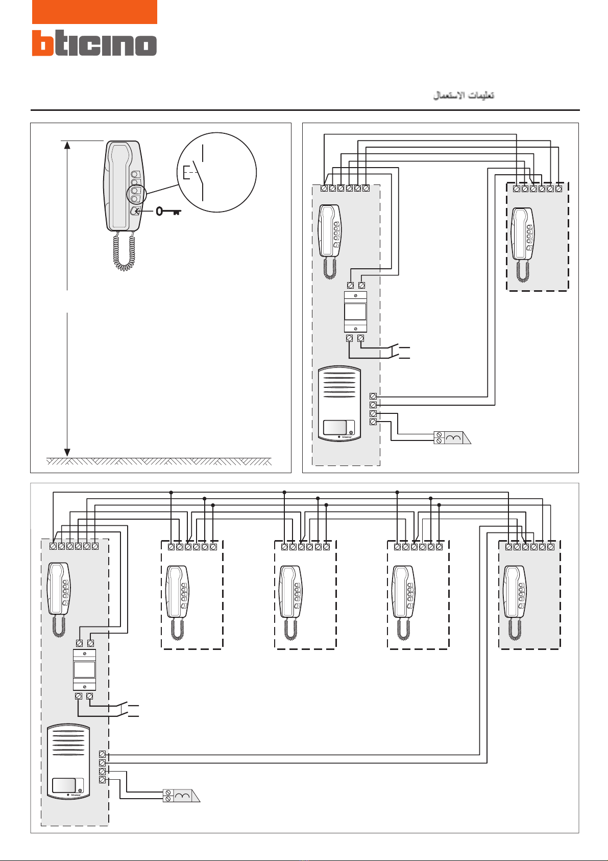
Per eliminare ronzii di fondo (50Hz) è indispensabile prevedere l’arrivo e la partenza del filo 0V (morsetto 3) direttamente nel
citofono. É possibile collegare una suoneria supplementare ai morsetti 6 e T dei citofoni (vedere schema) tenendo però conto
che, per ogni suoneria in più, si deve impiegare un citofono art.331550 in meno.
I
D
GB
E
NL
P
F
4
Um Grundgeräusche (50 Hz) zu beseitigen muß direkt an der Sprechanlage der Leiter OV (Kliemme 3) einen Eingang und einen
Ausgang haben. Eine zusätzliche Klingelanlage kann an den Klemmen 6 und T der Hausstation angeschlossen werden (siehe
Schemazu) wobei jedoch darauf geachtet werden muß, daß für jede Klingelanlage die zusätzlich angeachlossen wird, eine
Haustation Art. 331550 weniger verwendet werden darf.
Pour éliminer le ronflement de fond (50 Hz) il est indispensable de prévoir l’arrivée et la sortie du fil OV (borne 3) directement de
l’interphone. On peut raccorder une sonnerie supplémentaire aux bornes 6 et T des interphones (cf. schéma ), en prenant en
considération cependant que, pour chaque sonnerie ajoutée. on doit employer un interphone réf. 331550 en moins.
To eliminate background humming (50 Hz) it is essential that the incoming and outgoing wire OV (terminal 3) is directly connected
inside the unit. It is possible to connect an additional bell item to terminals 6 and T of the audio door entry units (see diagram
attached to item to terminals 6 and T of the audio door entry units (see diagram) keeping in mind however that. for each additional
bell, there must be one door entry unit item No 331550 less.
Para eliminar zumbidos de fondo (50 Hz) es indispensable calcular la liegada y la salida del hilo OV (borne 3) directamente en el
teléfono. Es posible conectar una soneria suplementaria a los bornes 6 y T de los porteros electrónicos (véase esquema) teniendo
en cuenta, sin embargo. que para cada soneria adicional hay que emplear una unidad de portero electrónico art. 331550 de menos.
Om de ruis (50Hz) te elimineren is het nodig de in-en uitgang van de 0V-kabel (idem 3) rechtstreeks aan te sluiten op de
huistelefoon. Een of meer extra huisbellen kunnen worden aangesloten op klemmen 6 en T van de huistelefoon (zie schema ).
In dit geval kan voor elke extra huisbel één huistelefoon art. 331550 minder worden aangesloten.
5
TR
CZ
GR
RU
336910
336992
336993
336994
15
336910
336992
336993
336994
1
5
Para eliminar o zumido de fundo (50 Hz) é indispensável prever a chegada e a partida do fio OV (borne 3) directamente no
interfone. É possivel ligar uma campainha adicional nos bornes 6 e T dos interfones (veja o esquema) mas tendo presente que,
para cada campainha adicional, se deve utilizar um interfone, art. 331550, a menos.
Lkz njuj6 xnj,s kbrdblbhjdfnm ajyjdjt ;e;;fybt |%) Uw\6 ye;yj ghtlecvjnhtnm gjldjl b jndjl ghjdjlf OV |dsdjl $\
ghzvj d ljvjajy7 Ljgecrftncz gjlcjtlbytybt ljgjkybntkmyjuj pdjyrf r dsdjlfv ^ b N ljvjajyjd |cv7 c[tve\6 exbnsdfz6
ghb 'njv6 xnj ghb ecnfyjdrt rf;ljuj ljgjkybntkmyjuj pdjyrf ye;yj bcgjkmpjdfnm yf jlby ljvjajy 331550 vtymit7
Fondaki u¤'dbultuları (50 Hz) gidermek için 0V telinin (terminal 3) do¤'dbrudan do¤'dbruya diafona varıfl ve çıkıflının öngörülmesi
zorunludur. Diafonların 6 ve T (flemaya bakınız) terminallerine ek bir zil tertibatının ba¤'dblanması mümkündür, ancak her bir
fazla zil tertibatı için 331550 kodlu bir diafonun azaltılması gerekti¤'dbi dikkate alınmalıdır.
Gia thn ejàleich toy bòmboy bàuoyz (50Hz) eìnai aparaìthto na problécete thn àfijh kai thn anaxèrhsh toy kalvdìoy 0V
(akrodékthz 3) kateyueìan sthn endosynennòhsh. Eìnai dynatç h sùndesh enòz symplhrvmatikoù koydoynioù stoyz akrodéktez
6 kai T tvn endosynennoçsevn (blépe sxçma) lambànontaz òmvz ypòch òti, gia kàue epipléon koydoùni, prépei na mhn
xrhsimopoieìtai mia endosynennòhsh eìd. 331550
Pro odstranûní ‰umu (50 Hz) je nutné pfiedvídat pfiívod a odvod vodiãe 0V (svorka 3) pfiímo do domácího telefonu. Na svorky 6 a
T domácích telefonÛ (viz schéma) lze pfiipojit dodateãné zvonkové zafiízení, je v‰ak nutné poãítat s tím, Ïe pro kaÏdé zvonkové
zafiízení navíc se musí pouÏít o jeden domácí telefon typu 331550 ménû.
331550
14P 36
T
4
331550
123 6T
4
230V~
12V
max 1,2A
8
7
3
4
363011
363811
14P 36
T
4
331550
Retrouvez tous les produits du fabricant Bticino sur notre site internet www.confort-electrique.fr
Téléchargé sur www.confort-electrique.fr
Téléchargé sur www.confort-electrique.fr