
5
SAFETY INSTRUCTIONS
Safety first!
In order to use air tools properly and safely, the user must read carefully and understand these instructions
before operation. Keep this instruction manual at a best place near the working area for reading and referring
before operation. Be careful not to remove the warning labels attached to air tools.
Wear proper clothing and protectors
Always wear the proper clothing for safe operation (Fig.1).
Do not wear loose clothing that may be affected because the RPM of air
tools.
Wear a safety cap to protect the head scalp and hairs.
Wear safety eyeglasses, which should be consisted of an impact proof
lens.
Wear a mask for protecting against the dust and particles which are
generated during the operation and which are harmful for your health.
Wear an ear protector to prevent noise damage and preserve your hearing
ability.
Wear safety shoes.
Take a time for relax when operators are tired.
Do not touch the rotating wheel when in operation. Fig. 1
Working area and environment
Keep working area clean and be careful not to slip on oily or slippery surfaces.
Keep away from flammable or explosive liquids or gaseous, that can cause fire by the spark generated
during operation.
Do not operate power tools in the explosive atmosphere which is likely to blow up.
According to the operating condition, noise or vibration is generated. Be sure to wear ear and hearing
protection that conforms to all the local regulations.
Proper operation
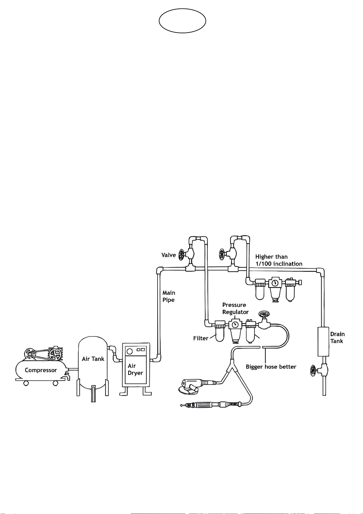
Be sure that the air pressure is supplied at the rated pressure for proper performance of the tool.
Be sure that cutting heads, screws, bearings and attachments are tightened up before operation. If not,
grinders can be broken by the vibration and it is very dangerous.
When attaching the accessories at the tools, check the attached state. When handling air tool parts, be
careful not to touch the sharp edge.
Never use a bevel head which is broken, twisted, defective etc. broken parts of grinder during operation
are very dangerous to machines as well as operators.
When replacing the beveling head, be sure that the air is turned off and the hose is disconnected.
Operate in a proper and comfortable posture, an unstable and improper posture can cause pain to an
operators hand, feet and waist. Always use two hands to control the machine.
Do not shock, drop down or throw air tools as precision parts can break. Strong shock can cause failure by
the broken and twisted parts.
Do not use air tools for abnormal operation. Be sure that operation is within the air tools capacity. Do not
use air tools for other purposes except instructed.
Bring the machine slowly into contact with the work piece only after the maximum tool speed has been
reached.
When cutting a bevel always move the machine from left to right against the direction of rotation of the
milling head.
When machining bore holes, always work in a clockwise direction.
Take Beveling machine from work piece and turn off.
EN