«
DR-61 OT/E Service Manual
CONTENTS
• SPECIFICATIONS
1 ) General...........................................2
2) Transmtter........................................2
3) Recever...........................................2
• CIRCUIT DESCRIPTION
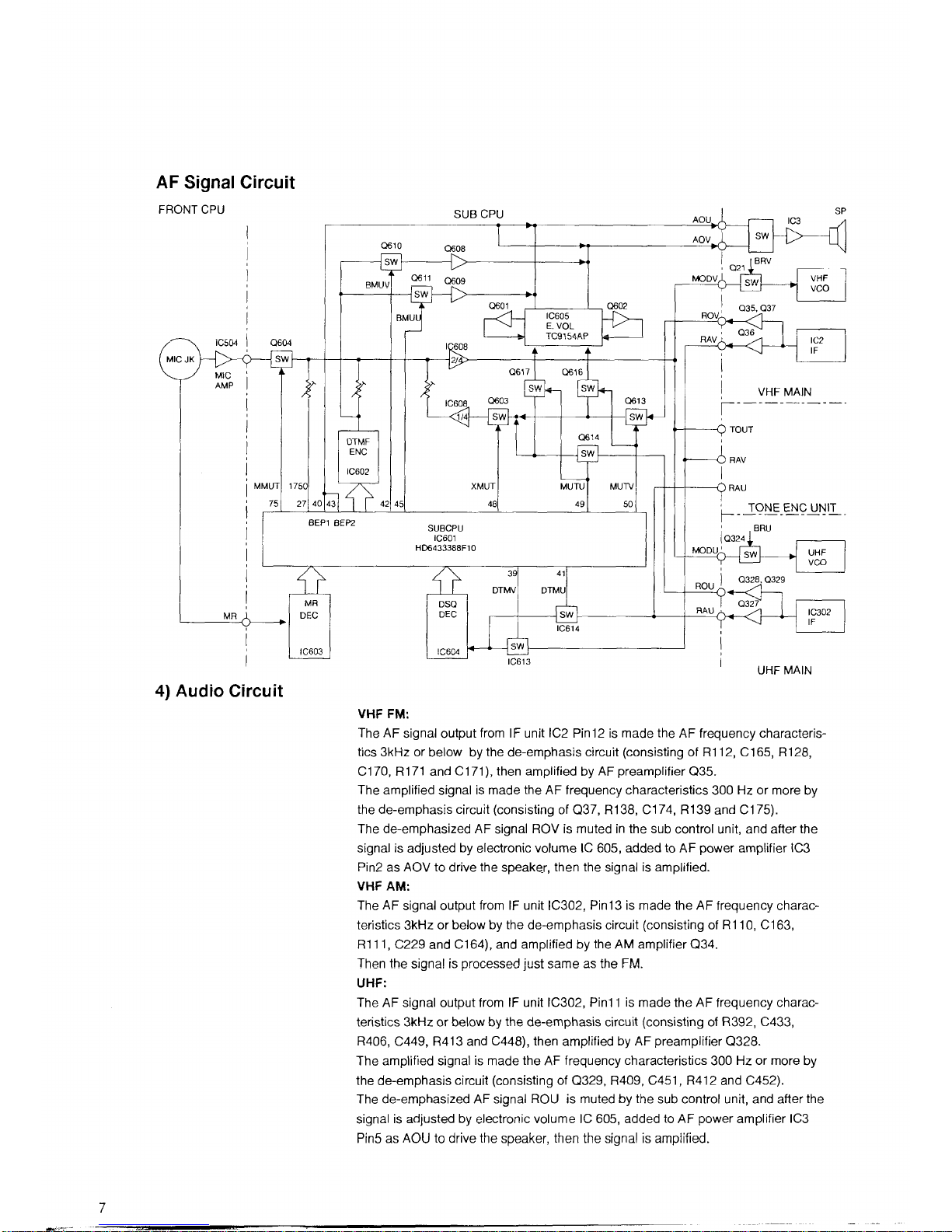
1 ) Recever System..............................3 - 8
2) Transmtter System
...............................
9
3) PLL Crcut
.................................
.10-11
4) Front CPU and Perpheral Crcut
........
11 ~ 12
5) Sub CPU and Perpheral Crcut
..........
.12 ~ 13
6) CTCSS Tone Encoder Crcut
..................
13
7) Packet Crcut
....................................
14
8) Front CPU I/O Port (IC501 )................15-16
9) Man CPU I/O Port (IC601)
...............
17 ~ 18
• SEMICONDUCTOR DATA
1) AN8010M
........................................
19
2) BU4094BF
........................................19
3) L78LR05D.......................................20
4) LA4445...........................................20
5) M56760FP.......................................21
6) M57788MR
......................................
22
7) MC7808..........................................23
8) NJM4066B
.......................................23
9) NJM2902M (T1).................................23
10) NJM4558
........................................
24
11 ) RH5VA60AA
.....................................24
12) nPC1676G.......................................24
13) S-AV17...........................................25
14) TC4S11F
........................................
26
15) TC4S66F
........................................
26
16) TC4W53F........................................26
17) TC9154AP
.......................................
27
18) TC95219F
.......................................28
19) TC35305F (TP1).................................29
20) TK10489M.......................................30
21) TK10930VTL
....................................
31
22) Transstor, Dode and LED Outlne Drawngs... 32
23) LCD
.......................................
33-34
• EXPLODED VIEW
1 ) Front Vew
.......................................35
2) LCD Vew
........................................
35
3) VHF Unt Vew...................................36
4) UHF Unt Vew...................................37
Dv A L IN C O E L E C T R O N IC S IN C .
• PARTS LIST
VHF MAIN Unt
............................
38-40
UHF MAIN Unt
.............................
40-42
VOL Unt..........................................42
FRONT CPU Unt
..........................
44-43
SUB CPU Unt
..............................50- 45
VHF VCO Unt....................................45
VHF PLL Unt
....................................
45
UHF VCO Unt....................................46
UHF PLL Unt...............................54 - 46
AIR Unt...........................................46
ENC Unt
.........................................
47
SP Unt
...........................................
47
FAN Unt
.........................................
47
Packet
............................................47
Mechancal Parts................................ 47
PCB...............................................47
Packng........................................... 47
EHM35B..........................................47
EHM39........................................... 48
• ADJUSTMENT
1) Requred Test Equpment.......................49
2) Adjustment Ponts..........................50 — 51
3) UHF RX Adjustment.............................52
4) UHF TX Adjustment.............................53
5) VHF RX Adjustment.............................54
6) VHF TX Adjustment
.............................
55
• PC BOARD VIEW
1) VHF MAIN/AIR Unt Sde A
.....................
56
2) VHF MAIN/AIR Unt Sde B
.....................
57
3) UHF MAIN/ENC/VOL Unt Sde A
..............
58
4) UHF MAIN/ENC/VOL Unt Sde B
..............
59
5) Front CPU Unt Sde A
..........................
60
6) Front CPU Unt Sde B
..........................
60
7) SUB CPU Unt Sde A
...........................
61
8) SUB CPU Unt Sde B
...........................
61
9) VHF VCO Unt
...................................62
10) VHF PLL Unt....................................62
11) UHF VCO Unt...................................62
12) UHF PLL Unt....................................62
• BLOCK DIAGRAM
1) Man Block Dagram
.............................
63
2) CPU Block Dagram
.............................
64
3) PLL Block Dagram
..............................
65
• SCHEMATIC DIAGRAM
1) VHF MAIN UNIT
...........................
66-67
2) UHF MAIN UNIT
...........................
68-69
3) FRONT CPU UNIT..............................70
4) SUB CPU Unt
...................................
71
5) VHF VCO, PLL Unt
.............................
72
6) UHF VCO, PLL Unt
.............................
73
7) ENC Unt
.........................................
74
8) EHM35B
.........................................
75
9) EHM39................
.
...........................75