
Ag Leader Technology DirectCommand Installation
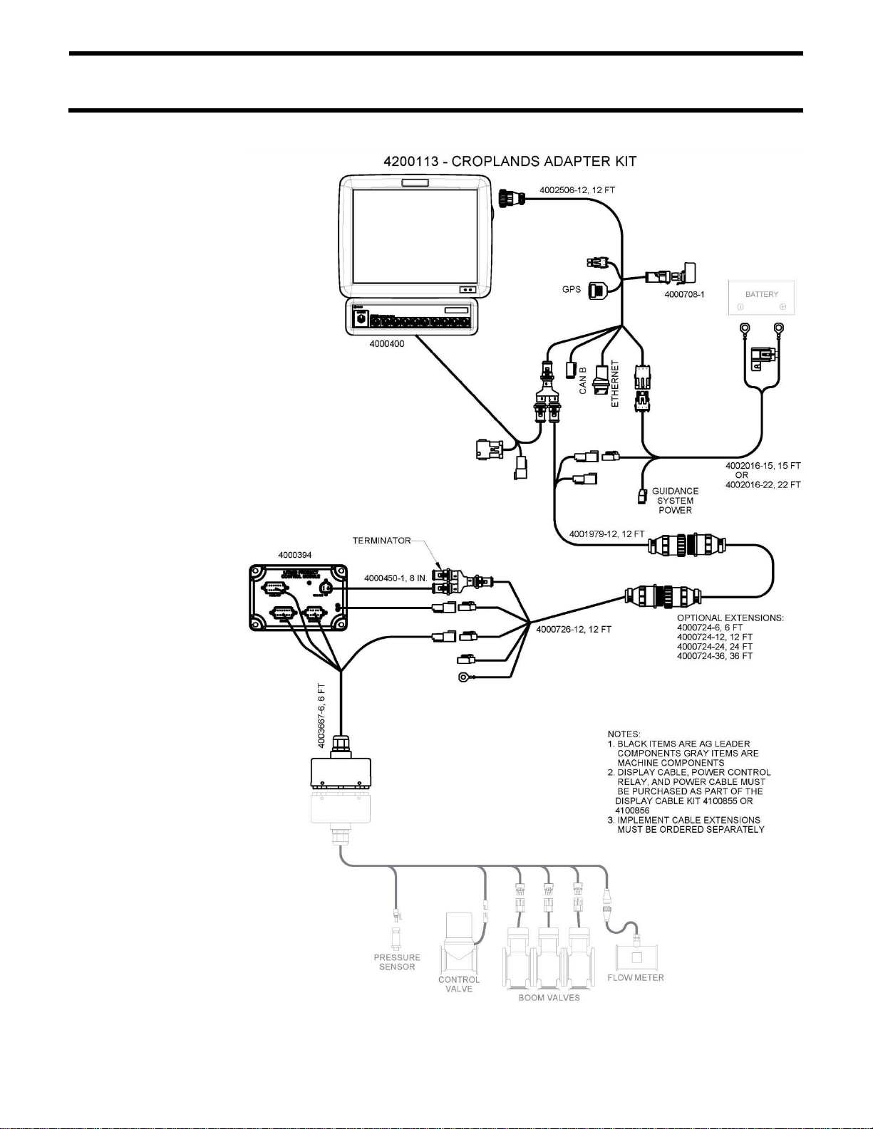
Croplands Sprayer Kit
Page 8 of 10 February 2013 PN: 2006343 Rev. A
CAN Bus
Harness
Parts Required for Procedure:
Dielectric Grease PN: 2002872
Y-splice PN: 4000137
Terminator PN: 4000141
Cable – CAN Bus Stub, LCM, 8in PN: 4000450-1
Implement Cable, 12ft PN: 4000726-12
Cable – CAN/Power w/ Implement
Connection PN: 4001979-12
Optional Parts Purchased Separately
Cable – CAN Bus Power Extension, 6ft PN: 4000724-6
Cable – CAN Bus Power Extension, 12ft PN: 4000724-12
Cable – CAN Bus Power Extension, 24ft PN: 4000724-24
Cable – CAN Bus Power Extension, 36ft PN: 4000724-36
Step-by-Step
instructions for
installing the
CAN Bus
Harnesses
1. Locate the CAN/Power with Implement Connection Cable PN:
4001979-12, connect the Black 4-pin CANNON Receptacle to the
open side of the Y-splice previously installed on the display cable.
2. Connect one of the Gray 2-pin Deutsch receptacles to the Gray 2-pin
Deutsch plug of the Power Cable PN: 4002016-x.
3. Route the opposite end of cable PN: 4001979-12 to a location near the
hitch point of the tractor/implement securing the cabling using zip ties
to avoid pinch points.
4. Locate the Implement Cable PN: 4000726-12, connect the Black AMP
receptacle to the Black AMP plug on cable PN: 4001979-12.
If distance between Tractor/Implement connection and Liquid
Control Module exceeds 12ft, install an optional CAN Bus Power
Extension cable PN: 4000724-x.
5. Route the opposite end of cable PN: 4000726-12 towards the Liquid
Control Module, connect the Gray 2-pin Deutsch plug to the mating
Gray 2-pin Deutsch receptacle hardwired into the Liquid Control
Module.
6. Locate the CAN Bus Stub PN: 4000450-1, connect the Black 4-pin
CANNON receptacle to the Gray 4-pin plug of the Y-splice PN:
4000137.