
The Infrared Wireless Expert ACT-IR8200D
Design Specification
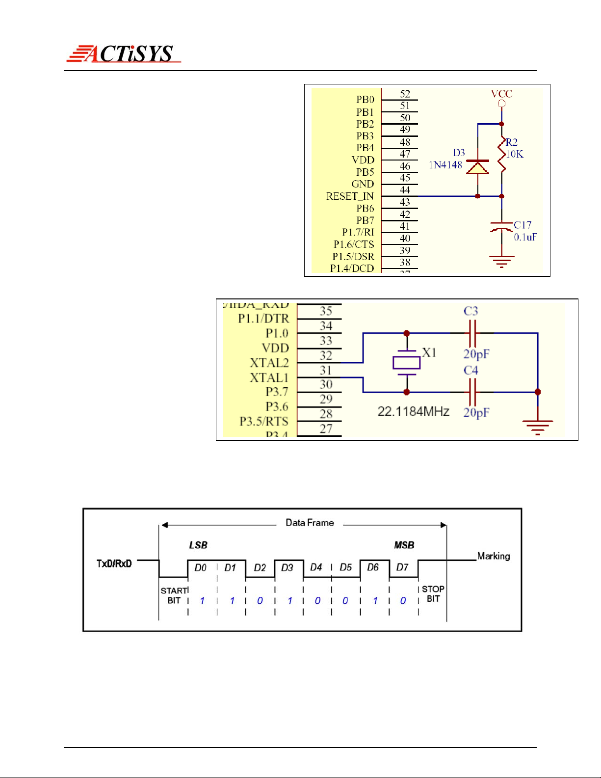
3. Pins Description
Symbol Pin No. I/O
Type Descriptions
VDD 6,8,33,47 Digital and Analog supply voltage, positive terminal.
GND 9,19,45 Ground.
PD1 1 I/O General I/O pin, not used.
PC7 2 I/O General I/O pin, not used.
TDO 3 O JTAG signals, not used.
TDI 4 I JTAG signals, not used.
DEBUG 5 O JTAG signals, not used.
TERR 7 O JTAG signals, not used.
TSTAT 10 O JTAG signals, not used.
VSTBY 11 I SRAM standby voltage input, not used.
TCK 12 I JTAG signals, not used.
TMS 13 O JTAG signals, not used.
P4.7 14 I/O General I/O pin, not used.
P4.6 15 I/O General I/O pin, not used.
P4.5 16 I/O General I/O pin, not used.
P4.4 17 I/O General I/O pin, not used.
P4.3 18 I/O General I/O pin, not used.
P4.2/LED 20 O Status LED output.
P4.1 21 I/O General I/O pin, not used.
P4.0 22 I/O General I/O pin, not used.
P3.0/RXD 23 I Receive data signal from host, same as UART receiver.
P3.1/TXD 24 O Transmit data signal to host, same as UART transmitter.
P3.2 25 I/O General I/O pin, not used.
P3.3 26 I/O General I/O pin, not used.
P3.4 27 I/O General I/O pin, not used.
P3.5/RTS 28 O Ready to send. If low then host can send data to 8200D.
P3.6 29 I/O General I/O pin, not used.
P3.7 30 I/O General I/O pin, not used.
XTAL1 31 I Oscillator input pin for system clock. 22.1184MHz is required.
XTAL2 32 O Oscillator output pin for system clock.
P1.0 34 I/O General I/O pin, not used.
P1.1/DTR 35 O Device terminal is ready. If low means IR8200D established IrDA link.
P1.2/IrDA_RXD 36 I Infrared signal input pin from IrDA transceiver.
P1.3/IrDA_TXD 37 I Infrared signal output pin to IrDA transceiver.
P1.4/DCD 38 I Device carrier detect, not used.
© Copyright 2004 ACTiSYS Corp. Page 6 of 20 Nov. 10, 2004
Rev. 0.2