
power supply, two power supply can work at the same time.
The device will still run non-stop when one power supply fails.
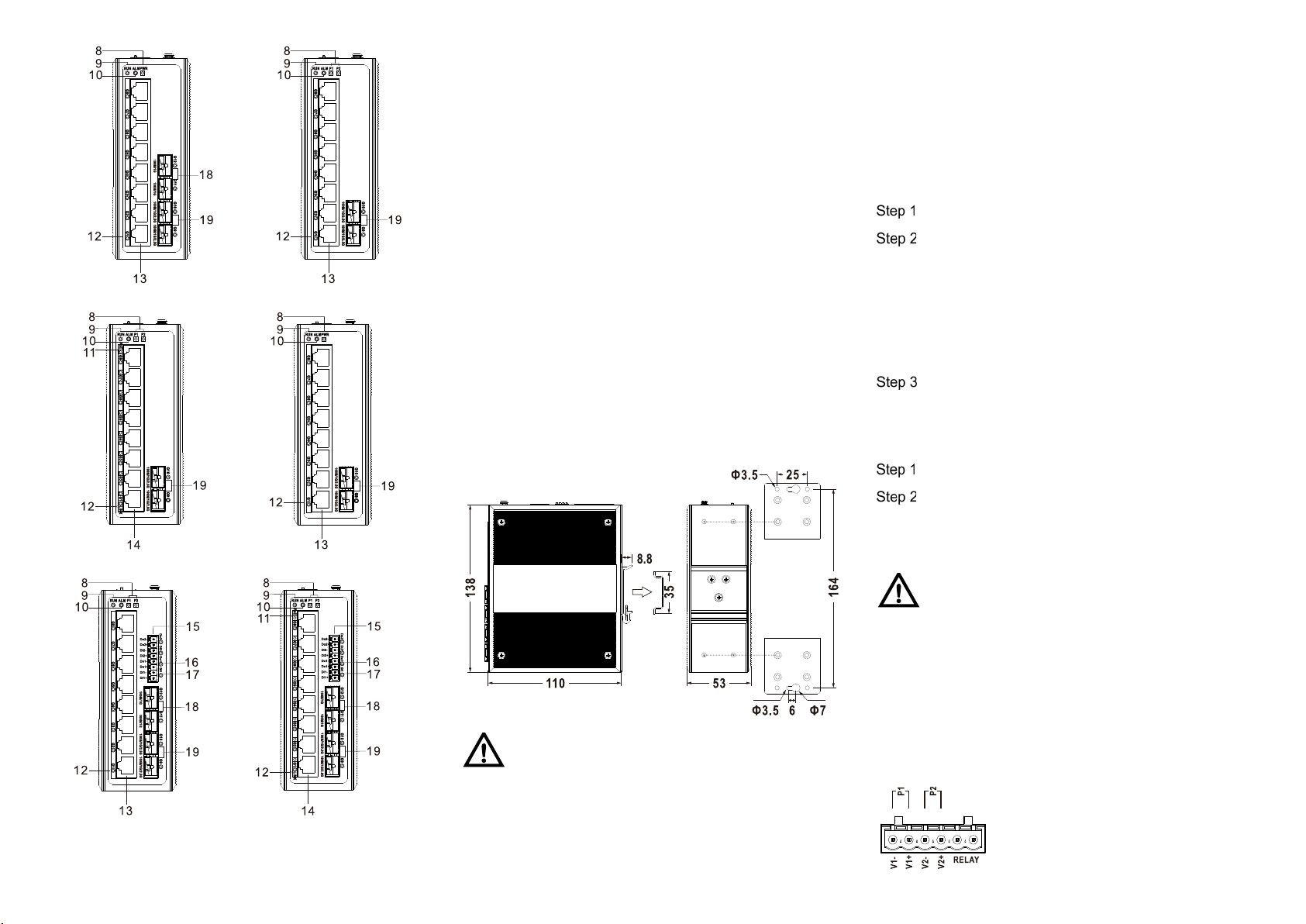
The pin definitions of power supply are shown in the left figure.
This series supports 3 different power supply ranges. Please
notice the corresponding power supply type of the device in
case it damages the device.
12~48VDC redundant power supply
The power supplies of Model I, Model V and Model IX support
non-polarity connection, and the device can still work normally
after reverse connection. The definitions of power pin are
shown in the figure above, and the power input range is
12~48VDC.
24VDC redundant power supply
The power supplies of Model II and Model VI support anti-
reverse connection, which cannot power the device but won’t
damage it. The definitions of power pin are shown in the figure
above, and the power input is 24VDC.
48VDC redundant power supply
The power supplies of Model III, Model VII and Model X
support anti-reverse connection, which can cannot power the
device but won’t damage it. The definitions of power pin are
shown in the figure above, and the power input is 48VDC.
【AC Power Supply Connection】
This AC device provides 6-pin
5.08mm pitch terminal blocks,
power supply occupies the left 4
pins. The pin definitions of power supply are shown in the left
figure.
【Relay Connection】
This device provides 6-pin 5.08mm
pitch terminal blocks, relay occupies
the right 2 pins. Relay terminals are
a set of normally open contacts of the device alarm relay. They
are open circuit in the state of normal non alarm, closed when
any alarm information occurs. For example, they are closed
when powered off, and send out alarm. The product supports
1 relay alarm information output that can output DC power
supply alarm information or network abnormality alarm. It can
be connected to alarm light or alarm buzzer or other switching
value collecting devices, which can timely inform operators
when the alarm occurs.
【DIP Switch Settings】
The series of devices provide 4-bits DIP switch for
function setting, where "ON" is enable valid
terminal.
The definitions of DIP switch are as follows:
1 Restore Factory
Settings
Set the DIP switch to ON, the
device will root automatically
and restore to factory settings,
then turn off the DIP switch.
—
【I/O Port Connection】
Model IX and Model X provide 8-pin
3.81mm pitch terminal blocks and 2
DI and 2 DO. This device can detect
and send I/O input status to
management software, operators can set the conditions of
alarm status via management software. When the I/O input
status meets the set alarm conditions, the I/O output alarm
would be triggered. The pin definitions of I/ O port are shown
as follows:
DI digital signal input
channel 1
DI1+, DI1-
input
DI digital signal input
channel 2
DI2+, DI2-
DO digital signal output
channel 1
DO1+, DO1-
output
DO digital signal output
channel 2
DO2+, DO2-
【Console Port Connection】
The device provides 1 program debugging port
based on RS-232 serial port which can conduct
device CLI command management after
connecting to PC. The interface adopts RJ45 port, the RJ45
pin definition as follows:
【Checking LED Indicator】
The device provides LED indicators to monitor its operating
status, which has simplified the overall troubleshooting
process. The function of each LED is described in the table
below:
P1/P2/PWR
ON Power
supply is running
normally
OFF Power supply is disconnected
ALM
ON Power supply or port link has
OFF
Power supply and port link
have no alarm
RUN
ON
Device is not started or
abnormal
Blinking
Blinking 1 time per second,
system is running normally
OFF
The device is powered off or
the device is abnormal.
LINK
(G1-G12)
ON Ethernet port has established a
Blinking Ethernet port is in an active
OFF
Ethernet port has not
established valid network
connection
PoE
(G1-G8)
ON POE port is powering other PD
OFF
POE is disabled or
disconnected
DI(1-2)
I/O has input information
I/O has no input information
DO(1-2) ON
information,