
User Information
H. ZANDER GmbH & Co. KG • Am Gut Wolf 15 • D52070 Aachen • Tel +49 (0)241 9105010 • Fax +49 (0)241 91050138
info@zander-aachen.de • www.zander-aachen.de
3
B01
B101
E61-137-00
Maintenance
The device must be checked once per month for proper
function and for signs of tampering and bypassing of the
safety function.
Techn. Data
Corresponds to the standards EN 60204-1; EN ISO 13849-1 ; EN 62061
Operating voltage AC/DC 24V
Reted supply frequency 50-60 Hz
Permissible deviation + / - 10%
Power consumption DC 24V AC 24V
approx. 2.3W approx. 4.5VA
Control voltage at S11 DC 24V
Control current S11...S14 approx. 60mA
Safety contacts 3 NO contacts
Auxiliary contacts 1 NC contact
Max. switching voltage AC 250V
Version 472172 AC: 250V, 2000VA, 8A for ohmic load,
Safety contact breaking capacity (13-14, 23-24, 33-34) 250V, 3A for AC-15
DC: 24V, 48W, 2A for DC-13
Max. total current 15A (13-14, 23-24, 33-34)
Version 472172 AC: 250V, 500VA, 2A for AC-12
Auxiliary contact breaking capacity (41-42) DC: 50V, 30W, 1.25A for ohmic load
Version 472173 High DC breaking capacity AC: 250V, 2000VA, 8A for ohmic load
Safety contact breaking capacity (13-14, 23-24, 33-34) 250V, 3A for AC-15
DC: 50V, 400W, 8A for ohmic load
24V, 3A, for DC-13
Max. total current through all 3 contacts:
15A (13-14, 23-24, 33-34)
Version 472173 High DC breaking capacity AC: 250V, 500VA, 2A for AC-12
Auxiliary contact breaking capacity (41-42) DC: 50V, 100W, 2A for ohmic load
Minimum contact load 24V, 20mA
Min. Contact fuses 6A slow-blow or 8A quick-action or 10A gG
Max. line cross section 0.14 - 2.5mm
2
Max. length of control line 1000m with 0.75mm
2
Contact material AgNi
Contact service life mech. approx. 1 x 10
7
, electr. 1 x 10
5
operating cycles
Test voltage 2.5kV (control voltage/contacts)
Rated impulse withstand voltage, leakage path/air gap 4kV (DIN VDE 0110-1)
Rated insulation voltage 250V
Degree of protection IP20
Temperature range -15°C to +40°C
Degree of contamination 2 (DIN VDE 0110-1)
Overvoltage category 3 (DIN VDE 0110-1)
Weight approx. 230g
Mounting DIN rail according to EN 60715TH35
Note: Additional data can be requested from the manu-
facturer for applications that deviate from these conditions.
Safety
Characteristics
According to
EN ISO 13849-1
The device is certified according to EN ISO 13849-1 up to a
Performance Level of PL e.
Device cannot be switched on again after an emergency
stop:
•
Check whether the emergency stop circuit was closed
again.
•
Was the start button opened before closing of the emer-
gency stop circuit (with manual start)?
•
Is the feedback loop closed?
If the fault still exists, perform the steps listed under
“Commissioning Procedure”.
If these steps do not remedy the fault either, return the
device to the manufacturer for examination.
Opening the device is impermissible and will void the
warranty.
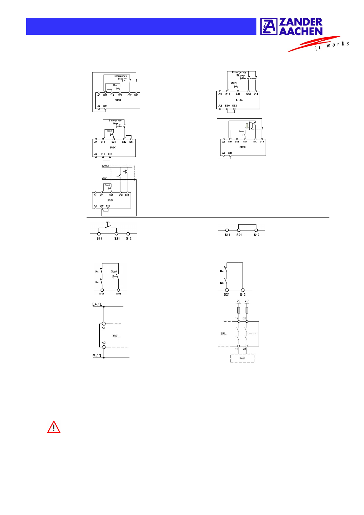
Device does not switch on:
•
Check the wiring by comparing it to the wiring diagrams.
•
Check the safety switch used for correct function and
adjustment.
•
Check whether the emergency stop circuit is closed.
•
Check whether the start button (with manual start) is
closed.
•
Check the operating voltage at A1 and A2.
•
Is the feedback loop closed?
What to do in
Case of a Fault?
The device is otherwise maintenance free, provided that it
was installed properly.
Emergency Stop Safety Relay SR3C AC/DC24V
Safety characteristics according to EN ISO 13849-1 for all variants of SR3C
Load (DC13; 24V) <= 0,1A <= 1A <= 2A
T10d [years] 20 20 20
Category 4 4 4
PL e e e
PFHd [1/h] 1,2E-08 1,2E-08 1,2E-08
nop [cycle / year] <= 500.000 <= 350.000 <= 100.000