
Real time clock: adjustable from computer, integrated calendar including leap years
Accuracy of the real time clock: <200ppm (i.e. 0.02%, 17.28 seconds in 24 hours)
Power: battery 9V or ac/dc adapter 12V with NiCd accumulator 9V
Average current consumption: 0.2 to 0.8 mA (depending on operation mode)
IP protection: IP20
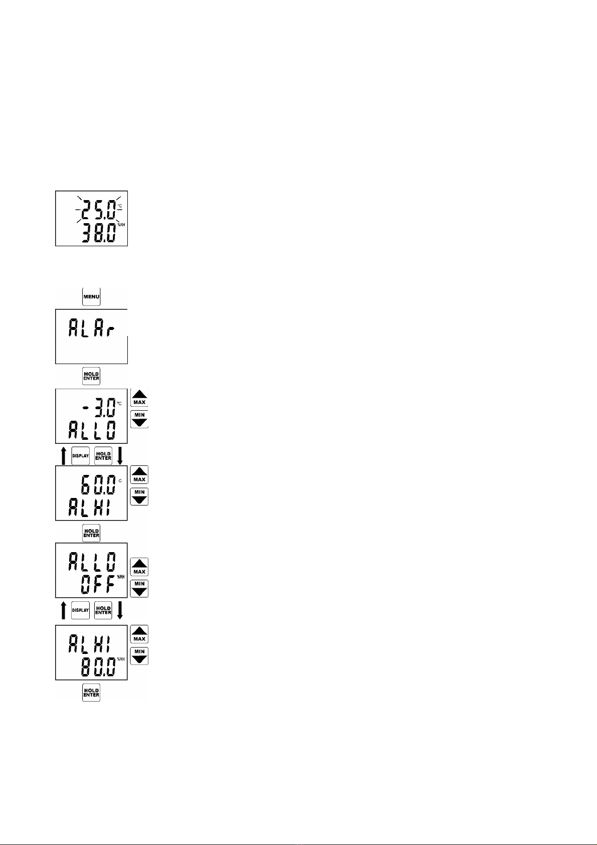
Operation conditions:
Ambient temperature range: -10 to +60 °C
Ambient relative humidity range: 5 to 95 %RH
Outer characteristics in accordance with EN 33-2000-3: normal environment with
characteristics AD1, AE1, AF1, AG1, AH1, AK1, AL1, AN1, AP1, AQ1, AR1, AS1,
BA1, BE1
Not allowed manipulation: it is not allowed to touch sensors under the cover to avoid
sensors damaging or to effect calibration.
Storing conditions: temperature -10 to +60 °C relative humidity 5 to 95 %RH
Dimensions: 141 x 71 x 27 mm
Weight including battery: approximately 150 g
Battery life depends on selected display refresh mode (see below). In FAST mode display is
refreshed in shortest possible interval with highest current consumption. In dynamic mode display
is refreshed in interval up to 5 s in case measured values remain stable. Refresh interval is shortened
to approximately 0.7 s only if measured values change. Current consumption in this mode in usual
operation is lower, battery life is up to 4 times longer. The FAST mode is recommend to use only in
cases, when slower display response is not acceptable.
Battery voltage drop below 7 V is indicated with blinking of "BAT" in default display mode
(displaying of actual values) and FAST mode is automatically cancelled to save the battery. At the
same time audio indication of alarms is automatically switched OFF.
If instrument is supplied from external ac/dc adapter, internal 9V battery should be replaced with
rechargeable NiCd accumulator. In usual operation from adapter accumulator is charged only with
small current. If accumulator is totally discharged, its full charging in instrument takes
approximately 100 hours. Instrument with accumulator is not recommended for permanent
operation without ac/dc adapter plugged. Accumulator works only as a standby source in case of
power mains failure.
Switching ON and OFF the instrument
Switch ON the instrument by pressing ON/OFF key. After switching ON
the instrument all symbols on the LCD are displayed. If the ON/OFF key is
being held pressed, all LCD symbols are displayed till the key is released.
In usual operation instrument then starts the measurement mode and actual
measured values are displayed.
If a voltage drop below critical limit occurred since last adjustment of
internal real time clock or battery disconnection longer than approximately
1 min, new instrument initialization is performed (reading INIT could be
displayed up to 12 s !).
After initialization is finished instrument starts to display internal time to
warn to incorrect internal time. New time adjustment is performed by the
computer. Press MENU key to switch instrument to actual measurement
mode.
IE-COM-D3633-06 3