
3
Note: after setting the administrator, the menu needs to be confirmed by the administrator, the success
of the menu;
;
☆Baudrate:communication with the computer communications rate, were 9600, 19200,
38400, 57600, 115200 five option;
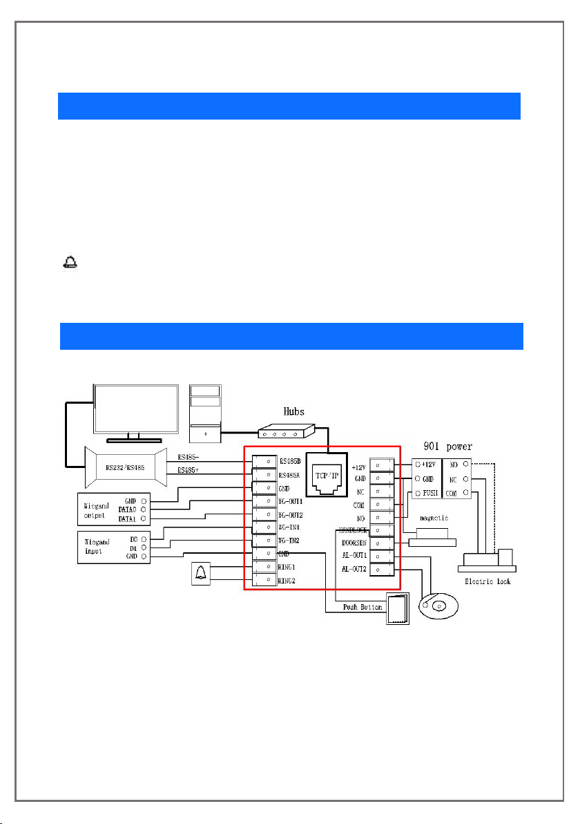
☆Device IP:the default IP for the 192.168.8.198, you can according to the need for change;
☆Subnet mask:the default for 255.255.255.0, you can according to the need for change;
☆Default gateway:the default for 192.168.8.1, you can be the basis of the need for
change;
☆Device port:communication used the port number, the default for 5005;
☆Server IP:the default for 192.168.0.1, real-time monitoring of the computer when IP
address, you can be the basis of the need for change;
☆Server port:communication port, the default used for 7005;
☆Realtime Req:real-time monitoring fingerprint access to the computer when whether to
send data. The default is no;
Note: the need to use the network interface communication when it is necessary to carry
out the setting, if the USB communication is directly inserted into the USB line;
Remarks:
☆Time setting:is defined time for a week each day can unlock the definition of the time;
☆Users:user entrance guard Settings is the user the lock and unlock the set time
combination;
☆Unlock Time:is fingerprints machine control open or close the locks of the time;
☆Lock Type Set:includes three kinds::No、Open、Close;“No”refers to not use magnetic
switch on the door,“ Open”often a door lock is to open,,“ Close”the door closed to
lock the shu started the multicolored;
☆Anti Pass:To prevent the following entry;
Press the keyboard
"MENU" into the
machine "MENU"
Select “Setting”
by "0K" or "3" key
Select "LockCtrl" and
"0K" to make the
relevant settings.
2. Entrance guard function setting
1.3 Communication settings
Communication settings
Press the keyboard
"MENU" into the
machine "MENU"
Select“Setting”by
"0K" or "3" key
Select "Network"
set the appropriate
TCP/IP