Civintec CV9601T-T-1F Manuel utilisateur

Sena Computer –28 rue de bel air –49750 Chanzeaux France
Tel + 33 2 41 74 13 74 Fax :+ 33 2 41 74 13 75 Email : info1@senaco.com
Installation Manual
* All rights reserved
** Subject to change without notice
CV9601T
-
T
-
1F
Version 1.0

Sena Computer –28 rue de bel air –49750 Chanzeaux France
Tel + 33 2 41 74 13 74 Fax :+ 33 2 41 74 13 75 Email : info1@senaco.com
Table of Contents
1IMPORTANT SAFETYINSTRUCTIONS................................................ ............................................. 3
2FRONT PANEL DESCRIPTION ............................................................... ............................................ 3
3INSTALLATION....................................................................................................................................... 4
4.1 CONNECTOR AND PIN DEFINITION .......................................................................................................... 4
4.2 RS232CONNECTION DIAGRAM ............................................................................................................. 5
4.3 RS485CONNECTION DIAGRAM ............................................................................................................. 6
4.4 TCP/IPCONNECTION DIAGRAM ............................................................................................................. 7
4.5 INSTALLATION STEPS.............................................................................................................................. 8
4PACKINGLIST........................................................................................................................................... 9
5REVISEHISTORY...................................................................................................................................... 9
6TECHNICALSUPPORT.............................................................................................................................. 9

Sena Computer –28 rue de bel air –49750 Chanzeaux France
Tel + 33 2 41 74 13 74 Fax :+ 33 2 41 74 13 75 Email : info1@senaco.com
z
Don’t connect the unit to higher than 24V DC.
z
Don’t set this product near heaters or anything that produces heat.
z
Don’t install this product near electric motors running.
z
Be ALWAYS careful not to short-circuit any part of the circuitry with tools like a
screwdriver in hand.
z
Don’t use any kind of liquid for cleaning.
z
Users are cautioned NOT to attempt repair of this product or modify the wirings set by
the installer at their own discretion.
2FrontPanel Description
System Working Status:
Red is Power, Green is
open door state
Antenna
1
Important safety instructions
12 Keys

Sena Computer –28 rue de bel air –49750 Chanzeaux France
Tel + 33 2 41 74 13 74 Fax :+ 33 2 41 74 13 75 Email : info1@senaco.com
4.1 Connector and Pin definition
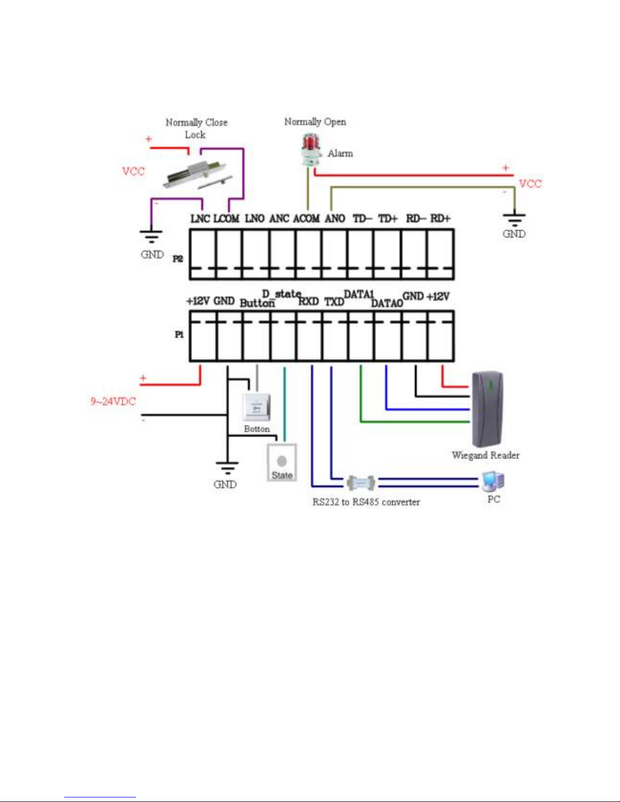
P2 description:
LNC Normally closed of lock relay.
LCOM Common port of lock relay.
LNO Normally open of lock relay.
ANC Normally closed of alarm relay.
ACOM Common port of alarm relay.
ANO Normally open of alarm relay.
TD- Tranceive Data-; connect to green wire of network cable. (For TCP/IP interface)
TD+ Tranceive Data+; connect to white/green wire of network cable. (For TCP/IP interface)
RD-Receive Data-; connect to orange wire of network cable. (For TCP/IP interface)
RD+ Receive Data+; connect to white/orange wire of network cable. (For TCP/IP interface)
P1 description:
+12V External power supply (DC9~24V).
GND External ground of device.
Button Connect Exit Button (input port).
D_state Connect door state detector, e.g. door contact sensor (input port).
RXD Data receive port of the device; connect to data transmit port of RS232 (RS232 port).
(For RS232 interface)
Connect to RS485 A of communication Bus (RS485 port). (For RS485 interface)
TXD Data transmit port of the device; connect to data receive port of RS232 (RS232 port).
(For RS232 interface)
Connect to RS485 B of communication Bus (RS485 port). (For RS485 interface)
DATA1 Data1 of external wiegand reader.
DATA0 Data0 of external wiegand reader.
3
Installation

Sena Computer –28 rue de bel air –49750 Chanzeaux France
Tel + 33 2 41 74 13 74 Fax :+ 33 2 41 74 13 75 Email : info1@senaco.com
J203 description:
Changing IP address jumper, open is a normal working.
SW2 description:
download user program state.
4.2 RS232 ConnectionDiagram
This jumper is opening in normal work. When it is shorting before power
on,
Main unit go to

Sena Computer –28 rue de bel air –49750 Chanzeaux France
Tel + 33 2 41 74 13 74 Fax :+ 33 2 41 74 13 75 Email : info1@senaco.com

Sena Computer –28 rue de bel air –49750 Chanzeaux France
Tel + 33 2 41 74 13 74 Fax :+ 33 2 41 74 13 75 Email : info1@senaco.com
4.3 RS485 Connection Diagram

Sena Computer –28 rue de bel air –49750 Chanzeaux France
Tel + 33 2 41 74 13 74 Fax :+ 33 2 41 74 13 75 Email : info1@senaco.com
4.4 TCP/IP Connection Diagram

Sena Computer –28 rue de bel air –49750 Chanzeaux France
Tel + 33 2 41 74 13 74 Fax :+ 33 2 41 74 13 75 Email : info1@senaco.com
4.5 Installation steps
Step 1:
Drill four holes on the Installation location as showed at mounting plate. Dimensions are as
below:
Step 2:
Plug four plastic expansion pipe.
Step 3:
Install mounting plate on the Installation location.
Step 4:
Using 4 self tapping screws fixed mounting plate.
Step 5
Wire connection. Refer to point 4
Step 6:
Attach the unit device to mounting plate.

Sena Computer –28 rue de bel air –49750 Chanzeaux France
Tel + 33 2 41 74 13 74 Fax :+ 33 2 41 74 13 75 Email : info1@senaco.com
4Revise history
V1.0 Original Version
We have professionals to provide prompt, comprehensive technical support. If you have any
technical questions, please contact [email protected]
5
Technical support
Table des matières

















