
Viale Vicenza, 14
36063 Marostica VI - Italy
www.vimar.com
49401871A0 01 2306
REGOLE DI INSTALLAZIONE.
• L’apparecchio deve essere installato in scatole da incasso o da parete con supporti e placche
Neve Up.
• L’installazione deve essere effettuata su scatole con profondità minima di 48 mm.
• L’installazione deve essere eseguita con impianto spento.
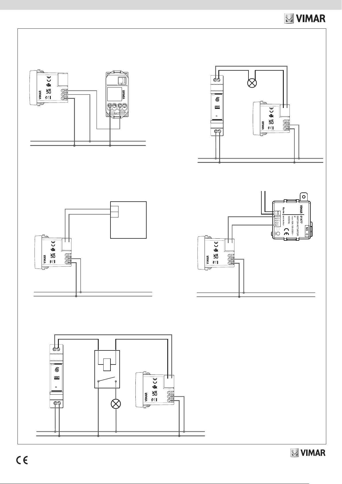
• I morsetti OUT sono separati con doppio isolamento rispetto ai morsetti L-N-P. Non collegare
un circuito a tensione di rete ai morsetti OUT; tali morsetti possono essere connessi a circuiti
SELV ed ELV secondo le caratteristiche riportate.
• Collegare un cavo in doppio isolamento o rinforzato tipo 01840.E ai morsetti OUT.
• Il circuito di alimentazione deve essere protetto contro i sovraccarichi da un dispositivo, fusibile
o interruttore automatico, con corrente nominale non superiore a 10 A.
• Il dispositivo può essere utilizzato esclusivamente per applicazioni da interno.
• Non installare su pareti mobili o soggette a urti e vibrazioni.
• Installazione consigliata ad altezza minima di 1 m dal piano di calpestio; in caso di utilizzo della
funzione affollamento si consiglia l’installazione ad 1,5 m o più usando il supporto esterno
Vimar.
Attenzione: Il dispositivo non è adatto alla rilevazione di presenza di persone che stanno
dormendo.
CARATTERISTICHE.
• Tensione nominale di alimentazione: 100-240 V~, 50/60 Hz.
• Potenza max assorbita dalla rete: 1,1 W
• Contatto in uscita: 24 Vac o 30 Vdc, 400 mA max (SELV ed ELV), non adatto a comandare
elettroserrature
• Bluetooth technology:
- Potenza RF trasmessa: < 100mW (20 dBm)
- Range di frequenza: 2400-2483,5 MHz
• Radar UWB:
- Potenza RF trasmessa: < 1mW (0 dBm)
- Range di frequenza: 7,3÷8,5 GHz
• Sensore di luminosità ambientale per funzione luce crepuscolare (4 soglie selezionabili da App)
•Morsetti:
- 2 morsetti (L e N) per linea e neutro
- 1 morsetto (P) per il collegamento al comando filare remoto (ad esempio pulsante art.
09008). La distanza max tra dispositivo IoT e pulsante è pari a 50 m con cavo di sezione
minima 1,5 mm2.
- 2 morsetti (OUT) per l’uscita relè di segnale libero da potenziale per circuiti SELV ed ELV
• Temperatura di funzionamento: -10 ÷ +40 °C (per interno)
INSTALLATION RULES.
• The device must be installed in flush mounting boxes or surface mounting boxes with Neve
Up mounting frames and cover plates.
• Installation must be carried out in mounting boxes with a depth of at least 48 mm.
• Installation must be carried out with the system switched off.
• The OUT terminals are separated by double insulation from the L-N-P terminals. Do not
connect a mains voltage circuit to the OUT terminals; these terminals can be connected to
SELV and ELV circuits according to the characteristics stated.
• Connect a double insulated cable or a reinforced cable type 01840.E to the OUT terminals.
• The power supply circuit must be protected against overloads by installing a device, fuse or
automatic 1-way switch, with a rated current not exceeding 10 A.
• The device may only be used for indoor applications.
• Do not install on partitions or walls subjected to shock and vibration.
• Installation recommended at a minimum height of 1 m from floor level; if the crowding function
is used, installation is recommended at 1.5 m or more using the Vimar external mounting
frame.
Caution: The device is not suitable for detecting the presence of sleeping people.
CHARACTERISTICS:
• Rated supply voltage: 100-240 V~, 50/60 Hz.
• Max. power absorption from the mains: 1.1 W
• Output contact: 24 VAC or 30 VDC, 400 mA max (SELV and ELV), not suitable for controlling
electrical locks
• Bluetooth technology:
- RF transmission power: < 100 mW (20 dBm)
- Frequency range: 2400-2483.5 MHz
• UWB radar:
- RF transmission power: < 1mW (0 dBm)
- Frequency range: 7.3÷8.5 GHz
• Room brightness sensor for dusk/dawn light function (4 thresholds selected via App)
•Terminals:
- 2 terminals (L and N) for line and neutral
- 1 terminal (P) for connection to the remote wired control (for instance pulsante art. 09008).
The max distance between the IoT device and the push button is 50 m with a cable with
a minimum cross-section of 1.5 mm2.
- 2 terminals (OUT) for the potential-free signal relay output for SELV and ELV circuits
• Operating temperature: -10 ÷ +40 °C (indoor)
CONSIGNES D’INSTALLATION
• L’appareil doit être installé dans une boîte d’encastrement ou en saillie, avec des supports et
des plaques Neve Up.
• L’installation doit être réalisée dans une boîtes de 48 mm de profondeur minimum.
• Avant de commencer l’installation, mettez le circuit hors tension.
• Les bornes OUT sont séparées par une double isolation des bornes L-N-P. Ne connectez pas
un circuit sous tension de réseau aux bornes OUT car elles peuvent être reliées aux circuits
SELV et ELV en fonctions de leurs caractéristiques.
• Reliez un câble à double isolation ou renforcé de type 01840.E aux bornes OUT.
• Le circuit d’alimentation doit être protégé contre les surcharges par un dispositif, fusible ou
interrupteur automatique, avec courant nominal inférieur ou égal à 10 A.
• Le dispositif doit être utilisé exclusivement pour des applications à l’intérieur.
• N’installez pas l’appareil sur une cloison mobile ou qui subit des chocs ou des vibrations.
• Installation recommandée à une hauteur minimale de 1 m du plancher ; si la fonction
d’affluence est utilisée, prévoir l’installation à 1,5 m ou plus, en utilisant le support extérieur
Vimar.
Attention : le dispositif n’est pas adapté au relevé de présence de personnes endormies.
CARACTÉRISTIQUES
• Tension nominale d’alimentation : 100-240 V, 50/60 Hz.
• Puissance maxi absorbée par le réseau : 1,1 W
• Contact en sortie : 24 Vca ou 30 Vcc, 400 mA max (SELV et ELV), ne commande pas les
électroserrures
• Bluetooth technology:
- Puissance RF transmise : < 100 mW (20 dBm)
- Gamme de fréquence : 2400-2483,5 MHz
• Radar UWB:
- Puissance RF transmise : < 1mW (0 dBm)
- Gamme de fréquence : 7,3 à 8,5 GHz
• Capteur de luminosité ambiante pour fonction éclairage crépusculaire (4 seuils sélectionnables
via App)
•Bornes :
- 2 bornes (L et N) de ligne et neutre
- 1 borne (P) pour la connexion à la commande filaire à distance (par exemple pulsante art.
09008). La distance maximale entre un dispositif IoT et le bouton poussoir correspond à
50 m avec un câble ayant une section minimale de 1,5 mm2.
- 2 bornes (OUT) sortie relai du signal libre de potentiel pour les circuits SELV et ELV
• Température de fonctionnement : -10 à +40 °C (à l’intérieur)
NORMAS DE INSTALACIÓN.
• El aparato debe instalarse en cajas de empotrar o de pared con soportes y placas Neve Up.
• La instalación debe realizarse en cajas con profundidad mínima de 48 mm.
• El montaje debe realizarse con la instalación apagada.
• Los bornes OUT están separados con doble aislamiento con respecto a los terminales
L-N-P. No conecte un circuito de tensión de red a los bornes OUT; estos terminales pueden
conectarse a circuitos SELV y ELV según las características indicadas.
• Conecte un cable de doble aislamiento o reforzado tipo 01840.E a los bornes OUT.
• El circuito de alimentación debe estar protegido contra sobrecargas por un dispositivo, fusible
o interruptor automático, con corriente nominal no superior a 10 A.
• El dispositivo solo puede utilizarse para aplicaciones de interior.
• No instalar en paredes móviles o sujetas a golpes y vibraciones.
• Montaje recomendado a una altura mínima de 1 m del suelo; en caso de utilización de la
función Aglomeración, se recomienda el montaje a 1,5 m o más utilizando el soporte externo
Vimar.
Atención: El dispositivo no es adecuado para detectar la presencia de personas que están
durmiendo.
CARACTERÍSTICAS.
• Tensión nominal de alimentación: 100-240 V~, 50/60 Hz.
• Potencia máx. absorbida por la red: 1,1 W
• Contacto en salida: 24 Vca o 30 Vdc, 400 mA máx. (SELV y ELV), no apto para controlar
cerraduras eléctricas
• Bluetooth technology:
- Potencia RF transmitida: < 100 mW (20 dBm)
- Rango de frecuencia: 2400-2483,5 MHz
• Radar UWB:
- Potencia RF transmitida: < 1mW (0 dBm)
- Rango de frecuencia: 7,3÷8,5 GHz
• Sensor de luminosidad ambiental para la función Luz crepuscular (4 umbrales que se pueden
seleccionar con la aplicación)
•Bornes:
- 2 bornes (L y N) para línea y neutro
- 1 borne (P) para la conexión al mando cableado remoto (por ejemplo pulsante art. 09008).
La distancia máxima entre dispositivo IoT y pulsador es de 50 m con cable de sección
mínima de 1,5 mm2.
- 2 bornes (OUT) para salida de relé de señal sin potencial para circuitos SELV y ELV
• Temperatura de funcionamiento: -10 ÷ +40 °C (para interior)