
Viale Vicenza, 14
36063 Marostica VI - Italy
www.vimar.com
xx181 02 2303
LINEA
30181.x
EIKON
20181
20184
ARKÉ
19181
IDEA
16633
16634
PLANA
14181
14184
DEEE - Informations pour les utilisateurs
Le symbole du caisson barré, là où il est reporté sur l’appareil ou
l’emballage, indique que le produit en fin de vie doit être collecté
séparément des autres déchets. Au terme de la durée de vie du
produit, l’utilisateur devra se charger de le remettre à un centre de
collecte séparée ou bien au revendeur lors de l’achat d’un nouve-
au produit. Il est possible de remettre gratuitement, sans obligation
d’achat, les produits à éliminer de dimensions inférieures à 25 cm
aux revendeurs dont la surface de vente est d’au moins 400 m2. La
collecte séparée appropriée pour l’envoi successif de l’appareil en fin
de vie au recyclage, au traitement et à l’élimination dans le respect
de l’environnement contribue à éviter les effets négatifs sur l’environ-
nement et sur la santé et favorise le réemploi et/ou le recyclage des
matériaux dont l’appareil est composé.
Interruptor con sensor de movimiento por infrarrojos
para el encendido de luces, umbral del sensor crepus-
colar y ciclo de temporización regulables, alimenta-
ción 230 V~ 50/60 Hz.
• 30181.x, 20181, 19181, 16633, 14181: salida de relé
NO, 6 A y 230 V~.
• 20184, 16634, 14184: salida de triac para lámparas
incandescentes de 60-300 W.
CAMPO DE APLICACIÓN
Enciende automáticamente los aparatos cuando pasan
personas o animales por el campo de acción del sensor.
CARACTERÍSTICAS
• 30181.x, 20181, 19181, 16633, 14181: salida de relé de
potencia.
• 20184, 16634, 14184: salida de triac, permite conectar
dos hilos en serie a la carga. En instalaciones existentes
puede emplearse en lugar de un interruptor normal
(no requiere conexión al neutro de alimentación, véase
fig. 8).
• Sensor de lectura piroeléctrico y lente de Fresnel con
cobertura volumétrica según se ilustra en la figura 2.
• Sensor crepuscular frontal instalado debajo de la lente
de Fresnel, con umbral de intervención de aproximada-
mente 5 lx con luz diurna, regulable mediante trimmer
frontal (figura 1).
• Temporización desde 15 segundos hasta 10 minutos,
regulable mediante trimmer frontal (figura 1).
• Temperatura de funcionamiento de -5 a +35 °C.
CARGAS QUE SE PUEDEN MANDAR
• 30181.x, 20181, 19181, 16633, 14181
- Cargas puramente resistivas : 6 A.
- Lámparas incandescentes y halógenas : 1000 W.
- Transformadores ferromagnéticos : 1000 VA.
- Transformadores electrónicos : 700 VA.
- Lámparas fluorescentes y fluorescentes compactos:
60 W.
- Lámparas de LED: 60 W; hasta 6 cargas LED conec-
tables.
- Tiras LED: 450 W.
- Motores : 1,8 A cos 0,6.
• 20184, 16634, 14184
- Cargas puramente resistivas : 1,3 A.
- Lámparas incandescentes y halógenas : 60-300 W.
Si se instalan dos interruptores en una misma caja, las
cargas que se pueden mandar desde cada interruptor
han de ser reducidas para que su suma no sea superior
a los valores arriba indicados.
FUNCIONAMIENTO
• El sensor se activa, durante el tiempo configurado y con
RAEE - Información para los usuarios
El símbolo del contenedor tachado, cuando se indica en el aparato o en
el envase, indica que el producto, al final de su vida útil, se debe reco-
ger separado de los demás residuos. Al final del uso, el usuario deberá
encargarse de llevar el producto a un centro de recogida selectiva ade-
cuado o devolvérselo al vendedor con ocasión de la compra de un nue-
vo producto. En las tiendas con una superficie de venta de al menos
400 m2, es posible entregar gratuitamente, sin obligación de compra,
los productos que se deben eliminar con unas dimensiones inferiores
a 25 cm. La recogida selectiva adecuada para proceder posteriormen-
te al reciclaje, al tratamiento y a la eliminación del aparato de manera
compatible con el medio ambiente contribuye a evitar posibles efectos
negativos en el medio ambiente y en la salud y favorece la reutilización
y/o el reciclaje de los materiales de los que se compone el aparato.
luminosidad ambiental inferior a la seleccionada, si un
cuerpo caliente atraviesa el radio de acción.
• Cuando se alimenta por primera vez o tras una interrup-
ción de red, la salida se activa durante el tiempo de pre-
calentamiento (warm-up) del sensor (aproximadamente
10 s) más el tiempo configurado de retraso al apagado.
• El aparato se ha configurado en “re-trigger mode”: si
durante la temporización el sensor de movimiento detec-
ta que un cuerpo caliente pasa de nuevo, el cálculo se
pone a cero y la temporización empieza otra vez.
• Al término de cada temporización, la señal del sensor de
movimiento se ignora durante dos segundos aproxima-
damente.
CONEXIONES
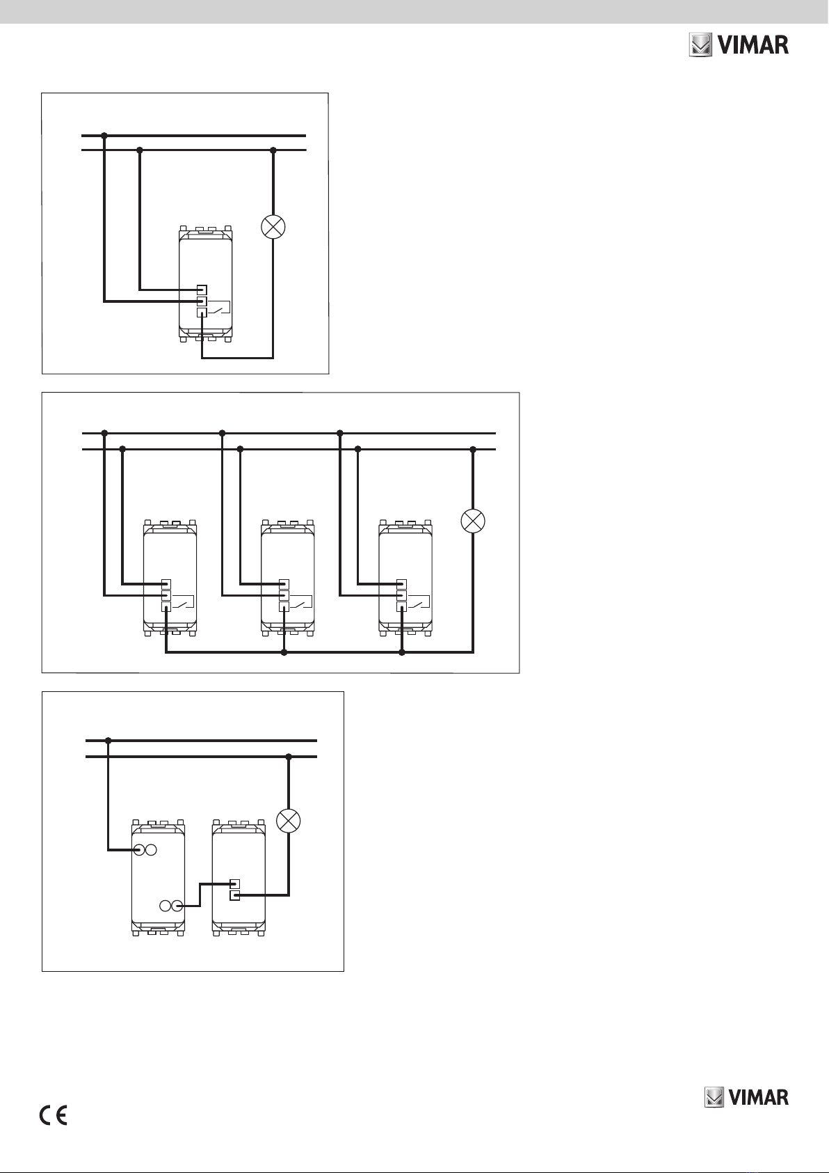
• 30181.x, 20181, 19181, 16633, 14181
- Conectar el aparato de la manera ilustrada en la
figura 6. El circuito de alimentación (L-N) se ha de
proteger contra las sobrecargas mediante un dispo-
sitivo, fusible o interruptor automático, con corriente
nominal inferior a 10 A.
- Se pueden utilizar varios interruptores de rayos infra-
rrojos en paralelo para mandar una o varias lámparas
(figura 7).
- Se pueden realizar “by-pass” o interrumpir el circuito
de salida con normales interruptores electromecá-
nicos.
• 20184, 16634, 14184
- Conectar el aparato de la manera ilustrada en la
figura 8 con un portafusibles (cód. 20416, 16460,
14416) con fusible rápido de alto poder de corte de
tipo F2AH 250 V~ (07050.HF.2).
INSTALACIÓN
• Para la instalación en el interior.
• Instalación empotrada: 1,1-1,2 m del suelo (figura 3)
mediante soportes orientables con posibilidad de ins-
talación empotrada (figura 4) y de superficie (figura 5).
• Para orientar correctamente el aparato en caso
de montarse sobre un soporte orientable, durante
la instalación, regular el umbral de la intervención
crepuscular al fondo escala (día): de esta manera, se
inhabilita el funcionamiento del sensor crepuscular.
• Durante la instalación:
- No colocar el aparato detrás de superficies acristala-
das y no someterlo a choques o vibraciones mecáni-
cas.
- No oscurecer con objetos la cobertura volumétrica
del sensor de movimiento.
- No exponer el sensor de movimiento a la luz de lám-
paras o a la luz solar directa.
- No exponer el sensor de movimiento a la acción
directa de fuentes de calor ni dirigirlo hacia éstas.
• El aparato no se puede instalar en:
- ambientes con cambios bruscos de temperatura.
- ambientes con elevada humedad.
- ambientes con presencia de gases, fluidos corrosivos
o aire marino.
- ambientes con polvo.
Advertencias para el interruptor 20184, 16634,
14184
- No conectar varios interruptores en serie o en parale-
lo entre sí.
- El cambio no es probable que un comando de
apoyo de relé.
- No superar nunca la potencia nominal.
- No exponer el interruptor a fuentes de calor.
- El interruptor 20184, 16634, 14184 no posee inte-
rrupción mecánica en el circuito principal y, por lo
tanto, no proporciona separación galvánica. El circui-
to del lado de carga debe considerarse siempre bajo
tensión.
- Un ligero zumbido en el interruptor 20184, 16634,
14184 es debido a la presencia del filtro LC previsto
por la normativa de eliminación de perturbaciones.
- Las sobrecargas, los arcos eléctricos y los cortocir-
cuitos pueden dañar irreparablemente el interruptor.
Antes de instalarlo, hay que controlar atentamente el
circuito y eliminar dichos defectos.
NORMAS DE INSTALACIÓN
La instalación debe ser realizada por personal cualificado
cumpliendo con las disposiciones en vigor que regulan el
montaje del material eléctrico en el país donde se instalen
los productos.
CONFORMIDAD NORMATIVA
Directiva BT. Directiva EMC. Norma EN 60669-2-1.
Reglamento REACH (UE) n. 1907/2006 – art.33. El
producto puede contener trazas de plomo.
Schalter mit IR-Bewegungsmelder für
Lichteinschaltung, Dämmerungseingriffschwelle
des Sensors und einstellbare Zeitschaltuhr,
Spannungsversorgung 230 V~ 50/60 Hz.
• 30181.x, 20181, 19181, 16633, 14181: Relaisausgang
NO 6 A 230 V~.
• 20184, 16634, 14184: Triac-Ausgang für Glühlampen
60-300 W.
ANWENDUNGSBEREICH
Automatische Steuerung der Einschaltung von Geräten beim
Eintritt von Personen oder Tieren in den Wirkungsbereich
des Sensors.
EIGENSCHAFTEN
• 30181.x, 20181, 19181, 16633, 14181:
Leistungsrelaisausgang.
• 20184, 16634, 14184, : Triac-Ausgang für Anschluss
an Last mit zwei Leitern in Reihenschaltung. Bei beste-
henden Anlagen kann der Schalter anstelle eines
Standardschalters installiert werden (der Anschluss an
den Neutralleiter der Versorgung ist nicht erforderlich;
siehe Abb. 8).
• Pyroelektrischer Erfassungssensor und Fresnel-Linse mit
Überwachungsbereich wie in Abb. 2.
• Frontseitig angebrachter Dämmerungssensor
mit Positionierung unter der Fresnel-Linse und
Auslösestromgrenze ab ca. 5 lx bis “Tageslicht”, die über
den frontseitigen Trimmer einstellbar ist (Abb. 1).
• Timer-Zyklus ab ca. 15 s bis ca. 10 min, der über den
frontseitigen Trimmer einstellbar ist (Abb. 1).
• Betriebstemperatur: -5 - +35 °C.
REGELBARE LASTEN
• 30181.x, 20181, 19181, 16633, 14181
- Reine Widerstandslasten : 6 A.
- Glüh- und Halogenlampen : 1000 W.
- Ferromagnet-Transformatoren : 1000 VA.
- Elektronische Transformatoren : 700 VA.
- Leuchtstofflampen und kompakte Leuchtstofflampen:
60 W.
- LED-Lampen: 60 W; bis zu 6 anschließbare LED-
Lasten.
- LED-Streifen: 450 W.
- Motoren : 1,8 A cos 0,6.
exécutée conformément aux dispositions qui régissent
l’installation du matériel électrique en vigueur dans le pays
concerné.
CONFORMITÉ AUX NORMES
Directive BT. Directive EMC.
Norme EN 60669-2-1.
Règlement REACH (EU) n° 1907/2006 – art.33. Le produit
pourrait contenir des traces de plomb.