
affjaxx.com
2
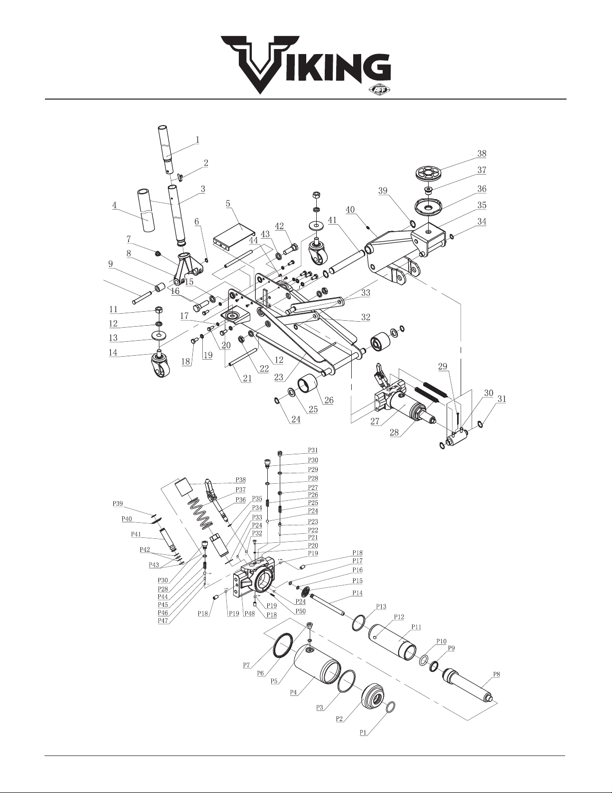
GENERAL DESCRIPTION
SAFETY INFORMATION
PRODUCT DESCRIPTION
The hydraulic trolley jack is designed to lift, but not support, one end of a vehicle.
Immediately after lifting, loads must be supported by a pair of appropriately rated jack stands.
Capacity 3.5 TON
Minimum Height 4.75"
Maximum Height 18"
Length 27.25"
Weight 68.2 lbs
2.1 Locate the jack in a suitable working area.
2.2 Inspect the jack before each use. Do not use jack if damaged, altered, modified, in poor condition, leaking hydraulic fluid,
or unstable due to loose or missing hardware or parts. Make corrections before using.
2.3 Use jack on level and solid ground, preferably concrete. Avoid tar macadam as jack may sink in. Chock wheels of vehicle.
2.4 Ensure the vehicle handbrake is engaged, engine is switched off, and transmission is in gear (or “PARK” if automatic).
2.5 Ensure minimum distance of 0.5 m between vehicle and static objects such as doors, walls, etc., to allow for vehicle tilting.
2.6 Ensure all non-essential persons keep a safe distance while the jack is in use.
2.7 Do not exceed the rated capacity of the jack.
2.8 Place jack under only those lifting points recommended by vehicle manufacturer (see vehicle handbook)
2.9 Check that the lifting point is stable and centered on the jack saddle.
2.10 Ensure the jack wheels are free to move and that there are no obstructions.
DANGER: Use the jack for lifting only
2.11 Ensure there are no persons or obstructions beneath the vehicle before lowering.
2.12 Use suitable axle stands under the vehicle before proceeding with any task.
2.13 Use a qualified person to lubricate and maintain the jack.
2.14 Wear ANSI-approved safety goggles and heavy-duty working gloves during use.
2.15 Ensure that only hydraulic jack oil is used in the jack.
DO NOT operate the jack if damaged.
DO NOT allow untrained persons to operate the jack.
DO NOT exceed the rated capacity of the jack.
DO NOT allow the vehicle to move during lifting or lowering or use the jack to move the vehicle.
DO NOT jack the vehicle if there is a risk of spillage of fuel, battery acid, or other dangerous substances.
DO NOT work under the vehicle until appropriately supported.
DO NOT fill hydraulic system with brake fluid, alcohol, or transmission oil. Use hydraulic jack oil only.
DO NOT adjust the safety overload valve.
DO NOT use for aircraft purposes.
2.16 When not in use, store the jack, fully lowered, in a safe, dry, childproof location.
The warnings, precautions, and instructions discussed in this manual cannot cover all possible conditions and
situations that may occur. The operator must understand that common sense and caution are factors which cannot be
built into this product, but must be supplied by the operator.
Important: Read these instructions carefully. NOTE THE SAFE OPERATIONAL REQUIREMENTS, WARNINGS, AND
CAUTIONS. USE THIS JACK CORRECTLY AND WITH CARE FOR THE PURPOSE FOR WHICH IT IS INTENDED. Failure to do
so may cause damage or personal injury and will invalidate the warranty. Retain THESE INSTRUCTIONS for future use.
To avoid personal injury or property damage during operation, read and follow all CAUTIONS, WARNINGS, and INSTRUCTIONS
included with, or attached to, each product.