
DS 1150-001A LBT 8932
Area tecnica
servizio clienti +39 011.23.39.810
http://www.urmet.com
MADE IN CHINA
URMET S.p.A.
10154 TORINO (ITALY)
VIA BOLOGNA 188/C
Telef. +39 011.24.00.000 (RIC. AUT.)
Fax +39 011.24.00.300 - 323
SISTEMA CHIAMATA ELETTRONICA
ELECTRONIC CALL SYSTEM
SYSTÈME AVE APPEL ÉLECTRONIQUE
SISTEMA DE LLAMADA ELECTRONICA
SYSTEM MIT ELEKTRONISCHEM RUFTON
SC101-1464A
2 -
1A
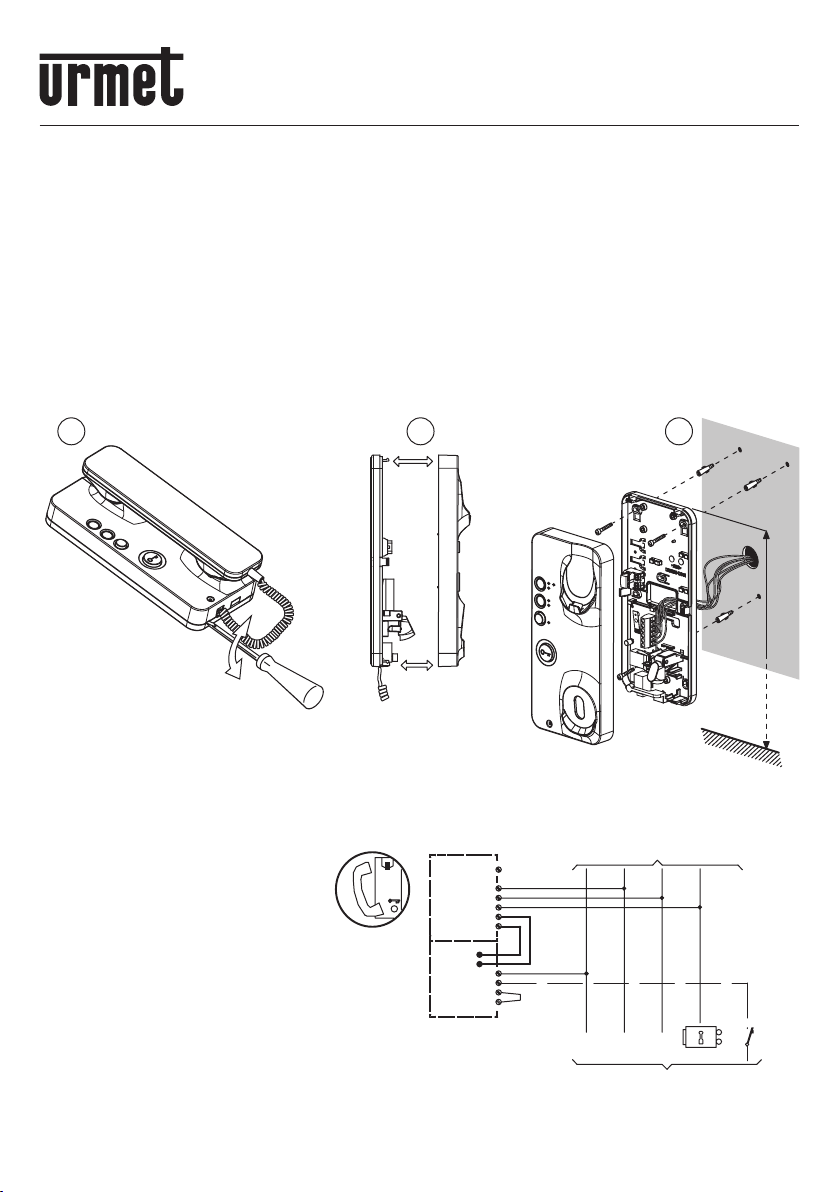
9
10
CA
6
2
1
AI CITOFONI SUCCESSIVI
TO FOLLOWING DOOR PHONES
AUX PHONES SUIVANTS
A LOS INTERFONO SUCESIVOS
ZU DEN FOLGENDEN SPRECHANLAGE
DALLA COLONNA MONTANTE
FROM RISER
DE LA COLONNE MONTANTE
DE LA COLUMNA MONTANTE
VON DER STEIGLEIGTUNG
ITALIANO DIRETTIVA 2012/19/UE DEL PARLAMENTO EUROPEO E DEL CONSIGLIO del 4 luglio 2012 sui rifiuti
di apparecchiature elettriche ed elettroniche (RAEE)
Il simbolo del cassonetto barrato riportato sull’apparecchiatura o sulla sua confezione indica che il prodotto alla
fine della propria vita utile deve essere raccolto separatamente dagli altri rifiuti.
L’utente dovrà, pertanto, conferire l’apparecchiatura giunta a fine vita agli idonei centri comunali di raccolta
differenziata dei rifiuti elettrotecnici ed elettronici.
In alternativa alla gestione autonoma è possibile consegnare l’apparecchiatura che si desidera smaltire al
rivenditore, al momento dell’acquisto di una nuova apparecchiatura di tipo equivalente.
Presso i rivenditori di prodotti elettronici con superficie di vendita di almeno 400 m2è inoltre possibile consegnare
gratuitamente, senza obbligo di acquisto, i prodotti elettronici da smaltire con dimensione massima inferiore a 25 cm.
L’adeguata raccolta differenziata per l’avvio successivo dell’apparecchiatura dismessa al riciclaggio, al trattamento e allo
smaltimento ambientalmente compatibile contribuisce ad evitare possibili effetti negativi sull’ambiente e sulla salute e
favorisce il reimpiego e/o riciclo dei materiali di cui è composta l’apparecchiatura.
ENGLISH DIRECTIVE 2012/19/EU OF THE EUROPEAN PARLIAMENT AND OF THE COUNCIL of 4 July 2012 on
waste electrical and electronic equipment (WEEE)
The symbol of the crossed-out wheeled bin on the product or on its packaging indicates that this product must not be
disposed of with your other household waste.
Instead, it is your responsibility to dispose of your waste equipment by handing it over to a designated collection point for
the recycling of waste electrical and electronic equipment.
The separate collection and recycling of your waste equipment at the time of disposal will help to conserve natural resources
and ensure that it is recycled in a manner that protects human health and the environment.
For more information about where you can drop off your waste equipment for recycling, please contact your local city
office, your household waste disposal service or the shop where you purchased the product.