
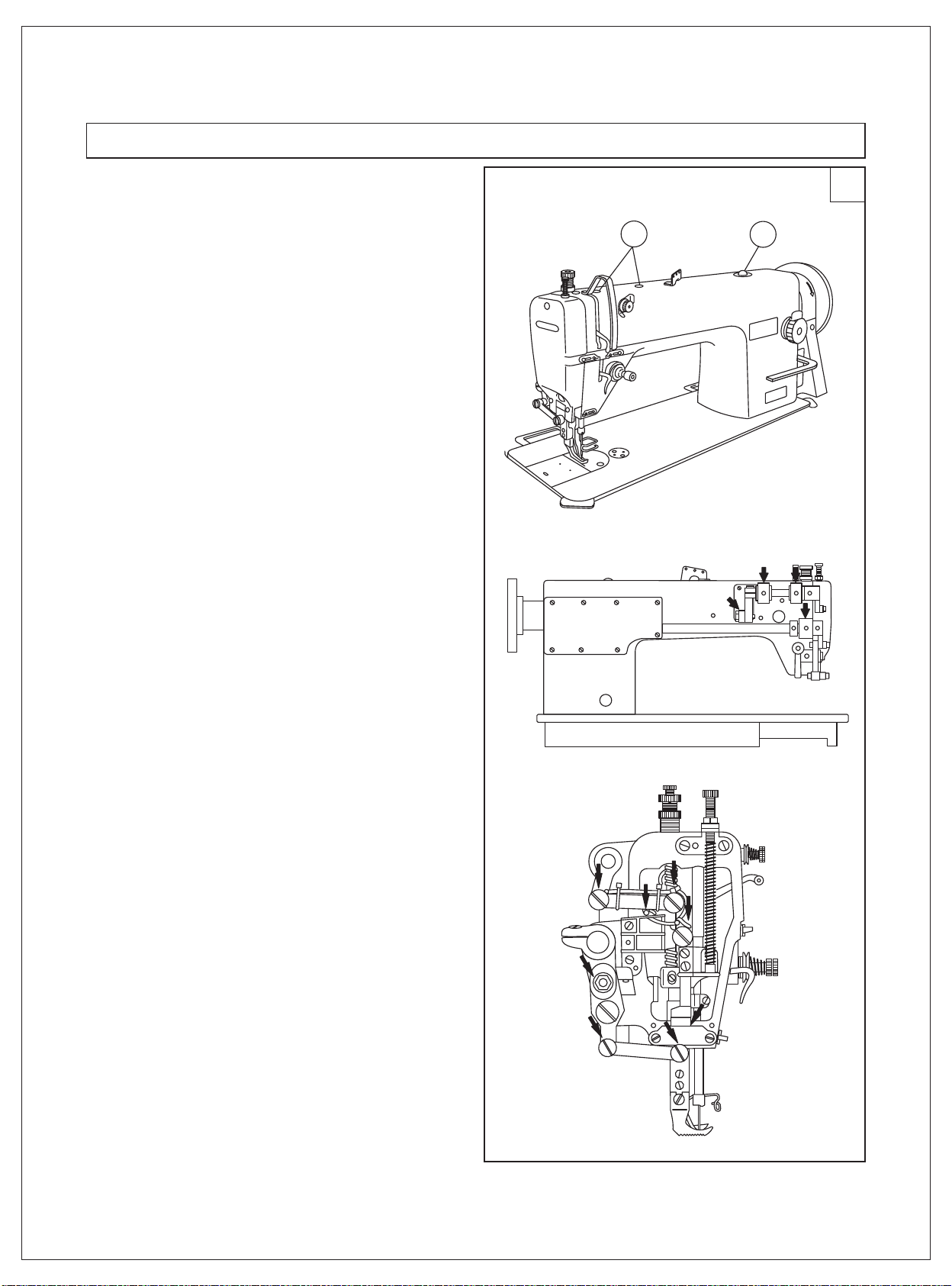
When threading the needle thread, raise the needle
bar to its highest position, lead the thread from the spool
and pass it in the order instructed.
(1) Lead the thread down through the three-eye
①
thread guide on the top.
(2) Pass down thru the left hole of thread re-
tainer , then down thru the lower hole of thread
②
retainer .
②
③
(3)Pass down thru between the two tension disc
④
(4)Pass up thru the hook of thread take-up spring .
⑥
⑤
thru thread regulator , thru thread guide and up
.
⑦
thru the hole of thread take-up lever
⑨
⑧
(5) Down thru thread guide , , and needle
bar thread guide , then pass the thread from the
⑩
left thru the eye of needle , draw out the thread
○
approx 100mm from the needle eye.
When drawing the bobbin thread, hold the tip
of the needle thread by hand, turn the balance
wheel to lower the needle bar and then to lift it to
its highest position. Pull the needle thread and then
the bobbin thread is drawn up. put the tips of the
needle and bobbin thread toward front under the
presser foot.
.
.
.
.
.
.
The wound bobbin thread should be neat and
tight. If not, adjust the thread tension by turning
tension stud thumb nut of the bobbin winder tension
bracket (A). If the wound bobbin is not neat, tension
bracket(C)can be moved to be adjusted. When adjusting,
loosen screw(B)first, then move the bracket leftward or
rightward if the thread is wound to one side as shown in
Fig.15(6), move the tension bracket rightward, while if
the thread is wound to one side as shown in Fig.15(C),
move the tension bracket leftward until the thread is
wound neatly as shown in Fig.15(a),tighten screw(B).
Note: Nylon or polyester thread should be
wound with light tension. otherwise bobbin (D) might be
broken or deformed.
Don't overfill the bobbin, because it make its
thread loosening down from the bobbin. The
optimum capacity of thread will fill about 80% of
bobbin outside diameter, and this can be adjusted by
stop latch screw(E).
.
.
14.Winding adjustment (Fig 12)
13.Threading the needle thread (Fig 11)
12
11
-6-
1
2
3
5
9
10
11
4
8
6
7
A
a b c d
B
C
D
E
11