
Installation / Operation Manual
Table of Contents
Introduction................................................................................................................................................................................... 5
Specifications ............................................................................................................................................................................... 5
Percent Water Set Point ............................................................................................................................................................... 6
Time Delay ................................................................................................................................................................................... 6
Analog Output............................................................................................................................................................................... 6
4728.............................................................................................................................................................................................. 7
Model 4528 Detector – Types A, B, and C ................................................................................................................................... 8
Wiring Diagram............................................................................................................................................................................. 9
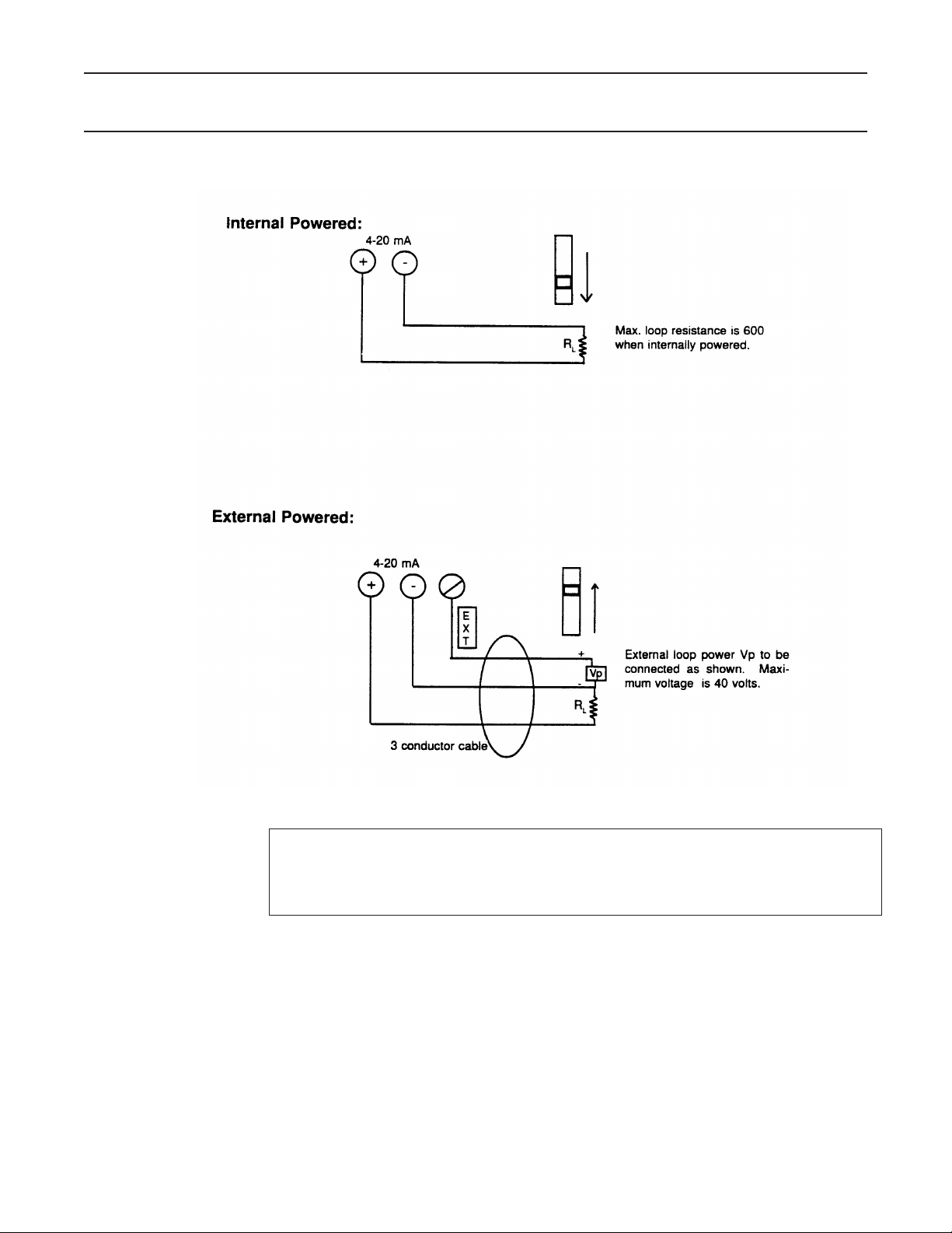
4-20 mA Loop ............................................................................................................................................................................. 10
Internal Powered................................................................................................................................................................. 10
External Powered................................................................................................................................................................ 10
Typical Applications .................................................................................................................................................................... 12
Typical Tank Flow Diagram......................................................................................................................................................... 13
Detector Calibration – 4528 0-5 VDE Output ............................................................................................................................. 14
Detector Calibration – 4528-X A with 4-20mA Module Mounted "Piggy Back" on Detector Card............................................... 15
Detector Information – Type B and C ......................................................................................................................................... 17
Installation Hints ......................................................................................................................................................................... 17
Troubleshooting.......................................................................................................................................................................... 18
Recommended Spare Parts ....................................................................................................................................................... 18
4728 with Explosion-proof Enclosure – Dimensional Drawing ................................................................................................... 19
4728 with Weather-proof Enclosure – Dimensional Drawing ..................................................................................................... 20
CX-645 Probe – Dimensional Drawing....................................................................................................................................... 21