
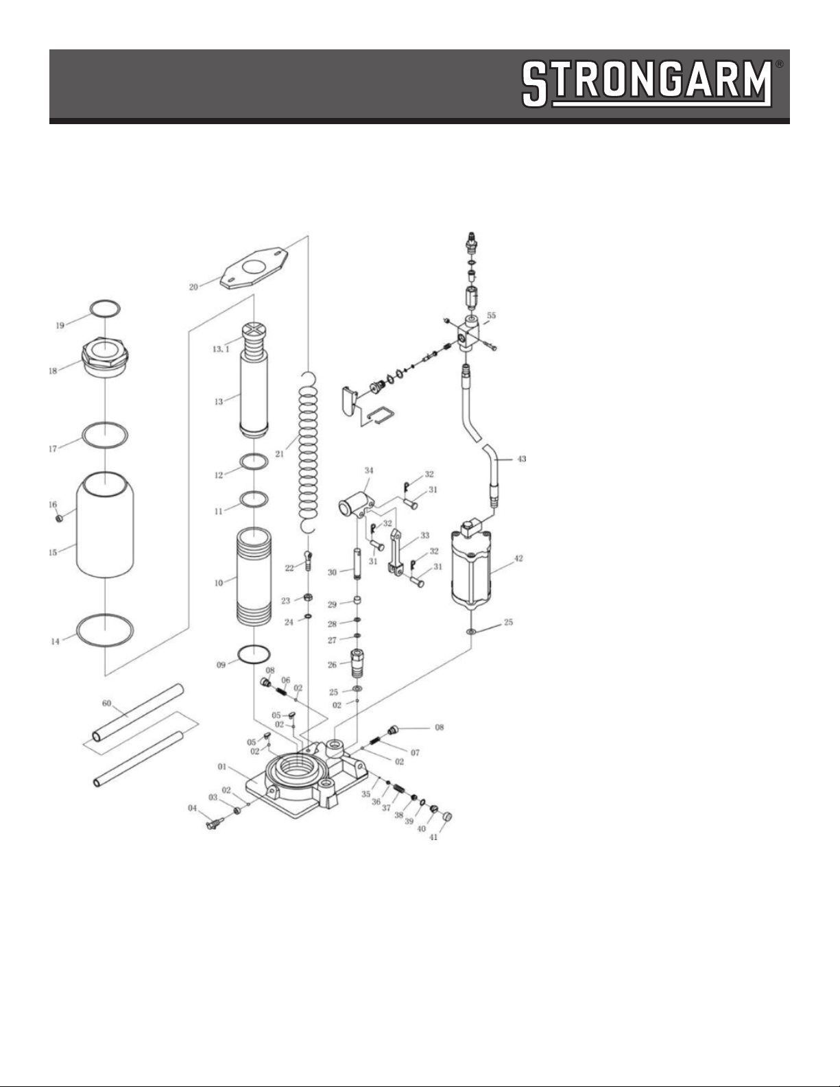
MAINTENANCE
2. Maintenance
2.1 Clean the outside of the jack with dry, clean and soft cloth and periodically lubricate the joints,
extension screw and all moving parts with a light oil as needed.
DO NOT APPLY LUBRICANT TO SADDLE.
2.2 When not in use, store the jack in a dry location with ram and extension screw fully lowered.
2.3 Purge the hydraulic system to eliminate any air in the system if jack efficiency drops or jack
doesn’t work:
2.3.1 If manual operation performs poorly, use the slotted end of the handle to turn the
release valve 1-1/2 turns counterclockwise and remove the oil filler plug by gently
pulling, insert the handle into the handle bracket and pump it 10 to 15 times, then
replace the filler plug.
2.3.2 If air operation performs poorly, connect the air inlet fitting to air source, use the slotted
end of the handle to turn the release valve 1-1/2 turns counterclockwise and remove
the oil filler plug by gently pulling, turn on the air valve to let the pump work for one
minute, then replace the filler plug.
2.4 Check the hydraulic oil: place the jack in an upright position, lower the ram completely and
remove the filler plug, if it is not adequate, fill with high quality hydraulic jack oil to the lower
rim of the fill hole, purge away air from the hydraulic system as described in 2.3, top off with
more hydraulic oil, then replace the filler plug.
2.5 For best performance and longest life, replace the complete jack oil at least once per year:
With the ram fully lowered, remove the oil filler plug, lay the jack on its side and drain the
oil into a suitable container, then fill with high quality hydraulic jack oil as described in 2.4,
reinstall the filler plug.
NOTE: Dispose of hydraulic oil in accordance with local regulations.
2.6 It is recommended that an annual inspection be done by qualified technicians.
TROublEShOOTING
Symptom Possible Causes Corrective Action
Jack will not lift load Release valve not tightly closed Close release valve firmly
Overload condition Remedy overload condition
Air supply inadequate Ensure adequate air supply
Air trapped in system Purge away air from system
Jack will lift, but will not maintain
pressure
Release valve not tightly closed Close release valve firmly
Overload condition Remedy overload condition
Hydraulic unit malfunction Contact your local service centre
Will not lower after unloading Reservoir overfilled Drain oil to proper level
Linkages binding Clean and lubricate moving parts
Poor lift performance Hydraulic oil level low Add oil to proper level
Air trapped in system Purge away air from system
!
!
4