L
R
BUS AUDIO IN
AUDIO OUT
FRONT
AUDIO OUT
REAR*2BUS
CONTROL IN
REMOTE
IN
2
4
5
6
7
1
3
AUDIO
OUT
REAR
AUDIO
OUT
FRONT
BUS
AUDIO
IN
©2005 Sony Corporation Printed in Thailand
2-653-155-51 (1)
Précautions
• Cet appareil est exclusivement conçu pour fonctionner
sur une tension de 12 V CC avec masse négative.
• Évitez de fixer des vis sur les câbles ou de coincer
ceux-ci dans des pièces mobiles (par exemple, armature
de siège).
• Avant d’effectuer les raccordements, coupez le moteur
pour éviter un court-circuit.
• Raccordez les câbles d’entrée d’alimentation jaune et
rouge seulement après avoir terminé tous les autres
raccordements.
• Rassemblez tous les câbles de terre en un
point de masse commun.
• Pour des raisons de sécurité, veillez à isoler avec du
ruban isolant tout câble libre non raccordé.
• L’utilisation d’instruments optiques avec ce produit
augmente les risques pour les yeux.
Remarques sur le câble d’alimentation (jaune)
• Lorsque cet appareil est raccordé à d’autres éléments
stéréo, la valeur nominale raccordée du circuit utilisé
de la voiture doit être supérieure à la somme des
fusibles de chaque élément.
• Si aucun circuit de la voiture n’est assez puissant,
raccordez directement l’appareil à la batterie.
Liste des composants
• Les numéros de la liste correspondent à ceux des
instructions.
• Le support et le tour de protection sont fixés à
l’appareil en usine. Avant le montage de l’appareil,
utilisez les clés de déblocage pour détacher le
support et le tour de protection de l’appareil.
Pour de plus amples informations, reportez-vous à la
section « Retrait du tour de protection et du support
() » au verso.
• Conservez les clés de déblocage pour
une utilisation ultérieure car vous en aurez
également besoin pour retirer l’appareil de
votre véhicule.
Attention
Manipulez précautionneusement le support pour
éviter de vous blesser aux doigts.
Remarque
Avant l’installation, assurez-vous que les loquets des deux côtés
du support sont bien pliés de 2 mm (3/32 po) vers l’intérieur. Si
les loquets sont droits ou pliés vers l’extérieur, l’appareil ne peut
pas être fixé solidement et peut se détacher.
Cautions
• This unit is designed for negative ground 12 V DC
operation only.
• Do not get the leads under a screw, or caught in moving
parts (e.g. seat railing).
• Before making connections, turn the car ignition off to
avoid short circuits.
• Connect the yellow and red power input leads only
after all other leads have been connected.
• Run all ground leads to a common ground
point.
• Be sure to insulate any loose unconnected leads with
electrical tape for safety.
• The use of optical instruments with this product will
increase eye hazard.
Notes on the power supply lead (yellow)
• When connecting this unit in combination with other
stereo components, the connected car circuit’s rating
must be higher than the sum of each component’s fuse.
• When no car circuits are rated high enough, connect
the unit directly to the battery.
Parts Iist
• The numbers in the list are keyed to those in the
instructions.
• The bracket and the protection collar are
attached to the unit before shipping. Before mounting
the unit, use the release keys to remove the bracket
and the protection collar from the unit. For
details, see “Removing the protection collar and the
bracket ()” on the reverse side of the sheet.
• Keep the release keys for future use as they
are also necessary if you remove the unit from
your car.
Caution
Handle the bracket carefully to avoid injuring your
fingers.
Note
Before installing, make sure that the catches on both sides of
the bracket are bent inwards 2 mm (3/32 in). If the catches are
straight or bent outwards, the unit will not be installed securely
and may spring out.
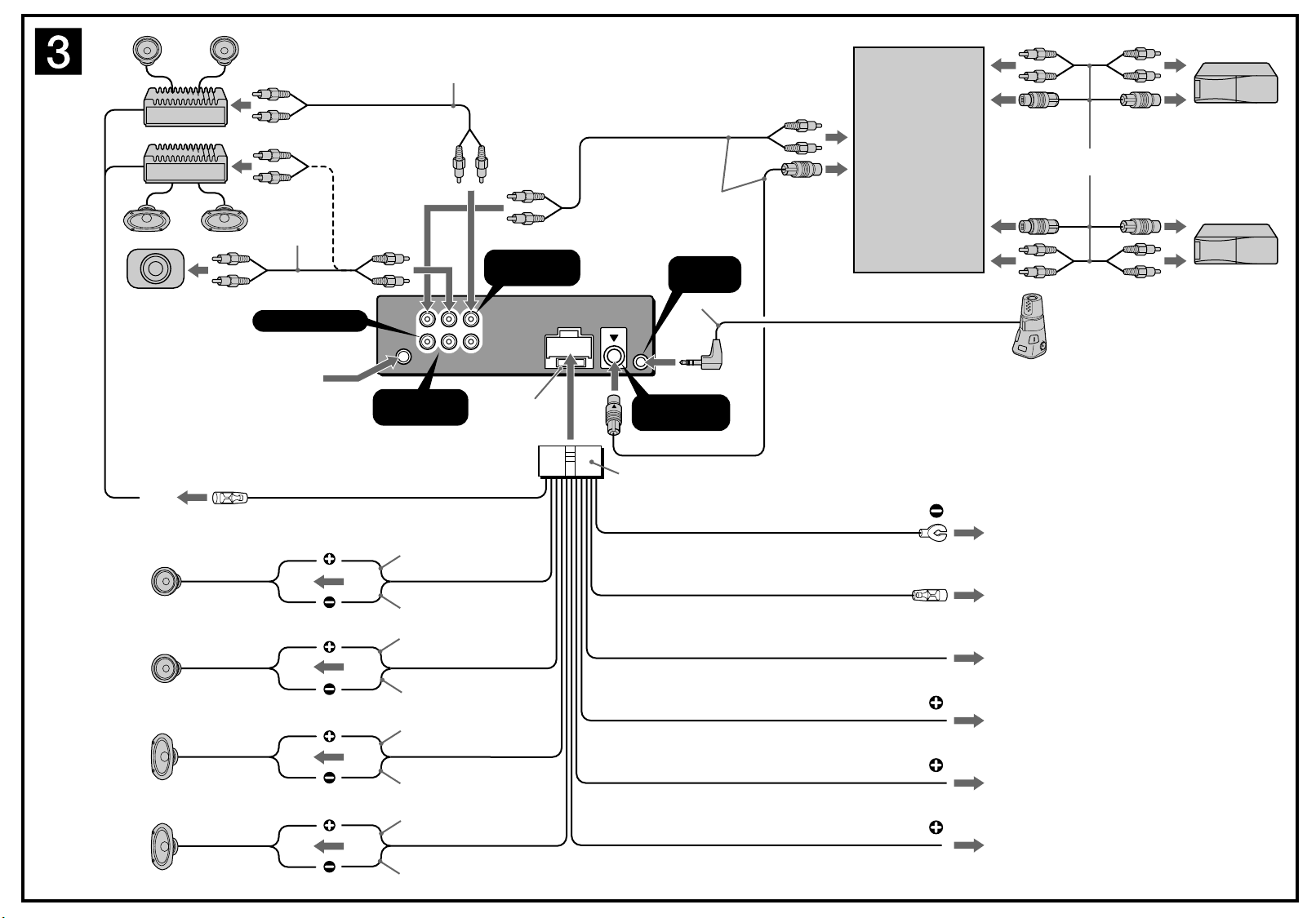
Exemple de raccordement
Remarques (-A)
•Raccordez d’abord le câble de mise à la masse avant de
raccorder l’amplificateur.
•L’alarme est émise uniquement lorsque l’amplificateur intégré
est utilisé.
Conseil (-B-)
Dans le cas du raccordement de deux changeurs de CD/MD ou
plus, le sélecteur de source XA-C30 (non fourni) est requis.
Schéma de raccordement
À un point métallique de la voiture
Branchez d’abord le fil de masse noir et, ensuite, les fils
d’entrée d’alimentation rayé orange/blanc, jaune, et rouge.
Vers le câble de commande d’antenne
électrique ou le câble d’alimentation de
l’amplificateur d’antenne
Remarques
•Il n’est pas nécessaire de raccorder ce câble s’il n’y a pas
d’antenne électrique ni d’amplificateur d’antenne, ou avec
une antenne télescopique manuelle.
•Si votre voiture est équipée d’une antenne FM/AM
intégrée dans la vitre arrière/latérale, voir « Remarques
sur les câbles de commande et d’alimentation ».
Au niveau de AMP REMOTE IN de
l’amplificateur de puissance en option
Ce raccordement s’applique uniquement aux amplificateurs.
Le branchement de tout autre système risque
d’endommager l’appareil.
Vers le cordon de liaison d’un téléphone de
voiture
Vers le connecteur du signal d’éclairage de
la voiture
Raccordez d’abord le câble de mise à la masse noir à un
point métallique du véhicule.
À la borne +12 V qui est alimentée quand la
clé de contact est sur la position accessoires
Remarques
•S’il n’y a pas de position accessoires, raccordez la borne
d’alimentation (batterie) +12 V qui est alimentée en
permanence.
Raccordez d’abord le câble de mise à la masse noir à un
point métallique du véhicule.
•Si votre voiture est équipée d’une antenne FM/AM
intégrée dans la vitre arrière/latérale, voir « Remarques
sur les câbles de commande et d’alimentation ».
À la borne +12 V qui est alimentée en
permanence
Raccordez d’abord le câble de mise à la masse noir à un
point métallique du véhicule.
Installation/Connections
Installation/Connexions
FM/AM
Compact Disc Player
Connection example
Notes (-A)
•Be sure to connect the ground lead before connecting the
amplifier.
•The alarm will only sound if the built-in amplifier is used.
Tip (-B-)
For connecting two or more CD/MD changers, the source
selector XA-C30 (not supplied) is necessary.
Connection diagram
To a metal surface of the car
First connect the black ground lead, then connect the
orange/white striped, yellow, and red power input leads.
To the power antenna control lead or power
supply lead of antenna booster amplifier
Notes
•It is not necessary to connect this lead if there is no power
antenna or antenna booster, or with a manually-operated
telescopic antenna.
•When your car has a built-in FM/AM antenna in the rear/
side glass, see “Notes on the control and power supply
leads.”
To AMP REMOTE IN of an optional power
amplifier
This connection is only for amplifiers. Connecting any other
system may damage the unit.
To the interface cable of a car telephone
To a car’s illumination signal
Be sure to connect the black ground lead to a metal surface
of the car first.
To the +12 V power terminal which is
energized in the accessory position of the
ignition key switch
Notes
•If there is no accessory position, connect to the +12 V
power (battery) terminal which is energized at all times.
Be sure to connect the black ground lead to a metal
surface of the car first.
•When your car has a built-in FM/AM antenna in the rear/
side glass, see “Notes on the control and power supply
leads.”
To the +12 V power terminal which is
energized at all times
Be sure to connect the black ground lead to a metal surface
of the car first.
×2
Loquet
×4
A
BAMP REM
Max. supply current 0.3 A
Courant max. fourni 0,3 A
Fuse (10 A)
Fusible (10 A)
Blue/white striped
Rayé bleu/blanc
ANT REM
*1
Red
Rouge
Yellow
Jaune
Black
Noir
Blue
Bleu
White
Blanc
Green
Vert
Purple
Mauve
White/black striped
Rayé blanc/noir
Gray/black striped
Rayé gris/noir
Green/black striped
Rayé vert/noir
Gray
Gris
Left
Gauche
Right
Droit
Left
Gauche
Right
Droit
*1RCA pin cord (not supplied)
*2 AUDIO OUT can be switched SUB or
REAR. For details, see the Operating
Instructions.
*3Insert with the cord upwards.
*1Cordon à broche RCA (non fourni)
*2 AUDIO OUT peut être commuté sur SUB
ou REAR. Pour obtenir plus de détails,
reportez-vous au mode d’emploi.
*3Insérez avec le câble vers le haut.
Purple/black striped
Rayé mauve/noir
Equipment used in illustrations (not supplied)
Appareils utilisés dans les illustrations (non fournis)
Rear speaker
Haut-parleur arrière
Front speaker
Haut-parleur avant
Active subwoofer
Caisson de graves actif
Power amplifier
Amplificateur de puissance
Catch
Remarques sur les câbles de commande et d’alimentation
•Le câble de commande d’antenne électrique (bleu) fournit une
alimentation de + 12 V CC lorsque vous mettez la radio sous
tension.
•Lorsque votre voiture est équipée d’une antenne FM/AM
intégrée dans la vitre arrière/latérale, raccordez le câble de
commande d’antenne (bleu) ou l’entrée d’alimentation des
accessoires (rouge) à la borne d’alimentation de l’amplificateur
d’antenne existant. Pour plus de détails, consultez votre
détaillant.
•Une antenne électrique sans boîtier de relais ne peut pas être
utilisée avec cet appareil.
Raccordement pour la conservation de la mémoire
Lorsque le câble d’entrée d’alimentation jaune est raccordé, le
circuit de la mémoire est alimenté en permanence même si la clé
de contact est sur la position d’arrêt.
Remarques sur le raccordement des haut-parleurs
•Avant de raccorder les haut-parleurs, mettez l’appareil hors
tension.
•Utilisez des haut-parleurs ayant une impédance de 4 à 8 ohms
avec une capacité électrique adéquate pour éviter de les
endommager.
•Ne raccordez pas les bornes du système de haut-parleurs au
châssis de la voiture et ne raccordez pas les bornes des haut-
parleurs droit à celles du haut-parleur gauche.
•Ne raccordez pas le câble de mise à la masse de cet appareil
à la borne négative (–) du haut-parleur.
•N’essayez pas de raccorder les haut-parleurs en parallèle.
•Raccordez uniquement des haut-parleurs passifs. Le
raccordement de haut-parleurs actifs (avec amplificateurs
intégrés) aux bornes des haut-parleurs peut endommager
l’appareil.
•Pour éviter tout problème de fonctionnement, n’utilisez pas les
câbles des haut-parleurs intégrés installés dans votre voiture si
l’appareil partage un câble négatif commun (–) pour les haut-
parleurs droit et gauche.
•Ne raccordez pas entre eux les cordons des haut-parleurs de
l’appareil.
Remarque sur le raccordement
Si les haut-parleurs et l’amplificateur ne sont pas raccordés
correctement, le message « FAILURE » s’affiche. Dans ce cas,
assurez-vous que les haut-parleurs et l’amplificateur sont bien
raccordés.
Notes on the control and power supply leads
•The power antenna control lead (blue) supplies +12 V DC
when you turn on the tuner.
•When your car has built-in FM/AM antenna in the rear/side
glass, connect the power antenna control lead (blue) or the
accessory power input lead (red) to the power terminal of the
existing antenna booster. For details, consult your dealer.
•A power antenna without a relay box cannot be used with this
unit.
Memory hold connection
When the yellow power input lead is connected, power will
always be supplied to the memory circuit even when the ignition
switch is turned off.
Notes on speaker connection
•Before connecting the speakers, turn the unit off.
•Use speakers with an impedance of 4 to 8 ohms, and with
adequate power handling capacities to avoid its damage.
•Do not connect the speaker terminals to the car chassis, or
connect the terminals of the right speakers with those of the
left speaker.
•Do not connect the ground lead of this unit to the negative (–)
terminal of the speaker.
•Do not attempt to connect the speakers in parallel.
•Connect only passive speakers. Connecting active speakers
(with built-in amplifiers) to the speaker terminals may damage
the unit.
•To avoid a malfunction, do not use the built-in speaker leads
installed in your car if the unit shares a common negative (–)
lead for the right and left speakers.
•Do not connect the unit’s speaker leads to each other.
Note on connection
If speaker and amplifier are not connected correctly, “FAILURE”
appears in the display. In this case, make sure the speaker and
amplifier are connected correctly.
AUDIO OUT FRONT
AUDIO OUT REAR*
BUSAUDIO IN
BUSCONTROL IN
CD/MD changer
Changeur de CD/MD
*1
Source selector
(not supplied)
Sélecteur de source
(non fourni)
XA-C30
Supplied with the CD/MD changer
Fourni avec le changeur de CD/MD
*3
BUSAUDIO IN
BUSCONTROL IN
Source selector*
Sélecteur de source*
XA-C30
*not supplied
non fourni
Rotary commander RM-X4S
Satellite de commande RM-X4S
Max. supply current 0.1 A
Courant max. fourni 0,1 A
ILLUMINATION
Light blue
Bleu ciel
Orange/white striped
Rayé orange/blanc
ATT
from car antenna
à partir de l’antenne de la voiture
Supplied with XA-C30
Fourni avec le XA-C30
CDX-GT350S
CDX-GT300
*AUDIO OUT SUB/REAR