
For
the
Customers
in
Canada
CAUTION
TO
PREVENT
ELECTRIC
SHOCK,
DO
NOT
USE
THIS
POLARIZED
AC
PLUG
WITH
AN
EXTENSION
CORD,
RECEPTACLE
OR
OTHER
OUTLET
UNLESS
THE
BLADES
CAN
BE
FULLY
INSERTED
TO
PREVENT
BLADE
EXPOSURE.
THIS
APPARATUS
COMPLIES
WITH
THE
CLASS
B
LIMITS
FOR
RADIO
NOISE
EMISSIONS
SET
OUT
IN
RADIO
INTERFERENCE
REGULATIONS.
For
the
Customers
in
Australia
The
following
caution
label
is
located
inside
of
the
unit.
DANGER
DANGER
INVISIBLE
LASER
RADIATION
DE
LESER
RADIATION
WHEN
OPEN
|
INVISIBLE
LORS
D’OUVERTURE
AND
INTERLOCK
AVEC
L’ENCLENCHEMENT
DE
DEFEATED.
AVOID
|
SECURITE
ANNULE.
EVITER
DERECT
EXPOSURE
TO
|L’EXPOSITION
DIRECTE
AU
BEAM.
RAYON.
4-906-403-01
This
Compact
Disc
player
is
classified
as
a
CLASS
1
LASER
product.
The
CLASS
1
LASER
PRODUCT
MARKING
is
located
on
the
rear
exterior.
CLASS
1
LASER
PRODUCT
LUOKAN
1
LASERLAITE
KLASS
1
LASERAPPARAT
SAFETY-RELATED
COMPONENT
WARNING!!
COMPONENTS
IDENTIFIED
BY
MARK
A
OR
DOTTED
LINE
WITH
MARK
A
ON
THE
SCHEMATIC
DIAGRAMS
AND
IN
THE
PARTS
LIST
ARE
CRITICAL
TO
SAFE
OPERATION.
REPLACE
THESE
COMPONENTS
WITH
SONY
PARTS
WHOSE
PART
NUMBERS
APPEAR
AS
SHOWN
IN
THIS
MANUAL
OR
IN
SUPPLEMENTS
PUB-
LISHED
BY
SONY.
TABLE
OF
CONTENTS
Section
Title
Page
SECTION
1.
GENERAL
Identifyingthe:
Parts
e035
i
actesihisivecsteeteaaddiGievk
i
dsear
eh
eer
adesoat
4
SECTION
2.
DISASSEMBLY
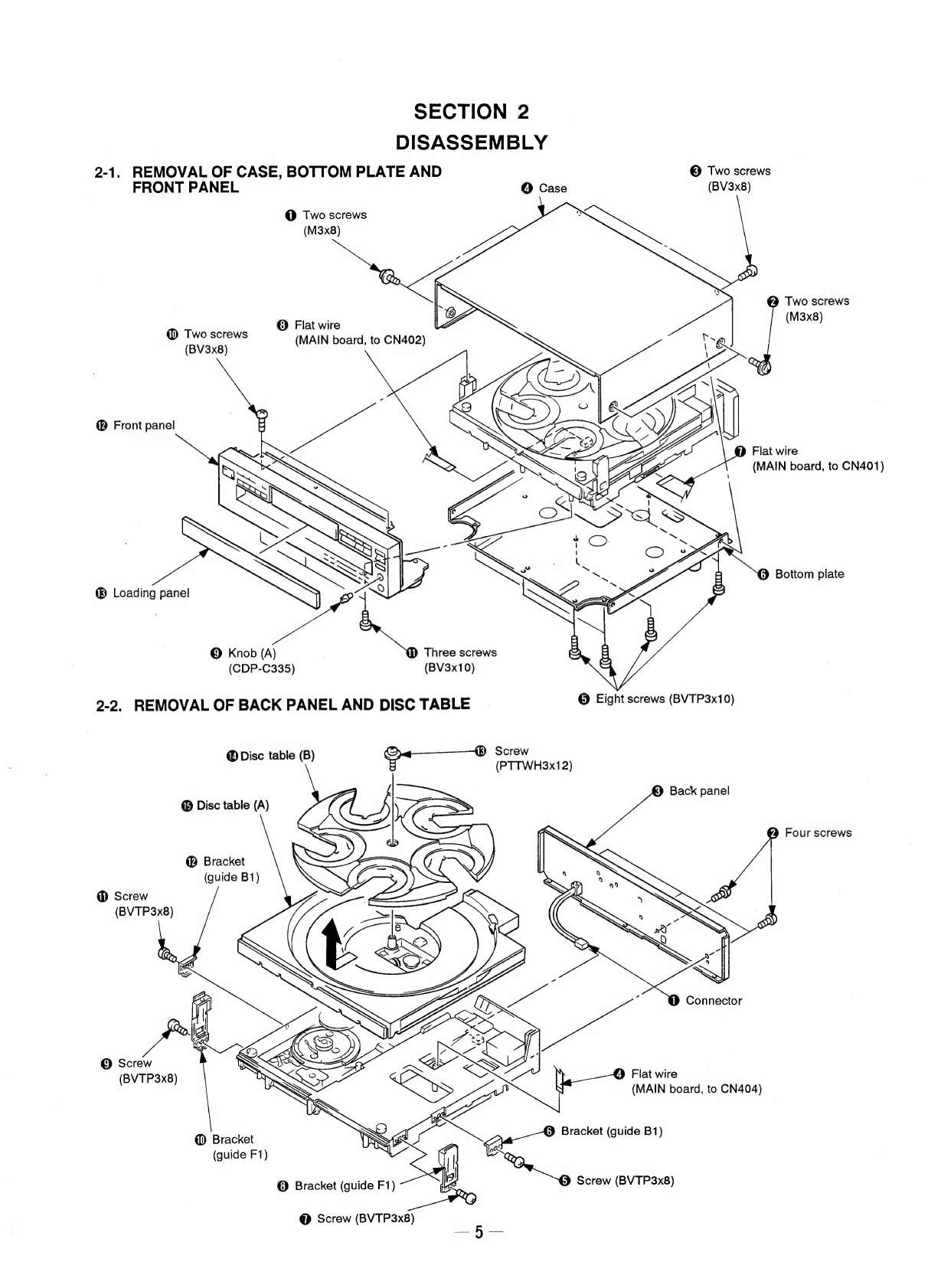
2-1.
Removal
of
Case,
Bottom
Plate
and
Front
Panel
.............scseseee
5
2-2.
Removal
of
Back
Panel
and
Disc
Table
.........cccccccsscessscessesseeeseee
5
2-3.
Removal
of
Optical
Pick-up
Block
Assembly
...........cescseeeeteees
6
2-4.
Removal
of
Bracket
(Gear)
Assembly
.........c.cc:cccscessesseeeseereseeteees
6
SECTION
3.
ELECTRICAL
BLOCK
CHECKING..............
7
SECTION
4.
IC
PIN
FUNCTIONS
00
eee
eee
9
SECTION
5.
DIAGRAMS
§5-1.
Circuit
Boards
Location
oo...
c.ccccccsesscssssscessceccesesesssseuseesevesesseesess
10
5-2.
Semiconductor
Lead
Layouts
.............ccssseecccsssesrsecsseessressesersenes
10
5-3.
Printed
Wiring
Board
..........cccsescsscsssescsssssesssoressesscssessessseeesassnes
11
5-4.
Schematic
Diagram
...........ccccccssecsssssssecsescsssecensessevcetssesesenseseseees
15
5-5.
IC
Block
Diagrams
..........ccscscssssecsssessccscereecsesessssnessssressseeesenes
19
SECTION
6.
EXPLODED
VIEWS
6-1.
Front
Panel
and
Case
ASSemblies
............cccccccsesecesseecessseesecsereenans
21
6-2.
Back
Panel
and
Disc
Table
Assemblies
..............ccccsceerensereeereees
22
6-3.
Chassis
ASSOMDLY
00...
cecseccesseecseeseeateenseccaesesnseesesensassnssesases
23
6-4.
Optical
Pick-up
Block
Assembly
(BU-SBD13)
........sccssseeerens
24
SECTION
7.
ELECTRICAL
PARTS
LIST
................08
25
ATTENTION
AU
COMPOSANT
AYANT
RAPPORT
A
LA
SECURITE!
LES
COMPOSANTS
IDENTIFIES
PAR
UNE
MARQUE
/\
SUR
LES
DIAGRAMMES
SCHEMATIQUES
ET
LA
LISTE
DES
PIECES
SONT
CRITIQUES
POUR
LA
SECURITE
DE
FONCTIONNEMENT.
NE
REMPLACER
CES
COM-
POSANTS
QUE
PAR
DES
PIECES
SONY
DONT
LES
NUMEROS
SONT
DONNES
DANS
CE
MANUEL
OU
DANS
LES
SUPPLEMENTS
PUBLIES
PAR
SONY.