
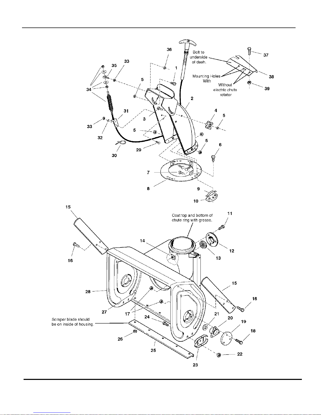
Auger Housing and Chute Group - 24, 28 & 32 inch
Footnotes:
TP 400-5135-2-LF-N
Manual No. 7006080TWO STAGE LARGE FRAME
(2006) SERIES 7 9
Part No Descri
tionItem Qt
Note
1 1921332 2 CAPSCREW, Hex Head, 5/16-18 x 3/4 G5 Uses quantity of 5 on 28”
models and quantity of 6 on 32”
models
2 7072881 1 CHUTE AND DEFLECTOR ASSEMBLY, w/Remote
2 7072850 1 CHUTE AND DEFLECTOR ASSEMBLY, Manual
3 1931335 1 CARRIAGE BOLT, 5/16-18 x 1 G5
4 1670578 1 KNOB, Internal Thread, 5/16
5 1960686 4 NUT, Hex Flange ESNA, 5/16-18 Used quantity of 5 on on 28” &
32” models
6 1960001 3 SCREW, Hex Washer Head Pastite, 10-14 x 5/8
7 1960282 1 CARRIAGE BOLT, 5/16-18 x 3/4
8 1726958A 1 RING AND TABS ASSEMBLY, Gear
9 1667865 3 SPRING, Flat
10 1666613 3 HOLD DOWN, Chute
11 1960738 3 CAPSCREW, Hex Head Whiz Lock, 5/16-18 x 5/8 G5
12 1665982A 1 RETAINER, Bearing
13 1729578 1 BEARING, Ball
14 1930659 3 NUT, Retainer Speed, 5/16-18
15 1729642D 2 CUTTER, Drift, 1/4” Thick, 20LG Used on 28” & 32” models
16 1664847 1 CAPSCREW, Hex Head Taptite, 5/16-18 x 3/4 G5 Uses quantity of 2 on 38” models
17 1931277 6 NUT, Hex Keps, 5/16-18, Conical Washer
18 1923325 6 CAPSCREW, Hex Head 5/16-18 x 7/8 G5
19 1668639D 2 CAP, Bearing, 3-3/4OD
20 1665980 2 BEARING, Flange
21 1663189 2 SPACER, Low
22 1960687 4 NUT, Hex Flange 3/8-16 ESNA
23 1727854D 2 SKID SHOE, Reversible
24 1960711 4 CARRIAGE BOLT, 3/8-16 x 3/4 G5
25 1709946A 1 BLADE, Scraper, 24” Used on 24” models
25 1709947A 1 BLADE, Scraper, 28” Used on 28” models
25 1709948A 1 BLADE, Scraper, 32” Used on 32” models
26 1935048 5 NUT, Hex Flange, 5/16-18, Two-Way Lock GA Uses quantity of 7 on 32” models
27 1960699 5 CARRIAGE BOLT, 5/16-18 x 5/8 G5 Uses quantity of 7 on 32” models
28 1729724D 1 HOUSING AND IMPELLER ASSEMBLY, 24” Used on 24” models
28 1729726D 1 HOUSING AND IMPELLER ASSEMBLY, 28” Used on 28” models
28 1729728D 1 HOUSING AND IMPELLER ASSEMBLY, 32” Used on 32” models
29 1960252 2 CARRIAGE BOLT, 1/4-20 x 5/8 G5 Used on 38” models
30 2825094 1 TIE, Self Locking
31 7032813 1 MOUNT, Cable Used on 38” models
32 1921880 2 LOCKWASHER, External Tooth, 1/4 Used on 38” models