
CONTENTS
1. Outline of machine
1-1 Appearance .......................................................................................................... 1
1-2 Features ............................................................................................................... 1
1-3 Specification ........................................................................................................ 2
1-4 External view ....................................................................................................... 3
2. Installation and preparation
2-1 Transportation of the machine ............................................................................. 4
2-2 Inspection an cleaning ....................................................................................... 5
2-3 Storage an installation ....................................................................................... 5
2-4 Maintenance an inspection .................................................................................. 5
2-5 Cutting oil .............................................................................................................. 6
2-6 Wiring .................................................................................................................... 6
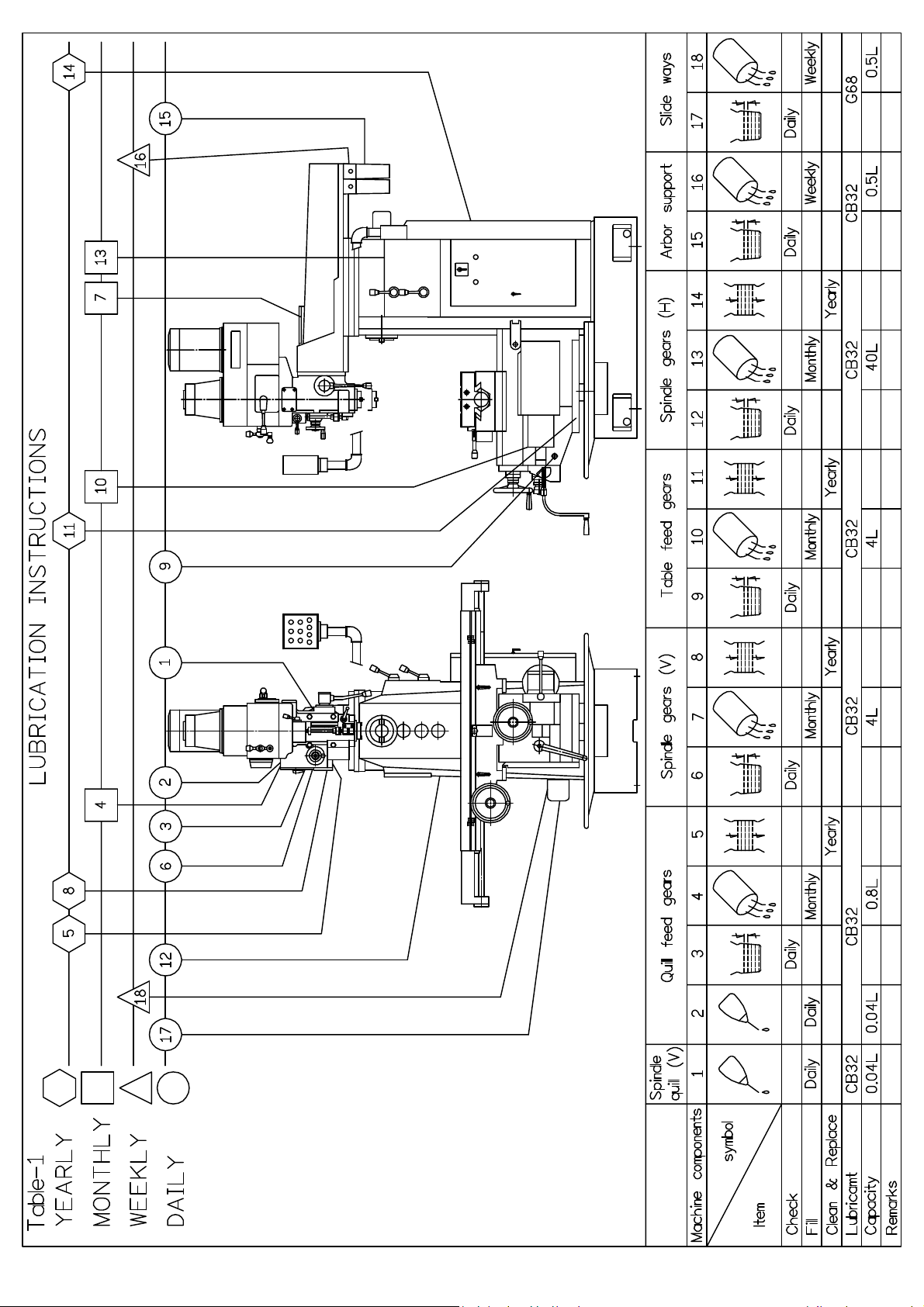
2-7 Lubrication ............................................................................................................ 6
3. Handling the main operation parts
3-1 Name of each part ............................................................................................... 10
3-2 Electric operation panel ....................................................................................... 11
3-3 Start, stop an brake for vertical an horizontal spin le ..................................... 11
3-4 The tapping function of the vertical spin le ........................................................ 12
3-5 Change of vertical spin le spee ......................................................................... 12
3-6 Change of horizontal spin le spee .................................................................... 13
3-7 Vertical spin le manual fee operation ............................................................... 14
3-8 Operation of vertical spin le power own fee .................................................. 15
3-9 Vertical spin le fee a justing stopper ................................................................ 15
3-10 Vertical spin le quill clamping ............................................................................ 16
3-11 Fine rea ing evice for main spin le movement ................................................ 16
3-12 Vertical spin le hea swiveling ........................................................................... 16
3-13-1 Swiveling of over arm on horizontal plane ...................................................... 17
3-13-2 Over arm transverse movement ........................................................................ 17
3-14 Over arm an arbor support brackets .................................................................. 17
3-15 Part’s name of table fee ..................................................................................... 18
3-15-1 Operation of manual fee ........................................................................ 19
3-15-2 Operation of cross power fee ................................................................ 19
3-15-3 Operation of vertical power fee ............................................................ 19
3-15-4 Operation of longitu inal power fee ..................................................... 20
3-15-5 Choice of fee spee ............................................................................... 20
3-15-6 Operation of rapi traverse ...................................................................... 20
3-15-7 Backlash eliminator ................................................................................. 20
3-15-8 Operation of og ..................................................................................... 21
3-15-9 Clamping sli ing surfaces ......................................................................... 21
4. Safety devices
4-1 Fuses ...................................................................................................................... 22
4-2 Thermal relay ...................................................................................................... 22
5. Symbols ....................................................................................................................... 23
. Suggested starting speed and feeds
6-1 Carbi e cutters ..................................................................................................... 24
6-2 High spee steel cutters ....................................................................................... 25
7. Parts list ....................................................................................................................... 26
8. Electrical circuit diagram .......................................................................................... 28