
Page 5
Page 5
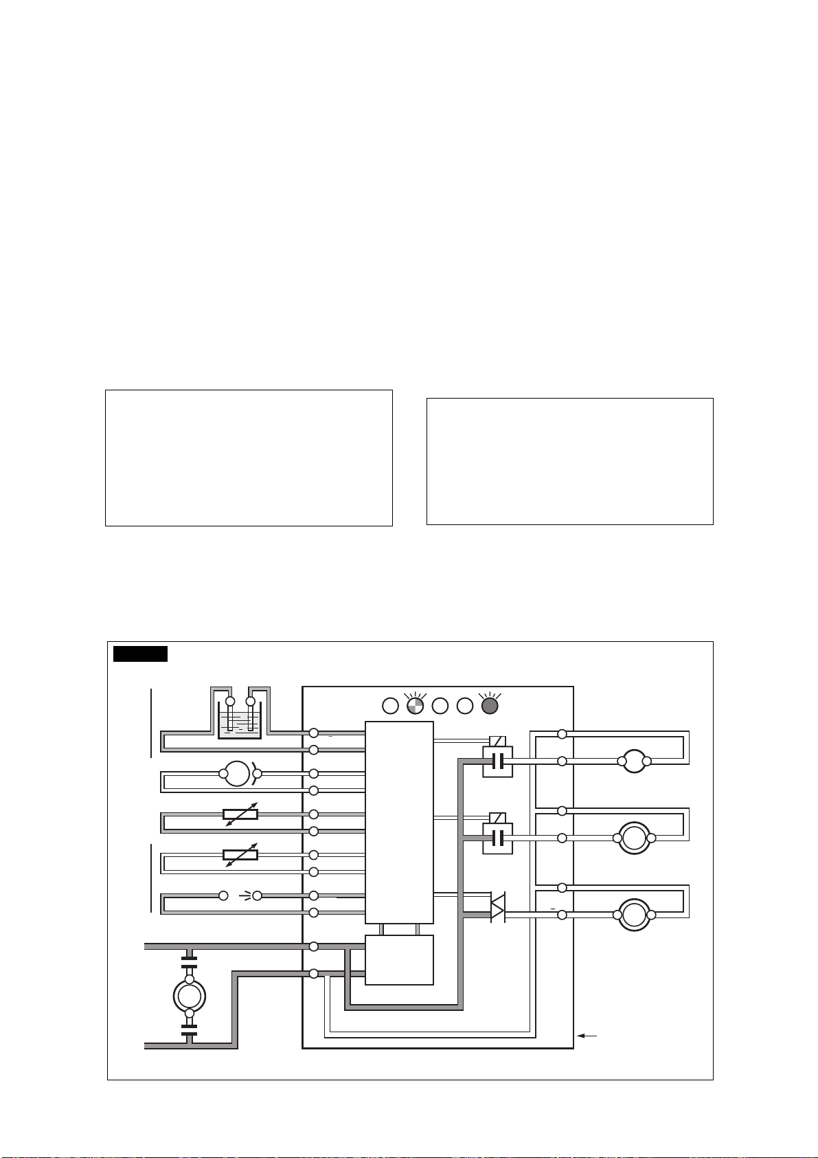
GENERAL INFORMATION AND INSTALLATION
A. INTRODUCTION
This manual provides the specifications and the
step-by-stepproceduresfortheinstallation,start-
up and operation, maintenance and cleaning for
the SCOTSMAN EFC 134 icemakers.
The Electronic Cubelet is are quality designed,
engineered and manufactured.
Its ice making system is thoroughly tested
providing the utmost in flexibility to fit the needs
of a particular user.
NOTE.Toretainthesafetyandperformance
built into this icemaker, it is important that
installation and maintenance be conducted
in the manner outlined in this manual.
B. UNPACKING AND INSPECTION
1. CallyourauthorizedSCOTSMANDistributor
or Dealer for proper installation.
2. Visually inspect the exterior of the packing
and skid. Any severe damage noted should be
reportedtothedeliveringcarrierandaconcealed
damageclaimformfilledinsubjettoinspectionof
the contents with the carrier’s representative
present.
3. a) Cut and remove the plastic strip securing
the carton box to the skid.
b)Cutopenthetopofthecartonandremove
the polystyre protection sheet.
c) Pull out the polystyre posts from the
corners and then remove the carton.
4. Remove the front and the rear panels of the
unit and inspect for any concealed damage.
Notify carrier of your claim for the concealed
damage as stated in step 2 above.
5. Remove all internal support packing and
masking tape. (Leg package and water inlet and
outlet hoses are located in the storage bin
compartment).
6. Checkthatrefrigerantlinesdonotrubagainst
or touch other lines or surfaces, and that the fan
blades move freely.
7. Check that the compressor fits snugly onto
all its mounting pads.
8. Use clean damp cloth to wipe the surfaces
inside the storage bin and the outside of the
cabinet.
9. See data plate on the rear side of the unit
and check that local main voltage corresponds
with the voltage specified on it.
CAUTION. Incorrect voltage supplied to
the icemaker will void your parts
replacement program.
10. Removethemanufacturer’sregistrationcard
from the inside of the User Manual and fill-in all
parts including: Model and Serial Number taken
from the data plate.
Forward the completed self-addressed
registration card to SCOTSMAN EUROPE
factory.
11. If necessary fit the four legs into their seats
on the machine base and adjust them to the
desired level.
C. LOCATION AND LEVELLING
WARNING.ThisIceFlakerisdesignedfor
indoorinstallationonly.Extendedperiods
of operation at temperature exceeding
the following limitations will constitute
misuseunderthetermsoftheSCOTSMAN
Manufacturer’s Limited Warranty
resulting in LOSS of warranty coverage.
1. Position the unit in the selected permanent
location.
Criteria for selection of location include:
a) Minimum room temperature 10°C (50°F)
and maximum room temperature 40°C (100°F).
b) Water inlet temperatures: minimum 5°C
(40°F) and maximum 35°C (90°F).
c) Wellventilatedlocationforaircooledmodels
(Clean the air cooled condenser at frequent
intervals).
d) Service access: adequate space must be
leftforallserviceconnectionsthroughtherearof
the ice maker. A minimum clearance of 15 cm
(6")mustbeleftatthesidesoftheunitforrouting
cooling air drawn into and exhausted out of the
compartment to maintain proper condensing
operation of air cooled models.
2. Leveltheunitinboththelefttorightandfront
to rear directions.
D. ELECTRICAL CONNECTIONS
See data plate for current requirements to
determine wire size to be used for electrical
connections.AllSCOTSMANicemakersrequire
a solid earth wire.