24
ENGLISH
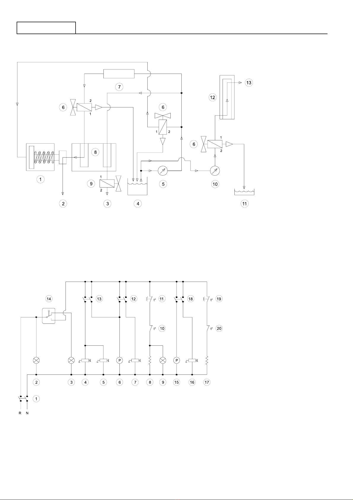
POS. CODE DESCRIPTION
1 10038070A CAPSULE FRONT
2 10556014 FLAT ORANGE LENS
3 10556010 FLAT RED LENS
4 10556012 FLAT GREEN LENS
5 10805071 TCEI M4x10 A2 SCREWS
6 10853020 EMPTY PLASTIC CAPSULE
7 10951000 MAN. SANREMO ADHESIVE LABEL
8 10038050 CAPSULE DISCHARGE TANK
9 10038060 GRILL WITH PARTITION
10 10952618 EMPTY CAPSULE LABEL
11 10352058 FEET
12 10905010 SILICONE TUBE 7x4
13 10024318 GREY CASING SR405
14 10402046 MICRO SPRING
15 10809000 M12x0.75 NUT FOR MICRO
16 10112056 WATER EMPTY MICRO
17 10038010 TANK-PUMP SUPPORT
18 10203068 TC+ SW M4x10 ZN SW SCREWS
19 10111054 MAIN SWITCH
20 10105010 CABLE LEAD
21 10803519 WASHER D4.2 TOOTHED ZN
23 10105130 BLACK 3X1 POWER SUPPLY CABLE
24 10024298 BLACK BACK SR405 - 505
25 10955024 GROUND CONNECTION ADHESIVE LABEL
26 10355178A TANK IMPURITIES FILTER
27 10355105 TANK STOPPER D.45
28 10353500 TANK HANDLE WITH TONGUES
29 10353243B 3.4 LT TANK WITH RIBBING
30 10955026 CUT VOLTAGE LABEL
31 10112202 D.10 TH.1.5 MAGNET
32 10024224 TANK LID
33 10805510 3MA NUT ZN FINE
34 10024322 GREY CASING ROD SR405 - 505
35 10038030 CAPSULE DOOR HINGE
36 10955012 HOT SURFACE LABEL
37 10038024A GREY CAPSULE DOOR
38 10024288 GREY FIN PLATE
39 10553080 CM SWITCH
40 10553084 SWITCH SUPPORT
41 10553082 CONVEX KEY
42 10556016 230V NEON SIGNALLER
43 10556018 230V FLUORESCENT SIGNALLER
44 10024290 CAPSULE GUIDE WITHOUT TONGUES
45 10805135A TC+ 3x10 ZN TT SCREWS
46 10024206 FRONT REINFORCEMENT
47 10806665 FLAT D3 WASHER ZN
49 10853210 RAPID L CONNECTION 4x1/8”M
50 10102205 THERMOSTAT CABLE
51 10111033 95° AUTOMATIC THERMOSTAT
52 10115030 125° THERMOSTAT, MANUAL RESET
53 10040043B SEPARATE EXCHANGER
54 10024220 LOWER CAPSULE GUIDE
55 10852022 2611 1/8”M STOPPER
56 10853204 STRAIGHT RAPID CONNECTION 4x1/8M
57 10023252 SPOUT-COVER TUBE
58 10303010A 2-WAY 230V SOLENOID VALVE
59 10852210 L CONNECTION 1/8” M/F
60 10102510 SR405 230V CABLING HARNESS
61 10652023A UNIDIRECTIONAL VALVE
62 10853223 T CONNECTION 1/8” M/M/F
63 10809019 ZNN TBEI M3x8 SCREWS
SR405 EXPLODED VIEW CAPTIONS, UPDATE 05-06
POS. CODE DESCRIPTION
64 10303021 3-WAY 230V SOLENOID VALVE
65 10255030 L-SHAPED PIPETTE
66 10011524 L-SHAPED PUMP SUPPORT
67 10255016 EP4 230V PUMP
68 10255040 THERMO-PROTECTOR
69 10809002 FLAT D6.4X24X2 ZN WASHER
70 10805114 TC+ SW M5x12 ZN SW SCREWS
71 10023290 DIE-CAST UPPER DISK
72 10503018 PISTON UNIT GASKET
73 10503011 LIP GASKET DEM50
74 10023321 PISTON DISK M12
75 10023336 CAPSULE PISTON SHANK
76 10652064A CONICAL SPRING D.2.5
77 10023304 PISTON UNIT CYLINDER
78 10809012 FLANGED 6MA ZN NUT
79 10023292 INT.78 PISTON FLANGE
80 10023329A HEX.10 UNIT UPRIGHT
81 10040058 GLASS
82 10105014 CABLE LEAD
83 10909010 D.4x2.5 TEFLON TUBE
84 10955025A GROUNDING SYMBOL LABEL
85 10052296 PISTON UNIT SR405
86 10853222 Y-SHAPED CONNECTION
87 10024302 BLACK FRAME SR405
88 10801036 TSPEI M5x18 ZN UNI 5933 SCREWS
89 10040005 HEAT EXCHANGE SPACER
90 10402062 OR 115 VITON
91 10040033 HEAT EXCHANGE SPIRAL
92 10115019 D12.5 800W 230V RESISTANCE
93 10853203 RAPID T-SHAPED CONNECTION 4-4-1/8M
94 10505035 BLACK GASKET
95 10502016 WATER MICRO PTFE WASHER
96 10502028 OR 3037 VITON