
1-4
E
1-3
4. ZONE SET ..................................................................................3-17
- PRIVACY ZONE .......................................................................3-17
- STYLE.......................................................................................3-17
- BLANK ALL ABOVE..................................................................3-18
- BLANK ALL BELOW.................................................................3-18
- PRYVACY ZONE MAP3 ...........................................................3-18
- SET ZONE AREA .....................................................................3-19
- SET ZOOM ...............................................................................3-20
- REVERSE.................................................................................3-20
- EXIT ..........................................................................................3-20
- ZONE DIR SET/ZONE AREA SET ...........................................3-20
- ZONE DIR SET .........................................................................3-21
- ZONE AREA .............................................................................3-21
- LOCATION................................................................................3-22
- ZONE ID SET............................................................................3-22
- ZONE ENABLE.........................................................................3-22
5. AUTO SET ..................................................................................3-23
- AUTO PAN................................................................................3-23
- START SET ..............................................................................3-23
- END SET...................................................................................3-23
- DIRECTION ..............................................................................3-24
- ENDLESS .................................................................................3-24
- SPEED......................................................................................3-24
- DWELL TIME ............................................................................3-24
- PATTERN .................................................................................3-24
- SCAN ........................................................................................3-25
- AUTO PLAY..............................................................................3-26
- AUTO RETURN ........................................................................3-26
- PLAY NUMBER ........................................................................3-26
6. ALARM SET ................................................................................3-27
- ALARM PRIORITY SET............................................................3-27
- ALARM IN SET .........................................................................3-27
- ALARM OUT SET .....................................................................3-27
- AUTO SET ................................................................................3-28
- AUX OUT CONTROL................................................................3-28
7. OTHER SET................................................................................3-28
- PROPORTINAL P/T..................................................................3-28
- TURBO P/T...............................................................................3-29
- AUTO CAL ................................................................................3-29
- D-FLIP.......................................................................................3-29
- CAM RESET .............................................................................3-29
- LANGUAGE ..............................................................................3-29
- PASSWORD .............................................................................3-29
8. SYSTEM INFO ............................................................................3-30
9. SHORT KEYS .............................................................................3-31
Product specifications ............................................................................3-34
Before Usage...............................................................................................1-1
Chapter 1 SCC-C6405(P) Overview
...........................................................1-5
SCC-C6405(P) Introduction...........................................................1-6
Locations of Control.......................................................................1-7
FRONT...........................................................................................1-7
BACK .............................................................................................1-8
ADAPTER CONNECTION.............................................................1-9
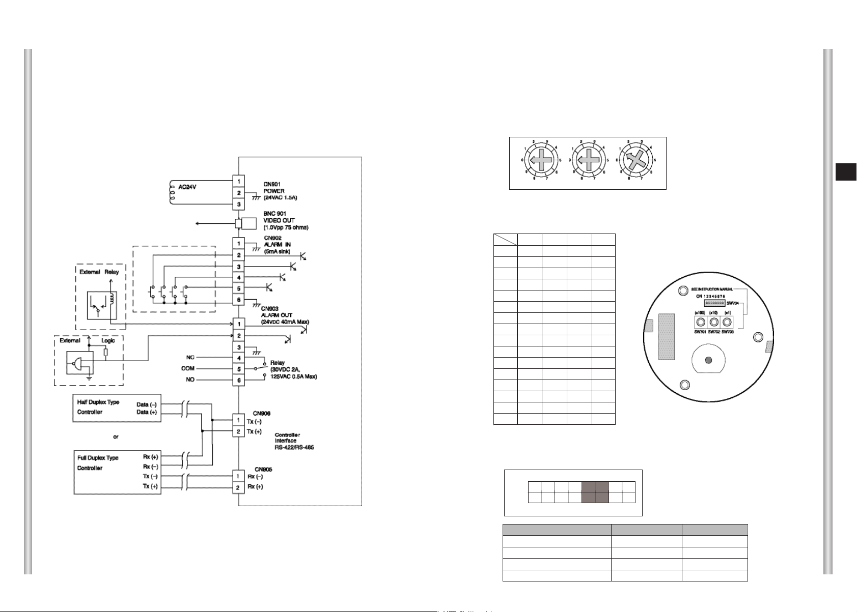
INITIAL SETTING ..........................................................................1-10
Setting RS-422A/RS-485 termination ............................................1-11
Chapter 2 SCC-C6405(P) Installation
........................................................2-1
Before Installing .............................................................................2-2
Preparing the Cables .....................................................................2-3
Cable Connection ..........................................................................2-4
Installing SCC-C6405(P)................................................................2-5
Installing the Camera.....................................................................2-8
Chapter 3 Setup Menu Overview
................................................................3-1
Structure of the Setup Menu..........................................................3-2
1. CAMERA SET ...........................................................................3-4
- CAMERA ID.............................................................................3-4
- V-SYNC ...................................................................................3-5
- COLOR/BW .............................................................................3-6
- MOTION DET ..........................................................................3-7
- ZOOM SPEED.........................................................................3-8
- DIGITAL ZOOM.......................................................................3-8
- EXIT.........................................................................................3-8
2. VIDEO SET ...............................................................................3-9
- IRIS..........................................................................................3-9
- ALC..........................................................................................3-9
- BLC..........................................................................................3-9
- WDR ........................................................................................3-9
- SHUTTER................................................................................3-10
- AGC.........................................................................................3-11
- MOTION ..................................................................................3-11
- WHITE BAL .............................................................................3-12
- DIS...........................................................................................3-13
- FOCUS MODE ........................................................................3-14
- SPECIAL..................................................................................3-14
- EXIT.........................................................................................3-14
3. PRESET.....................................................................................3-15
- POSITION SET........................................................................3-16
- PRESET ID..............................................................................3-16
- VIDEO SET..............................................................................3-16
- PRESET SPEED .....................................................................3-16
- DWELL TIME...........................................................................3-16
- IMAGE HOLD ..........................................................................3-16
- EXIT.........................................................................................3-16
Table of contents
SCC-C6405P(Eng)00504B 2005.10.31 10:5 AM 페이지1-3