10
CE Logo
When this product carries a CE mark,
it conforms to one or more of the
following standards: EN 61000-6-1:2001
EN 61000-6-3:2007
Following the Provisions of the
Electromagnetic Compatibility
Directive 2004/108/EC
ISO 8846 / Electrical Devices Protection
Against Ignition of Surrounding
Flammable Gases
ISO 10133:2000 / Electrical Systems - Extra
Low
Voltage D.C. Installations Following
the Provisions of the Recreation Craft
Directive 94/25/EEC
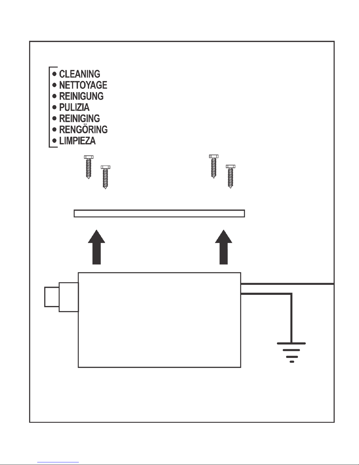
All mounting holes must be sealed with a marine
grade sealant to prevent water intrusion.
Tous les trous de fixation doivent être rendus
étanches à l’aide d’unmastic marine pour éviter toute
pénétration d’eau.
Alle Montagebohrungen müssen mit einem für
Marineanwendungen geeigneten Dichtmittel abgedichtet werden, um
das Eindringen von Wasser zu verhindern.
Per evitare l’intrusione dell’acqua, sigillare tutti i fori di montaggio con
un sigillante di qualità marina.
Een zeewatervaste kit moet voor alle montageopeningen gebruikt
worden om indringing van zeewater te vermijden.
Alla monteringshål måste förseglas med ett tätningsmedel för båtar för
att hindra vatten från att tränga in.
Todos los orificios de montaje deben sellarse con un sellador de grado
marino para evitar la entrada de agua.
Install to ABYC standards
H-2 and E11
Installation conformément aux
normes H-2 et E11 de ABYC.
In Übereinstimmung mit den
ABYC-Normen H-2 und E-11
installieren.
Installare secondo gli standard
ABYC H-2 e H-11.
Installeren volgens ABYC normen
H-2 en E11
Installera i enlighet med ABYC-
standard H-2 och E11.
Instalar según las normas H-2 y
E11 del ABYC.