ROTOTILT TLEE Manuel utilisateur

2200256_6361 2017 01 18 | ML
Control System - TLEE Closed
R4
Instructions for use - translated from the original Swedish

© Rototilt Group AB 2017-01-18
12 3
4
5
6
1 2 3 4
3
1
2
7
English
EN
IMPORTANT!
On TLEX and TLEEX type control systems,
the quick coupler locking function has its
own line for free return to the tank. Also
refer to the relevant hydraulic diagram.
In contrast to TLE and TLEX systems, TLEE and
TLEEX control systems have two extra hydraulic
connections.
The systems have the following components tted
in the base machine.
1. ON/OFF switch for Rototilt®.
2. Control for operating the Rototilt®.
3. Switch for quick coupler locking function.
4. Warning decal for change of worktool.
5. Control unit.
6. Buzzer.
7. LED.
Control unit
Control unit indications.
1. Rototilt® in standby mode, red LED on.
2. Input signal from switch for the selected function,
yellow LED on.
3. Output signal from the selected function, green
LED on.
4. Output signal to open tilt valve (remote+).
Activated automatically when using the extra
function or quick coupler, yellow LED on.
ON/OFF switch for Rototilt®
The electrical control system is turned on and off
with the switch. The switch must be ON to operate
the various Rototilt® functions. The blocking function
locks the switch in both the ON and OFF position.
The blocking function prevents errors through
unintentional activation.
Activating Rototilt®, ON/OFF
1. Move the locking button to the green panel,
the blocking function is released.
2. Depress the switch to lock it in the blocked
position. The green panel lights up, which
indicates that Rototilt® is activated.
3. A red LED lights up in the control unit.
Rototilt® in standby mode.
Control system of type TLE(X) / TLEE(X) closed
2200256_ _6361

© Rototilt Group AB 2017-01-18
12
34
5
6
9
8
7
English
EN
Handling
Maneuvering of Rototilt®
TLE/TLEE/TLEX/TLEEX control systems enable two
functions on Rototilt® to be used simultaneously.
Rototilt® is hydraulically connected to the base
machine by two separate, double-acting circuits.
Functions; rotation, tilt, extra, extra 2 (TLEE) and
quick coupler locking function.
Check the placement of the switch and its function.
The appearance and location of the switches may
vary depending on the base machine and switch
actuator make.
The speed of the Rototilt® functions is inuenced by
the oil ow from the base machine.
Tilt:
Prioritized function; directional valves on Rototilt®
are open. Right/Left tilt is controlled by a directional
valve on the base machine. Function direction (ow
direction) is controlled by switches in the handle or
by foot pedal.
Rotation:
Right/Left rotation is controlled by a directional
valve on the base machine. Function direction (ow
direction) is controlled by switches in the handle or
by foot pedal.
The function is separately connected directly to the
base machine’s hydraulic system and can be used
independently of other Rototilt® functions.
The tilt, extra, extra 2 functions and the quick
coupler locking function are mutually dependent
on each other and can therefore not be used
simultaneously. Functions are selected via the
directional valves on Rototilt®.
Extra:
When the switch is activated, the directional valve on
Rototilt® is opened. Function direction is controlled
by switches in the handle or by foot pedal.
IMPORTANT!
The extra function can be operated in two
different ways with two separate switches.
Refer to the wiring diagram.
1. Instantaneous activation with switch.
2. Alternating function (hold function).
The alternating function has an indicator light. If both
types of control are installed, the alternating function
takes priority.
Extra 2 (TLEE):
When the switch is activated, the directional valve on
Rototilt® is opened. Function direction is controlled
by switches in the handle or by foot pedal.
The Extra functions allow the use of a hydraulic
worktool below the Rototilt®.
1. Rotation left
2. Rotation right
3. Tilt right
4. Tilt left
5. Control of function direction
6. Extra
7. Extra 2 (TLEE)
8. Hold function, selectable
9. LED
2200256_ _6361

© Rototilt Group AB 2017-01-18
1 2
English
EN
Operating the Rototilt® quick coupler
The switch is identied by means of the symbol used
to mark it, see Figure 1.
The quick coupler functions Open/Close are
operated using this switch.
The switch for Rototilt® must be ON.
The buzzer sounds when the switch is activated.
IMPORTANT!
Before starting work. Read the safety
instructions Before use and During use.
IMPORTANT!
Pressurization of the Rototilt® hydraulic
system means that the quick coupler
locking function is also pressurized.
Warning decal
Always pressurize Rototilt® in order to activate
the locking cylinder in the quick coupler.
Switch and buzzer for the quick coupler
locking function
The switch (1) activates the quick coupler locking
function control valve on Rototilt® to the open or
closed position.
The blocking function locks the switch in the open
position and the blocking function should prevent
unintentional activation of the function.
Upon activation of the locking function, the warning
buzzer (2) sounds all the time ‘locks open’ is
activated. This is a safety function that alerts the
driver when the quick coupler locking function is
unlocked.
Figure 1.
IMPORTANT
Always pressurize
ROTOTILT®
to activate the
locking cylinder
after a tool change
P
2200256_ _6361

© Rototilt Group AB 2017-01-18
1
2
English
EN
Disconnecting worktools
1. Rest the worktool on the ground, or so that it
cannot slide out of the attachment when the
quick coupler locking function is opened.
2. Move the locking button (1) and press the
switch (2). An audible warning sounds and the
light illuminates..
The directional valve for the Rototilt® quick
coupler locking function is now open. Oil ow
from the base machine is controlled in one of
two ways:
- automatically in conjunction with activation
of a function.
- manually via the foot pedal.
When Rototilt® is pressurized, the quick coupler
locking function opens hydraulically and the
indicator on the quick coupler shows that the
lock is open.
See section for quick coupler.
3. Once the locking wedge on the quick coupler
is fully open, release the worktool by carefully
retracting the bucket cylinder.
Figure 1
Figure 2.
Figure 3.
Disconnect Rototilt® from the base
machine
In some instances the base machine may be
equipped with a safety function which requires
a safety plug to be connected when Rototilt®
is disconnected. For the base machine’s quick
coupler locking function to work, the contact to
Rototilt® must then be replaced with the safety plug.
2200256_ _6361

© Rototilt Group AB 2017-01-18 English
EN
Connecting worktools
1. Open the quick coupler and check that
the indicator shows the coupler is open.
See section for quick coupler.
2. Position the quick coupler so that the coupler
hooks into the worktool shaft(s), then slowly turn
in the worktool by extending the bucket cylinder.
Check that the worktool is correctly positioned in
relation to the attachment. Adjust with small shaft
or boom movements if necessary.
3. Allow the switch (2) to return to the closed
position. The audible warning will cease and the
light goes out. The directional valve for the quick
coupler locking function on Rototilt® now returns
to the position for closing the lock. To extend the
locking cylinder, Rototilt® must be pressurized
in one of two ways:
- automatically in conjunction with activation of
a function (e.g. extra).
- manually via the foot pedal.
See: warning decal, changing worktool.
4. Check that the worktool is securely locked in the
quick coupler, see IMPORTANT! below.
IMPORTANT!
Checking the quick coupler locking
function.
Even if the indicator shows that the locking
wedge is in the locked position, always
conduct the following test to ensure it is
correctly secured:
- Push the worktool forwards against the
ground (see Figure 4.). In this position,
move the bucket in and out to check
that the locking wedge has locked the
worktool correctly.
-Use the opportunity to rotate the quick
coupler and, from the driver’s position,
check the wedge is in its locked position.
-If you are unsure whether the worktool
is safely secured, exit the cab and make
sure that the locking wedge is engaged
in the attachment.
-Do not operate the machine if the quick
coupler does not work correctly! Contact
your dealer immediately if you discover
any faults.
Figure 1.
Figure 2.
Figure 3.
Figure 4.
IMPORTANT
Always pressurize
ROTOTILT®
to activate the
locking cylinder
after a tool change
P
2200256_ _6361

© Rototilt Group AB 2017-01-18
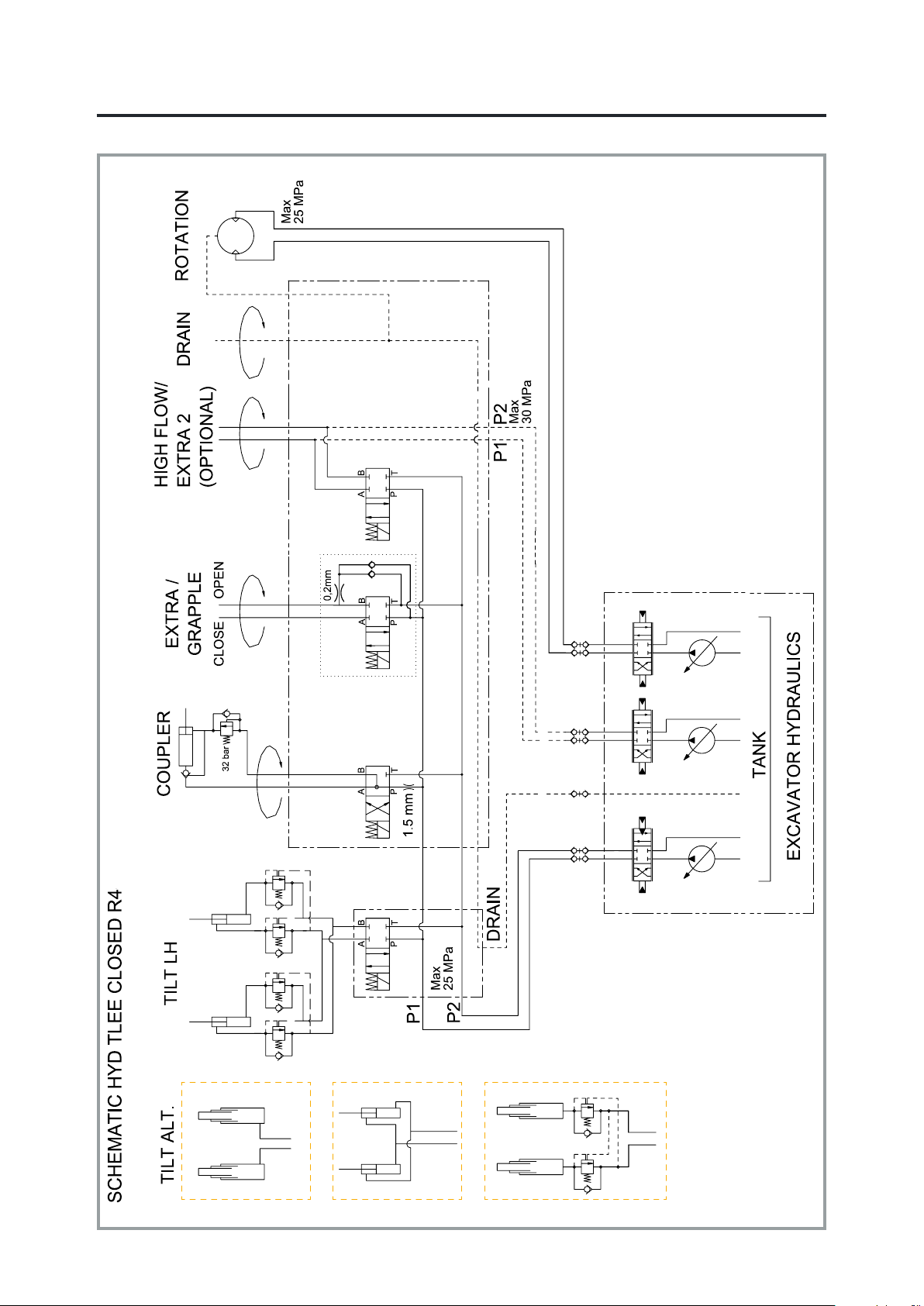
Schematics
Valveblock, Tilt R4
1. Tilt
Valveblock, Swivel R4
1. Option/Extra2
2. Grapple/Extra 1
3. Coupler
Control Unit TLEE
1. Red light - Rototilt® in “standby”
mode
2. Yellow light #1 - Input signal from
switch for the selected function
3. Green Light - Output signal from the
selected function.
4. Yellow light #2 - Output signal to
close tilt valve (remote+). Activated
automatically when using extra
function or quick coupler.
321 4
3
2
1
1
Schematics and Overwievs for hydraulic as well as electrical systems, in the following pages are meant to
serve mainly as a guide for Troubleshooting.
!
WARNING!
More extensive adjustments and repairs must be done by an authorized service workshop.
English
EN
SCHEMATICS - TLEE Closed

© Rototilt Group AB 2017-01-18
Hydraulic Schematic TLEE Closed R4
English
EN
SCHEMATICS - TLEE Closed

© Rototilt Group AB 2017-01-18
Schematic El System - TLEE Closed Machine
English
EN
SCHEMATICS - TLEE Closed

© Rototilt Group AB 2017-01-18
LOCKING CYLINDER
SEPARATE GROUND, LOCKING CYLINDER
COMMON GROUND, TILT, EXTRA & EXTRA2
Schematic El System - TLEE Closed R4
English
EN
SCHEMATICS - TLEE Closed
Ce manuel convient aux modèles suivants
3
Table des matières
Autres manuels ROTOTILT Système de contrôle























