
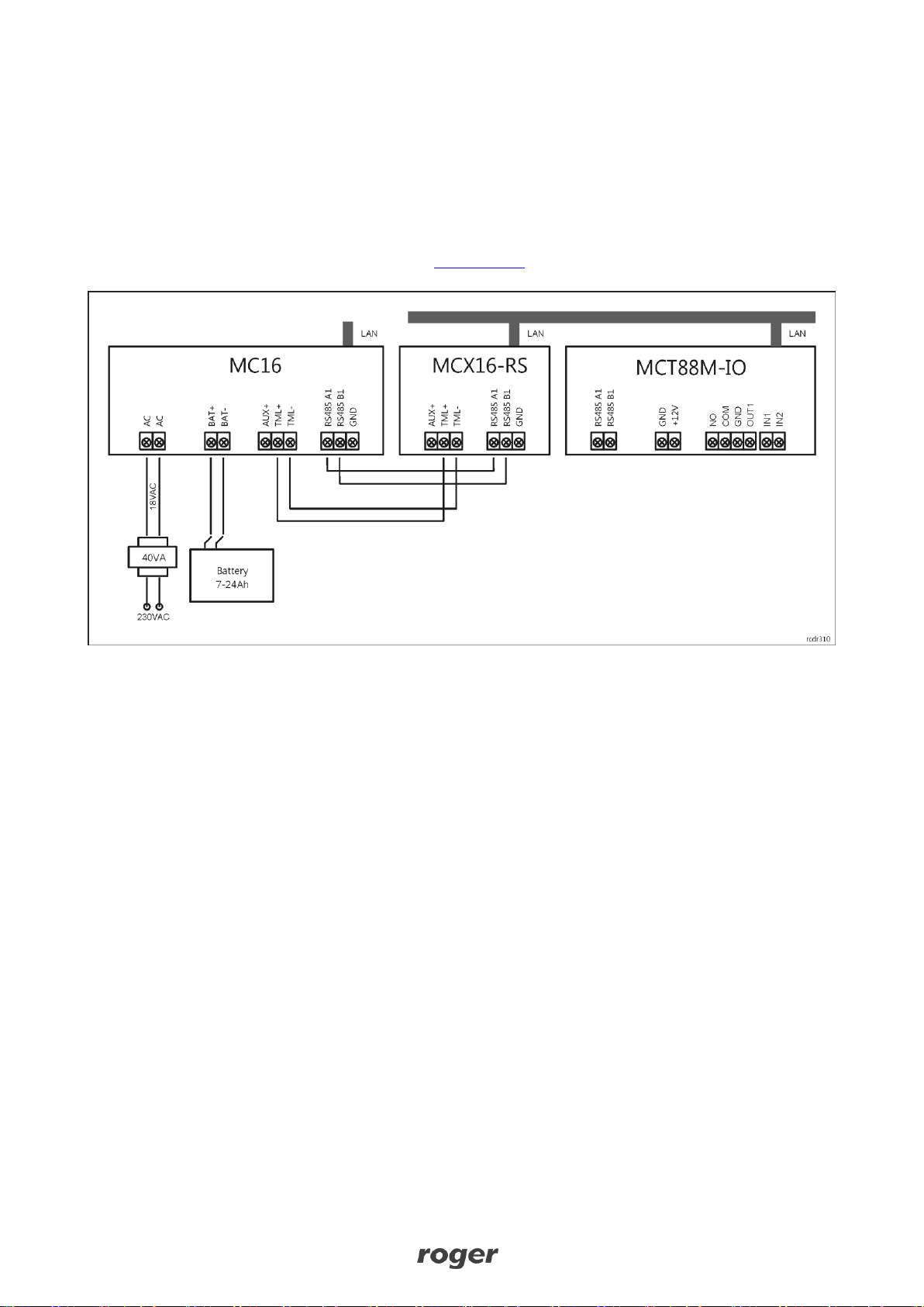
MCT88M-IO Operating Manual.doc 2019-03-06
3EOL/NC type 3EOL/NC input can be in normal, triggered, masking, triggered with
masking, tamper (sabotage) or malfunction state. In normal state
CA, CBand CTamp contacts are closed. Input triggering is caused by
CA contacts opening. CBcontacts opening is recognized as the
masking state. Simultaneous opening of CAand CBcontacts is
recognized as the triggered with masking state. CTamp contacts
opening is recognized as the tamper (sabotage) state. Input
shorting to the ground is recognized as the malfunction state.
Fig. 12 3EOL/NC input type
3EOL/DW/NO and 3EOL/DW/NC
These input types are operated in the same way as 3EOL/NO 3EOL/NC input types with the exception that
masking state is interpreted as triggering of the second input. In VISO software DW input type is
represented by two independent inputs. Each can be used for different purpose and assigned with different
function.
Parametric resistors
The same values of parametric resistors are used for all inputs i.e. 1kΩ; 1,2kΩ; 1,5kΩ; 1,8kΩ; 2,2kΩ; 2,7kΩ;
3,3kΩ; 3,9kΩ; 4,7kΩ; 5,6kΩ; 6,8kΩ; 8,2kΩ; 10kΩ; 12kΩ. Tamp resistor defines a value of resistor used to
detect the tamper (sabotage) state. Alarm A resistor defines a value of resistor used to detect triggered
state. Alarm B resistor defines a value of resistor used to detect an additional triggering state of 3EOL/DW
input type or masking state of 3EOL input type. Alarm A resistor value must differ than value of Alarm B
resistor at least by three positions in the list above. Total resistance of wire used to connect contacts to input
should not exceed 100 Ω. Default values of parametric resistors:
Tamp = 1 kΩ
Alarm A = 2,2 kΩ
Alarm B = 5,6 kΩ
Response time
Response time parameter defines minimal impulse time on the input which triggers the input. Each input can
be configured individually in range of 50 to 5000 ms within low level configuration (RogerVDM).
Tamper detector
Built-in tamper (sabotage) detector enables detection of unauthorized opening of device’s enclosure as well
as detachment of the enclosure from wall. The detector is internally connected to the MCT88M-IO fourth
input. It does not require low level configuration (RogerVDM) or any additional installation arrangements but
it is essential to mount the terminal in such way that tamper lever (fig.16) would properly press the detector
(fig. 15). The detector requires high level configuration which consists in assignment of the function [133]
Tamper Toggle on the level of a Main Board of a controller in VISO software navigation tree.
Outputs
The terminal offers 2 transistor open collector type outputs (15V/150mA rated) and 1 relay output with
NO/NC contacts (30V/1.5A DC/AC rated). Electric parameters such as polarity are configured within low
level configuration (RogerVDM). Function are assigned to outputs within high level configuration (VISO).
Multiple functions with different priorities can be assigned to the same output at the same time.
Identification
Following user identification methods are offered by the terminal:
MIFARE Ultralight/Classic/Plus/DESFire proximity cards.