
MCT64E MCT66E Operating Manual 09.07.2020
Keypad
MCT64E-IO is equipped with numeric keypad and backlight. The keypad can be used for user identification
with PIN and for various keypad commands. By default, the key [#] is used for PIN confirming.
Numeric keypad includes [*] and [#] keys which can be configured as function keys.
LED indicators
Terminals are equipped with three LED indicators which are used to signal integral functions and they can
be additionally programmed with other available functions within high level configuration (VISO).
Default colour of the indicator is red. If the terminal is assigned to
Alarm Zone then the LED indicates zone arming (red) or
disarming (green).
LED indicates access granting.
LED indicates card reading and can signal other system functions
including device malfunction.
Note: Synchronic pulsing of LED indicators signifies lost communication with MC16 controller.
Buzzer
Terminals are equipped with buzzer which is used to signal integral functions and it can be additionally
programmed with other available functions within high level configuration (VISO).
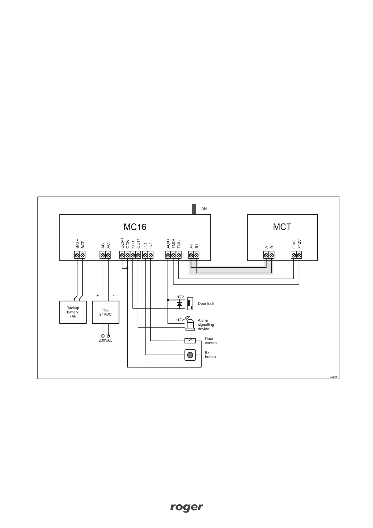
Inputs
Terminals offer 3 general purpose inputs of NO/NC type. Input types are defined within low level
configuration (RogerVDM). Input functions are assigned within high level configuration (VISO). Multiple
functions can be assigned to the same input at the same time.
Tamper detector
Built-in tamper (sabotage) detector enables detection of unauthorized opening of device’s enclosure as well
as detachment of the enclosure from wall. The detector is internally connected to TMP screw terminals. It
does not require low level configuration (RogerVDM) but it is necessary to connect it to controller with wires
as in example in fig. 3. It is also essential to mount front panel in such way as the tamper detector (fig. 4)
would firmly press the back panel.
The input of controller for connection of tamper loop requires low level configuration in regard of NC type
(RogerVDM) and high level configuration consisting in assignment of the function [133] Tamper Toggle on
the level of a Main Board of a controller in VISO software navigation tree.