
This manual introduces PowerCube-X1 from Pylontech. PowerCube-X1 is a high voltage
Lithium-Ion Phosphate Battery storage system. Please read this manual before you install the
battery and follow the instruction carefully during the installation process. Any confusion, please
contact Pylontech immediately for advice and clarification.
Contents
1. SAFETY .............................................................................................................................................1
1.1 Symbol................................................................................................................................... 1
2. SYSTEM INTRODUCE........................................................................................................................ 3
2.1 Product Introduce ............................................................................................................... 3
The parameter of system ............................................................................................................ 4
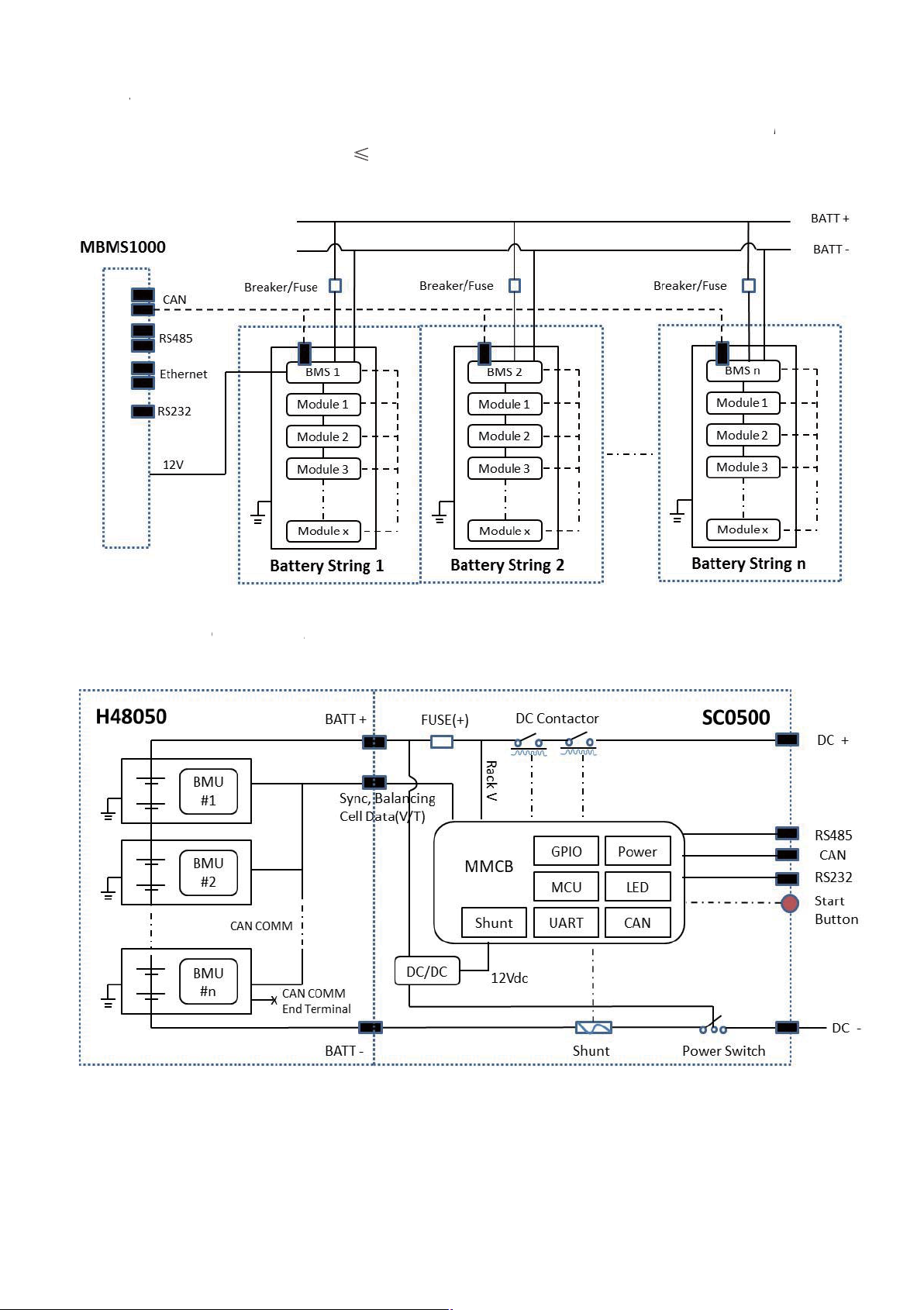
2.2 System Diagram................................................................................................................... 4
2.2.1 Multi battery string parallel connection by CAN communication between
MBMS and BMS diagram (battery string qty. İ6 set)............................................................ 4
2.2.2 Diagram between BMS and battery modules: ........................................................... 4
3. INSTALLATION ................................................................................................................................. 5
3.1 Tools ....................................................................................................................................... 5
3.2 Safety Gear .......................................................................................................................... 5
3.3 System Working Environments Checking.........................................................................6
3.3.1 Cleaning ............................................................................................................................ 6
3.3.2 Temperature......................................................................................................................6
3.3.3 Cooling System .................................................................................................................6
3.3.4 Heating System .................................................................................................................6
3.3.5 Fire-extinguisher System................................................................................................... 6
3.3.6 Grounding System............................................................................................................ 6
3.4 Package Items..................................................................................................................... 7
Accessories....................................................................................................................................7
Unpacking and check the Packing List:...................................................................................7
3.5 Handling and placement ..................................................................................................9
3.5.1 Handling and placement of the battery module ......................................................9
3.5.2 Handling and placement of the rack...........................................................................9
3.5.3 The fix and installation of the rack.................................................................................9
3.5.4 Control Module (BMS) and all Battery Modules install into the Rack ....................10
3.5.5 Install the MBMS into a 19’ standard rack [On the top of BMS, or use the
rack configured by user]...........................................................................................................10
3.6 Cables connection ...........................................................................................................10
3.6.1 Pay attention terms:.......................................................................................................10
3.6.2 Cables Connection........................................................................................................11
CAN Communication Mode between MBMS and BMS (battery string qty. İ6 set)
(battery string qty. İ6 set).......................................................................................................11
CAN Communication Mode between MBMS and BMS Cable Diagram:........................12