
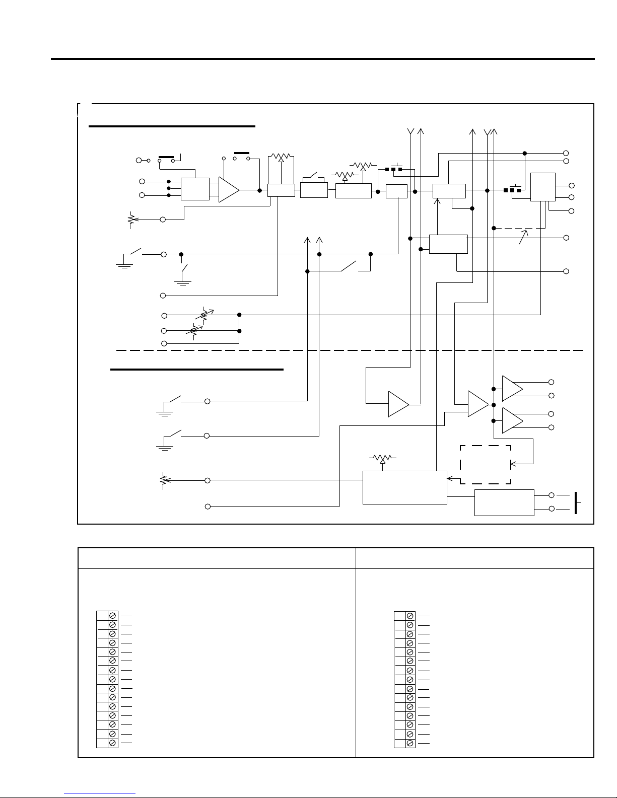
HIGH PASS FILTER & TONE CONTROLS -
Each input card has a slide switch selectable high-
pass filter. Each input card slot has individual Treble
and Bass controls. The Model 2000-C is shipped
from the factory with the high-pass filter in the
"OUT" position. The BASS and TREBLE tone
controls are set to the "FLAT" position. Counter-
clockwise rotation "CUTS" frequencies, while clock-
wise rotation "BOOSTS" frequencies.
The corner frequency of the BASS control is 315Hz,
with a peak at 50Hz. The corner frequency of the
TREBLE control is 1150Hz, with a peak at 10KHz.
GAIN -
Each input card has individually adjustable gain, and
a MIC/LINE switch. The MIC/LINE switch is fac-
tory set for microphone inputs, and the gain is preset
at 50dB. With the exception of line level inputs, it is
strongly recommended that the unit be installed,
wired, turned on, and listened to, before any addi-
tional adjustments are made. If additional gain ad-
justments are necessary, they may be made in one
of two ways. (NOTE: If ALC option is used,
switch ALC to "OFF" position, before adjusting
gain trimpots.)
First, if any line level signals are to be used, unplug the
corresponding card, and set the MIC/LINE switch to
the line position.
Second, there is a gain setting slide switch on the
input card assembly. This switch allows the preampli-
fier gain to be set to either 30dB or 50dB in MIC
position, and 0dB or 20dB in LINE position. This
switch is set to 50dB at the factory. Many micro-
phone applications will require the 50dB setting. The
30dB setting is recommended for condenser type
microphones.
Third, each input card slot has a VCA 1 gain adjust-
ment trimpot mounted on the backplane assembly.
The trimpot is set at the factory for 0dB (unity gain
after the preamplifier). The gain settings correspond
to "clock" positions with 12:00 being straight up.
Additional settings are as follows:
PHANTOM POWER -
Each input card has a 3 pin terminal strip to allow
jumpering for phantom power. A red push-on jumper
is supplied for each input card. By placing the jumper
on the #2 and #3 terminals, the card will supply
15VDC phantom power to the microphone. By plac-
ing the jumper on the #1 and #2 terminals, the card
will allow 48 volt phantom power to be supplied from
an external source. Each input card is individually
configured. The unit is shipped with the jumper in the
external 15 volt position.
MUTE, INPUT MUTE & GROUP MUTE -
Each input card has a 3 pin terminal strip that is used
to program the PRE-MIX and LOGGING recorder
outputs, for PRE or POST Mute operation. Placing
the Red push-on jumper in the PRE position, will
allow the PRE-MIX and LOGGING recorder out-
puts to remain active, while the main mix and mix-
minus outputs are muted. This feature is useful in
sidebar applications.
Each input card also has a MUTE slide switch, used
fortroubleshooting.Slidingthisswitchtothe"MUTE"
position mute the input signal to the various outputs,
as described above.
Each input card has a separate mute control pin
connection on the rear 15 pin connector. Grounding
this pin will mute the input. Grounds are on pins 3, 8,
and 15, of all card slots.
Each input card has a slide switch that enables the
card to be attached to a group mute function. Ground-
ing the Group Mute pin on the Master card slot will
mute all inputs attached to the Group Mute function.
The input cards are shipped with the GROUP MUTE
enabled.
LOGGING RECORDER OUTPUTS
Slots 2, 4, 6, and 8, are designed for logging recorder
outputs. These outputs have a slide switch that
programs the output for either mic or line level
output. The logging recorder output on slot #2
contains the input signals from inputs 1 & 2. The
logging recorder output on slot #4 contains the input
signals from inputs 3 & 4. The logging recorder
output on slot #6 contains the input signals from
inputs 5 & 6. The logging recorder output on slot #8
contains the input signals from inputs 7 & 8.
Additional input signals may be introduced to each
logging recorder output, by wiring pin #12 from the
desired channel to the 2 pin barrier on the logging
channel. A rear panel slide switch sets the logging
output to mic or line level.
AUTOMATIC/MANUAL OPERATION
Each input card has a slide switch that allows the
individual card to operate automatic or manual.
MIX-MINUS - see page 12 mix-minus section.
AUDIO INPUTS
-35dB
-33dB
-27dB
-20dB
-15dB
-6dB
0dB - Recommended
+6dB
+11dB
+17dB
+18dB
7:00 =
8:00 =
9:00 =
10:00 =
11:00 =
12:00 =
1:00 =
2:00 =
3:00 =
4:00 =
5:00 =
- Page 6 -