2
IMPORTANT: Read this
owner’s manual carefully and
completely before trying to
assemble, operate, or service
this heater. Improper use of
this heater can cause serious
injury or death from burns,
fire, explosion, electrical
shock, and carbon monoxide
poisoning.
SAFETY INFORMATION WARNINGS
DANGER: Carbon monoxide
poisoning may lead to death!
Carbon Monoxide Poisoning:
Early signs of carbon monoxide
poisoning resemble the flu with
headaches, dizziness, or nausea.
If you have these signs, the heater
may not be working properly. Get
fresh air immediately! Have heater
serviced. Some people are more af-
fected by carbon monoxide than
others. These include pregnant
women, people with heart or lung
disease or anemia, those under the
influence of alcohol, and those
at high altitudes.
Propane/LP Gas: Propane/LP gas
is odorless. An odor-making agent
is added to Propane/LP gas. The
odor helps you detect a Propane/LP
gas leak. However, the odor added
to Propane/LP gas can fade. Propane/
LP gas may be present even though
no odor exists.
Make certain you read and under-
stand all warnings. Keep this manual
for reference. It is your guide to
safe and proper operation of this
heater.
WARNING: Any change to
this fireplace or its controls can
be dangerous.
WARNING: Do not allow fans to
blow directly into the heater.Avoid any
drafts that alter burner flame patterns.
Ceiling fans can create drafts that al-
ter burner flame patterns. Altered
burner patterns can cause sooting.
Do not place clothing or other
flammable material on or near the
appliance. Never place any objects
in the fireplace.
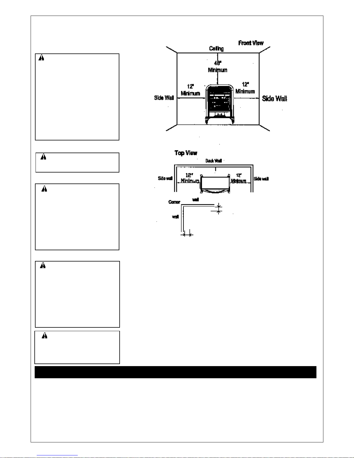
Due to high temperatures, the
appliance should be located out of
traffic and away from furniture
and draperies.
WARNING: Do not use acces-
sories not approved for use with
this heater.
Carefully supervise young children
when they are in the room with
fireplace.
You must operate this heater with
the heater screen in place. Make
sure heater screen is in place
before running heater.
Keep the appliance area clear and
free from combustible materials,
gasoline, and other flammable
vapors and liquids.
1. This appliance is only for use
with the type of gas indicated
on the rating plate. This
appliance is not convertible for
use with other gases.
2. Do not place Propane/LP
supply tank(s) indoors.
3. If you smell gas
Shut off gas supply.
Do not try to light any appliance.
Do not touch any electrical switch;
do not use any phone in your
building.
Immediately call your gas supplier
from a neighbor’s phone. Follow
the gas supplier’s instructions.
If you cannot reach your gas
supplier, call the fire department.
4. This heater shall not be installed
in a bedroom or bathroom.
5. Do not use this heater as a
wood-burning heater. Use only
the logs provided with the heater.
6. Do not add extra logs or ornaments
such as pine cones, vermiculite, or
rock wool. Using these added items
can cause sooting. Do not add lava
rock around base. Rock and debris
could fall into the control area of
heater. After servicing, always
replace screen before operating
heater.
7. You must operate this heater with
the heater screen in place. Make
sure heater screen is in place
before running heater.
8. This heater is designed to be
smokeless. If logs ever appear to
smoke, turn off heater and call a
qualified service person.
Note: During initial operation, slight
smoking could occur due to log
curing and heater burning
manufacturing residues.
9. To prevent the creation of soot,
follow the instructions in the
Cleaning and Maintenance Section,
pages 11.
10.Before using furniture polish, wax,
carpet cleaner, or similar products,
turn heater off. If heated, the
vapors from these products may
create a white powder residue
within burner box or on adjacent
walls or furniture.
11.This heater needs fresh air
ventilation to run properly. This
heater has an Oxygen Depletion
Sensing (ODS) safety shutoff
system. The ODS shuts down the
heater if not enough fresh air is
available. See the Air for Combustion
and Ventilation Section, pages 4
through 5. If heater keeps shutting off,
see Troubleshooting, pages 12 .
12. Do not run heater
Where flammable liquids or vapors
are used or stored.
Under dusty conditions.
13.Do not use this heater to cook
food or burn paper or other objects.
14. Do not use heater if any part has
been under water. lmmediately call
a qualified service technician to
inspect the room heater and to
replace any part of the control
system, and any gas control which
has been under water.
Heater becomes very hot when
running fireplace. Keep children and
adults away from hot surfaces to
avoid burns or clothing ignition.
Fireplace will remain hot for a time
after shutdown. Allow surfaces to
cool before touching.