
ELEKTRONIKI
ELEKTRONIKI
5
G
15625Hz
HOR. REF.
REF.
ORRIZ
BURST
KEY
B15625Hz
11
0.5V
67
A
15
8
4.4V
10
16
9V
18
13
TV TRANSM
IDENT.
GATE
4
G
50Hz
j
50Hz
32
4.2V
G
12
0.8V
17
1.6V
1
1.1V
14 9
7470
TDA2579
6.2V
2468
1µ
3468
6.8k
2469
22µ 3469
22
7.2V
3466
1.5k
2466
4.7µ
2467
100n
2.7V
3458
30k
3457
10k
2458
2.7n
TV
3456
6.8k
2455
4.7n
2456
10µ
17V 3454
560
7455
BC858
+22
5452
3475
1.5k
+12c
2464
10n
2465
220µ
12.5V
3452
1.5k
6455
BZX55/
F5V6
3455
4.7k
2452
330p
3451
1.8k
3453
100k
7471
BC848C
3465
1k
+12
0.6V
3450
B29
B28
2475
33n
1V
2471
330n
2473
330n
3473
270k
3471
220k
7.7V
0.1V
4.7V
2451
100n
3463
15k
+12C
A16
B27
C26
2470
47p
3470
3.3k
4.3V
2.6V
SYNCHRONISATION
2.6V
2459
100n 3459
3M
B30
3460
20k 3461
47k
+12c
3462
33k
TV
B33
17
19
C32
18
C31 B33
A23
3557
+22
3541
6.8k
3540
68
32
2540
330p
30
0.4V
33V
7540
BF422
2
1
2544
180n
34V
3544
5.6k
+95
!
3542
5.6k
2542
560p
3
4
5541
29
4x
1N5061
~
~
+
-
6603
6602
6605
6604
2602
2.2n
2604
2.2n
3620
180k
3618
180k
3614
360k
1A2
2A2
3601b
+t
3601a
+t
5600
2600
470n
!
1600
T2A
!
1A1
2A1
!
SK1
82
!
3604
10M
DEGAUSING SUPPLY
2605
68µ
+290V
+280
+280 5/6
4
39
2625
2.2n
7625
BUT11AF
5621
6621
BYD33D
*-5.1V
(-0.2V)
3621
110
!
3622
110
!
2620
68n
6624
BAS32
6622
BAS32
3625
36
3627
36
3623
33
5619
7616
BC635
3615
470
7615
BC858C
41
*-3.1V
(-1.4V) *-4.8V
(-0.1V)
7612
BC848C
*-4.9V
(0V)
3611
4.7k
6611
BAS32
3616
100
3619
6623
BAS32
3617
220
6617
BZV85
C6V2
2617
680n
6614
BAS32
4
5
6
7614-2A
CNX83
!
2611
120p
2614
150p
*-5.2V
(+0.35V)
40
*-5.1V
(-0.18V)
3610
24k
3609
24k
1
2
8
9
3613
100k
6613
BAS32
38
9
8
2
1
7
3
17
16
3645
6645
BYD33D
2644
2.2n
2606
68p
!
6649
BAS32
3649
33
2650
33n
6615
BAS32
6616
BZV55/F22
3647
1.5k
3650
1.6k
!
3644
1
2645
4.7µ
35
13
10
15
2634
2.2n
5634
6630
BYW95C/20
36
2630
47µ
2632
470p
5632
6640
BYD33D
34
2640
680µ
14
12
!
1640
T400mA
!
5625
3658
100
2670
120p
2)
5633
2)
3670
15k
6669
BAS32
2)
2)
6670
SFOR5D43
6600
BYD33D
37
2660
1500µ
7653
BC858A
3669
220
3673
1k
3666
18k
1
2
7614-2B
CNX83
3657
220
3651
7654
BC847C
7652
BC557C
23.5V
(8.4V)
3653
750
3667
150
6653
BAS32
8.2V
(9.2V)
3663
-2.2V
(0.7V)
3654
3668
150
3655
100
2655
22n
7655
BC847
19V
(3.3V)
6637
BZX79/
F6V2
3636
470
2636
150n
3633
18k
7637
BC848C
3632
15k
7.5V
(9.3V)
3671
470
2)
2)
7671
BC848
3681
7656
BC857
0V 2656
470p
3656
680
3652
100
3634
2k
3635
1k
0.75V
(0V)
3672
4.7k
2)
2.8V
(0V)
5631 95V
(13V)
22V
(2.1V)
3545
68
3555
18k
0.2V
3556
430k
5540
7545
BUT11AF
2545
1.5n 6546
BYD33M
6547
BYD33G
2546
8.2n
2547
39n
27
95V
9
5
95V
2631
47µ
+95
5A5 6A5
95V
1
26
1A5 4A5
HOR. DEFL.
3554
1k
!
5554 2550
470n
5534
2534
4.7µ
5530
33
3554
8.2
!
!
1530
T100mA
31
7533
BC636
3535
680
5.9V
5.3V
EAST - WEST
7530
BC848C
2531
22p 3527
22k
3525
6.8k
0.6V
2526
100n
3520
100k
TV
9
2
3
4
21
25
!
3580
1
3581
1
6580
BYD33G
14V
2580
470µ
5580
+12
(13.5V)
+12c
(12.5V)
6465
BAS32
D35
!
1834
T630mA
1)
6843
BYD33D
1)
!
2843
220µ
8.3V
1)
B36
B37
!
5545
C43
C44
HORIZONTAL
3A3 1A3
C42
FG2
C41 C40
3.2V
7
2560
33n
+12
3560
15k
+12
3561
47k
3)
C39 B30 C38 B36
2A3
3570
8.2
!
+163
2570
22µ
+95
6560
BYW95C/20
6570
BYD33J
6
8
3664
8.2 5V
(5V)
7661
BD135
3661
330
3660
100
3662
270
4.9V
(4.9V)
6662
BZV55
F5V1
7663
BC858
3665
10k
2661
22µ
6665
BZV55
F4V7
5790
2790
22n
3758
6657
BZV55/F33
6655
BZV55/F15
6656
BZV55/F33
6659
BZV55/F33
6661
BYX79/F22 3659
4.7k
B45
+22a
+22
3640
+95
+5
+5c
A21
B46
A3
B37
B46
B45
+95
P.O.R.
1) ONLY PRESENT ON SETS WITH TXT
2) NOT PRESENT IN NON REMOTE SETS
3) ONLY PRESENT IN 21” SETS
B28
B29
3504
1k
3500
100
2500
1.5n
7503
BD939F
0.5V
43V
3501
390
3507
22
!
A22
3518
12k
6521
BAV103
6522
BAV103
3503
22
!
3A4
44V
1A4
VERT. DEFL.
3505
1.3k
2505
22n
24 23
3508
24k
3510
100
3516
6.8k
3506
2.7k
3513
200
2506
10µ
4.1V
3509
20k
20
TV
44V
3511
3.9
2509
220µ
0V
D47
A+C+D
3512
12k
SK11
43
TV
6520
BAV103
45V
3515
3.9k
7502
BD939F
1500
T200mA
!
+95
+163
3502
18k
VERTICAL
45V
45V
DIAGRAM B
17
1V
0V
18
10V
0.4V
19
5V
0V
20 23
1.2V 6.6V
0.3V 40V
21 24
120V 80V
-100V 18V
22 25
1V 76V
0V -64V
26
80V
85V
27
800V
0V
28
60V
0V
29 32 34 36 37 39 40
2.5V 0.7V 30V 200V 20V 360V
1.5V
-1.5V 0.1V -26V -100V -10V 0V
0V
30 33 35 36 38 39 41
110V 2.4V 5V 140V 40V 700V 8V
0V 5V -4V -120V -30V 0V -6V
31 34 35 37 38 40 41
0.7V 50V 0.8V 13V 25V 3V 4V
6.4V -25V -0.2V -10V
0V
-10V -7V -1.5V
+7V
500V
3481
16V
~
5590
18
6.8V
28
10
6
7
8
10
11
12
2721
820p
2722
820p
2723
820p
2724
820p
2725
820p
2726
820p
0.1V
0.2V
0.3V
0.4V
0.5V
5V
13
6727
BAS32
6)
6726
BAS32
6725
BAS32
6724
BAS32
5)
4)
3)
3785
3724
1M6
2M6
3M6
4M6
5M6
6M6
7M6
+
-
+
-
-
+
+
-
F/P
F/P
+
-
+
-
+
20
5.7V
+5
6741
BAS32
+5
3730
300
7)
+22a
3742
1.8k
6742
CQX95
39
40
33
38
IC
2
3765
4.3V
4.9V
4.9V
4.5V
0.7V
+5c
3777
3.3k
+5c
3772
3.3k
5
6
7
EEPROM
1
D1
D2
B3
C4
C5
2, 3, 4
8
+5c
3783
7770
X2402
SCL
SDA
RESET
EXT 1/EXT 2
7767
BC848
+5
3767
10k
37
36
14
31
32
4.9V
3.6V
4.3V
2.5V
2.5V
C6
C7
C8
F. BL. OFF
RGB STATUS
CVBS STATUS
2760
27p
2761
27p
1760
3764
G
4MHz
35
4.7V RC5
42
+5c
5V
RC5
+5c
3860
150k
3859
150k
7)
7)
3863
10k
7858
BC848B
7)
3874
6)
3842
10k
6)
IR
2
3
1
+5c
+5V
2762
100µ
7)
IR RECEIVER
7)
1003
IR
7)
1986
IR
TRANSM.
KEYBOARD
31
21 30, 34
17 18
CPU
1
0.3V
19
AFC
9
16
IDENT.
2
0-5V
3
4
0-4V
0-4V
5
0-4V
41
15
4.4V
27
26
23
3.8V
0V
+
28 29
3V
3V
5701
2702
10p
2758
10p
+22a
B
+95+22+12+5c+5
BBBBB
B+C+D
2704
820p
3707
1k
3706
12k
2705
1µ
3705
3.9k
+5
3708
6.8k
3711
1.8k
3710
13k
2709
1µ
3709
2.7k
+5
3712
8.2k
3716
2.4k
3715
15k
2714
1µ
3714
3k
+5
3717
10k
3766
4.7k
+5c
2.8V
0V
3768
4.7k
+5
7757
BC848
3757
820
3756
82k
3769
4.7k
3763
7754
BC848
2753
1.2n
3753
12k
+5
3762
3713
4.7k
+5c
3700
10k
2700
100n
3701
4.7k
2759
22n
3760
10k
3743 3759
3094
10k
7088
BC848
+12
3085
1k
3.4V
2.1V
0.1V
4.7V
3088
4.7k
+12
3087
4.7k
7087
BC847
3086
47k
+12
3775
10k
3774
4.7k
+5c
7776
PBMT2369
3776
220k
3782
430
3771
24k
2770
1.5n
3778
15k
6770
ZTK33B
3770
4.7k
3773
4.7k
+95
3779
10k
2778
330n
3780
10k
2780
330n 3090
2.2M
3091
100k
3092
820k
AFC C15
3093
560k
3722
2.7k
6733
BAS32
2731
100p
6730
BAS32
3731
82k
3733
1k
2730
100p
7730
BC848
3735
1k
+5
B16
C17
C18
C19
C20
B21
VB22
HB23
G/V C24
F.BL. C25
C66
Vvari C14
+5c +5c +22 +12
3793
3.3k
3794
3.3k
3791
1.2k
1) 1) 1)
9
6
4
3
8
7
2
1
5
3792
1)
UHF C10
HYP C11
VHF III C12
VHF I C13
3790
9701
2)
1)
7790
LA7910
7720
TMP47C434N-3555
RC5 C9
REMARKS
1) NOT PRESENT IN UHF
ONLY SETS
2) PRESENT IN UHF
ONLY SETS
3) PRESENT ON SETS
WITH TXT
4) PRESENT IN HYPERBAND
SETS
5) PRESENT IN UHF
ONLY SETS
6) PRESENT IN NON
REMOTE SETS
7) NOT PRESENT IN NON
REMOTE SETS
DIAGRAM A
EXT 2
2324
10µ
3703
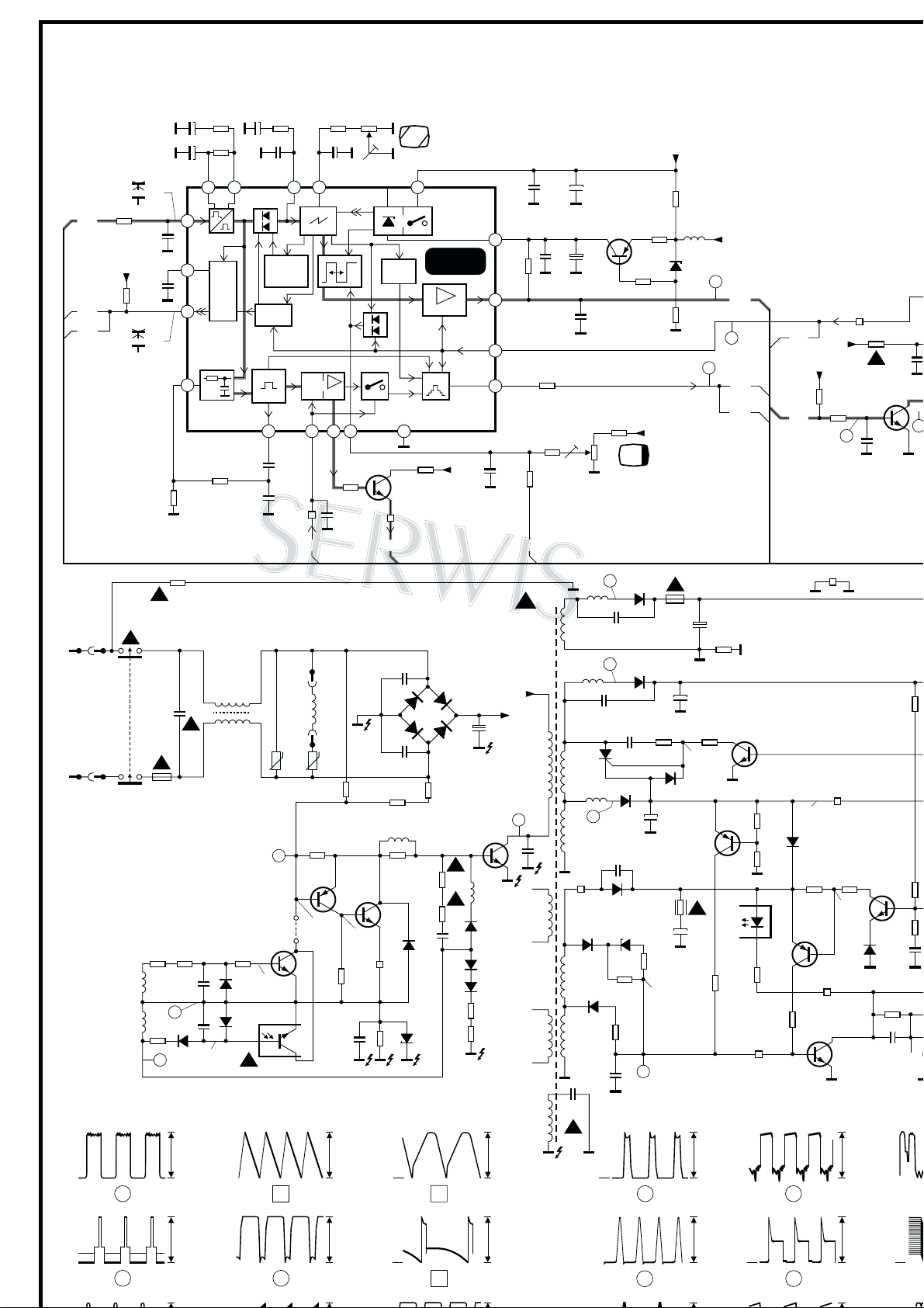
OTVC Philips chassis G90AE
(strona 1/3)
OTVC Philips chassis G90AE
(strona 1/3)