
Francais
¸Treuil GAMMA 4.1.244
Changements techniques sous réserve Page 10
Données techniques
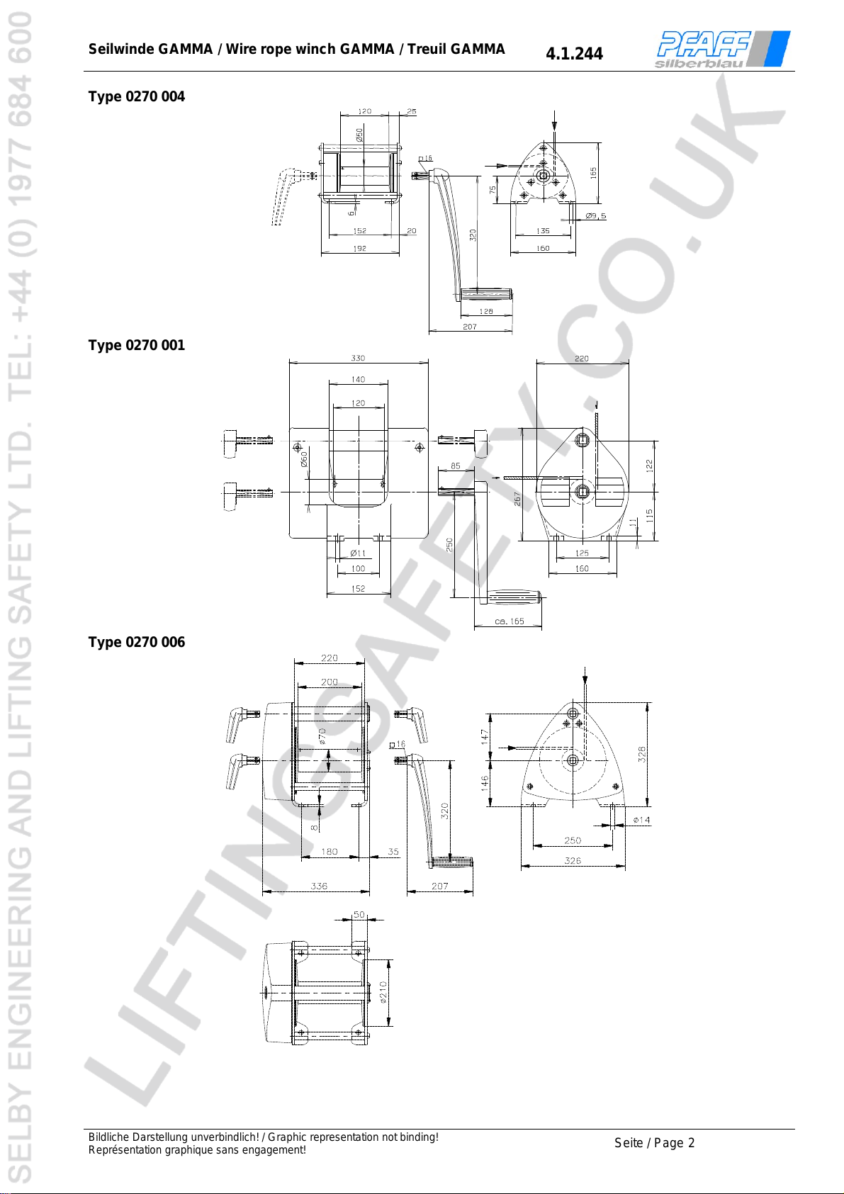
Type 0270 004 0270 001 0270 006 0270 999
groupe selon DIN15020/1 1 Em 1 Em 1 Em
capacité allure de charge (allure rapide) à la 1ère couche [daN] 200 500 (90) 800 (90)
de allure de charge (allure rapide) à la 2ème couche [daN] 175 450 (75) 690 (75)
levage allure de charge (allure rapide) à la 3ème couche [daN] 150 380 (65) 600 (65)
allure de charge (allure rapide) à la 4ème couche [daN] 140 350 (55) 520 (58)
allure de charge (allure rapide) à la 5ème couche [daN] 125 290 (50) 465 (52)
allure de charge (allure rapide) à la 6ème couche [daN] 115 260 (47) 420 (47)
allure de charge (allure rapide) à la 7ème couche [daN] 110 240 (43) 385 (43)
allure de charge (allure rapide) à la 8ème couche [daN] -220 (40) 355 (40)
câble recommandé DIN 3060 FE-znk 1770 sZ-spa ø [mm] 467
force de rupture calculée 10,1 22,6 31,0
capacité d'enroulement à la 1ère couche [m] 3,6 3,2 5,3
à la 2ème couche [m] 8,0 8,0 12,5
à la 3ème couche [m] 13,0 13,0 21,0
à la 4ème couche [m] 19,0 19,0 30,0
à la 5ème couche [m] 26,0 26,0 40,0
à la 6ème couche [m] 33,0 34,0 52,0
à la 7ème couche [m] 40,0 42,0 64,0
à la 8ème couche [m] -50,0 78,0
rapport d’engrenage -6,57 : 1 7,57 : 1
effort sur la manivelle nécessaire [daN] 18 12 18
course moyenne allure de charge [mm] 245 50 53
par tour de manivelle allure rapide [mm] -335 395
sécurité de charge cliquet de sécurité à ressort
poids [kg] ca. 6 ca. 14 ca. 20
convenable pour une température ambiante de -20°C +40°C
Description du fonctionnement:
Le treuil >GAMMA< est un treuil à tambour avec un engrenage à chaîne.
La charge sera tenue automatiquement par un frein actionné par la charge.
Le treuil peut monter ou baisser une charge peu lourde en allure rapide par changement de support de la ma-
nivelle.
Instructions de montage
Montage:
ATTENTION:
•la fixation du treuil doit supporter la charge
maximale,
•faire particulièrement attention à ce que la sur-
face de montage soit plate,
•fixer le treuil avec des vis de qualité,
•serrer les vis symétriquement
•protéger les vis
•faire attention à ce que la manivelle soit libre-
ment suspendue (espace libre de la manivelle)
Fixation mécanique:
Type 0270 004 0270 001 0270 006 0270 999
vis (classe de qualité min. 8.8) M 8 M 10 M 12
nombre de vis 4 4 4
Fixation du câble métallique
ATTENTION: Le frein n'est pas effectif par fausse entrée du câble
Le câble doit être inséré selon les schémas ci-dessous (direction au choix).
•insérer le câble métallique en considération de l'entrée du câble
•serrer les vis de serrage.
Faire attention aux données techniques pour le choix du câble!
Mesurer la longueur du câble de telle manière à ce qu'il y a env. 3 tours
de câble sur le tambour dans la position de charge la plus basse.
direction
du câble