
8
SECTION THREE: SUBSEQUENT START-UP
With the door open, turn the power switch on and temperature to 180° F. In approximately 2
minutes you will notice whitish-gray smoke coming out of the grill as the pellets ignite. After
assuring the pellets have ignited, close the door and set the temperature to any cooking
temperature desired.
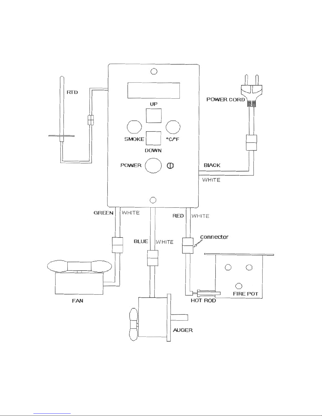
If the auger fan and/or induction fan are not working properly please contact your dealer
for further instructions.
Although, if the grill fails to light or if the fire in the firepot goes out while cooking or
smoking, follow these steps:
1) Turn the power off. Open the lid and remove all food, porcelain grill, grease drain pan,
and heat baffle.
2) IMPORTANT: Remove all unburned pellets and ash from inside and around the firepot.
3) Before replacing the heat baffle, grease drain pan and porcelain grill. Restart the grill
and confirm that the ignition cycle is working. (The hot rod should begin to turn red and
pellets should fall into the firepot from the auger tube.)
4) If this procedure is not successful, refer to the Manual Lighting Instructions.
MANUAL LIGHTING INSTRUCTIONS:
If the hot rod only is not operating, the grill can still be used to cook and smoke using the
MANUAL LIGHTING PROCEDURE below:
1) Making sure the power switch is set to OFF and the hot rod connector (red / white wire
pair) is disconnected, plug the power cord into an appropriate, grounded electrical
outlet and switch it back ON.
2) If the control box doesn’t power up, the fuse located in the back of the control box may
need to be replaced
3) Open the pellet hopper and fill with BBQ PELLETS.
WARNING! Never use heating fuel pellets in the grill.
4) Remove the porcelain grill, grease drain pan and heat baffle to expose the fire pot in the
bottom of the grill.
5) Pour 1 / 2 cup of BBQ PELLETS into the fire pot.
6) Squirt 2 tablespoons of lighter fluid on the pellets in the fire pot or use a propane torch to
light the pellets.
7) Light the lighter fluid with a fireplace match or a long-reach butane lighter.
WARNING! NEVER SQUIRT LIGHTER FLUID INTO A BURNING FIRE OR A HOT FIRE POT.
THE LIGHTER FLUID CONTAINER COULD EXPLODE AND CAUSE SERIOUS INJURY.
8) Let the lighter fluid and pellets burn for approximately 4 minutes.
9) After assuring the pellets have ignited, install the heat baffle, grease drain pan and
porcelain grill back in place.
10)Turn the power switch on and the temperature to any setting desired. With the door
closed, let the grill pre-heat for approximately 10 minutes before placing food in the grill.