Peavey PV 6 Guide de démarrage rapide
Autres manuels Peavey Mixer

Peavey
Peavey AM-4 Manuel utilisateur

Peavey
Peavey AMD 1220 Manuel utilisateur

Peavey
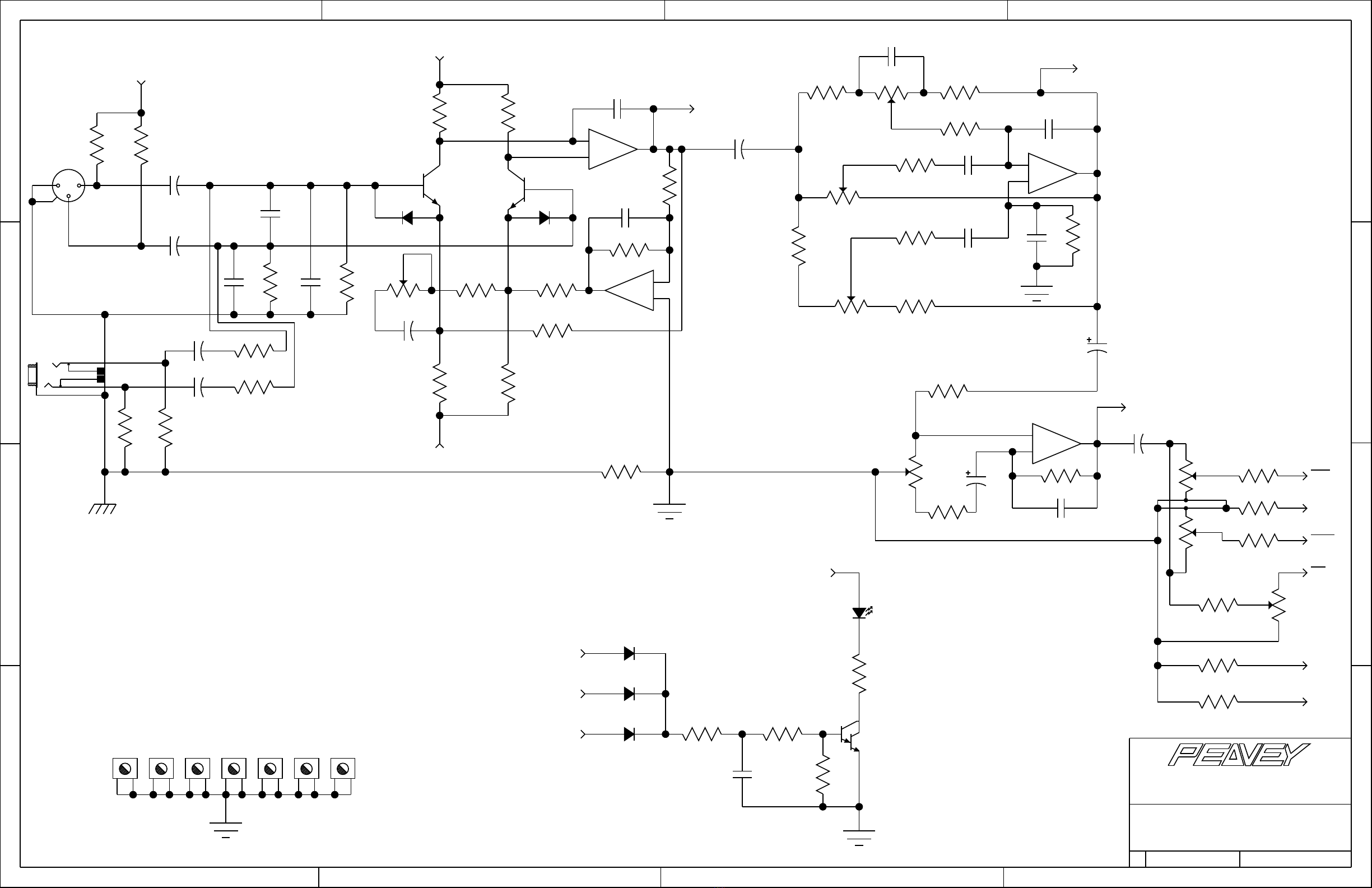
Peavey PV 6 Manuel utilisateur

Peavey
Peavey Architectural Acoustics MMA 800T Manuel utilisateur

Peavey
Peavey PZS 140 Manuel utilisateur

Peavey
Peavey PV 20 Manuel utilisateur

Peavey
Peavey PZS 140 Manuel utilisateur

Peavey
Peavey PZS 140 Manuel utilisateur

Peavey
Peavey PA 1000S Manuel utilisateur

Peavey
Peavey PZS 80 Manuel utilisateur

Peavey
Peavey Illuminator 600 Manuel utilisateur

Peavey
Peavey Automix Manuel utilisateur

Peavey
Peavey Unity Series 1002 Manuel utilisateur

Peavey
Peavey PLM 8128E Manuel utilisateur

Peavey
Peavey Automix 2 Manuel utilisateur

Peavey
Peavey SSE 10M Manuel utilisateur

Peavey
Peavey Unity 2002-12 RQ Manuel utilisateur

Peavey
Peavey 600S Manuel utilisateur

Peavey
Peavey SheffieldPro 1200 Manuel utilisateur

Peavey
Peavey RQ 2300 Manuel utilisateur































