
EVO Control Panel
Table of Contents
Introduction..................................................................... 1
Features of EVO48 .................................................................. 1
Features of EVO192 ................................................................ 1
Hardware Difference................................................................ 1
Specifications........................................................................... 1
Installation....................................................................... 2
Recommended Installation Procedure..................................... 2
Location & Mounting ................................................................ 2
Earth Ground............................................................................ 2
AC Power................................................................................. 2
Backup Battery......................................................................... 2
Auxiliary Power Terminals........................................................ 2
Bell/Siren Output...................................................................... 2
Programmable Outputs............................................................ 2
Keyswitch Connections............................................................ 2
Access Control Connections.................................................... 2
Calculating Power Requirements............................................. 4
Keypad Zone Connections....................................................... 5
Addressable Zone Connections............................................... 5
Double Zone Connections........................................................ 6
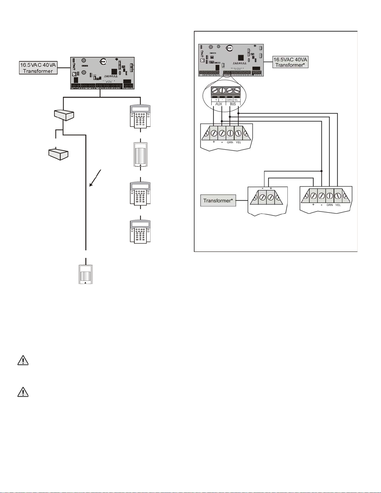
Combus Connections............................................................... 6
Fire Circuits.............................................................................. 7
Telephone Line Connections ................................................... 7
Built-in RTC.............................................................................. 7
Programming Methods .................................................. 8
WinLoad Uploading/Downloading Software* ........................... 8
Paradox Memory Key............................................................... 8
Module Broadcast .................................................................... 8
Programming Through a Keypad............................................. 8
Module Programming Mode..................................................... 8
Zone Programming......................................................... 9
Zone Programming ................................................................ 10
Zone Numbering .................................................................... 10
Zone Doubling (ATZ).............................................................. 10
Zone Definitions..................................................................... 10
Zone Partition Assignment..................................................... 11
Zone Options.......................................................................... 11
Input Speed............................................................................ 12
EOL on Hardwire Zones......................................................... 13
Keypad Numbering ................................................................ 13
Remote Control Programming .................................... 14
Hardware Requirements........................................................ 14
Remote Control Template...................................................... 14
Keyswitch Programming ............................................. 15
Keyswitch Numbering ............................................................ 15
Keyswitch Definitions............................................................. 15
Keyswitch Partition Assignment............................................. 15
Keyswitch Options.................................................................. 15
Arming and Disarming Options .................................. 16
Arming Follows Partition ........................................................ 16
Trouble Latch......................................................................... 16
Restrict Arming on Supervision Loss ..................................... 16
Restrict Arming on Tamper .................................................... 16
Restrict Arming on AC Failure................................................ 16
Restrict Arming on Battery Failure......................................... 16
Restrict Arming on Bell or Auxiliary Failure ........................... 16
Restrict Arming on TLM Failure............................................. 16
Restrict Arming on Module Troubles ..................................... 16
Timed Auto-Arming................................................................ 16
No Movement Auto-Arming ................................................... 16
Auto-Arming Options ............................................................. 17
Switch To Stay Arming .......................................................... 17
Always Force Arm when Regular Arming.............................. 17
Auto Force on Stay Arming.................................................... 17
Follow Zone Switches to Entry Delay 2 ................................. 17
One-Touch Features.............................................................. 17
Exit Delay............................................................................... 17
Keypad Lock-out Feature ...................................................... 17
Bell Squawk........................................................................... 18
Ring-back............................................................................... 18
Maximum Bypass Entries...................................................... 18
Display “Bypass” If Armed..................................................... 18
Alarm Options............................................................... 19
Bell/alarm Output................................................................... 19
Bell Cut-off Timer................................................................... 19
Wireless Transmitter Supervision Options............................. 19
Police Code Timer ................................................................. 19
Tamper Recognition Options................................................. 19
Keypad Panic Options........................................................... 20
Event Reporting............................................................ 21
Reporting Enabled................................................................. 22
Report Codes......................................................................... 22
Report Arming and Disarming ............................................... 23
Monitoring Station Phone Number......................................... 24
Account Number.................................................................... 24
Account Number Transmission.............................................. 24
Reporting Formats................................................................. 24
Event Call Direction............................................................... 24
Pager Delay........................................................................... 25
Recent Close Delay............................................................... 25
Power Failure Report Delay................................................... 25
Power Failure Restore Report Delay..................................... 25
Repeat Pager Report Code Transmission............................. 25
Auto Test Report.................................................................... 25
Disarm Reporting Options ..................................................... 25
Zone Restore Report Options................................................ 25
Auto Report Code Programming ........................................... 26
Closing Delinquency Timer.................................................... 26
Dialer Options............................................................... 27
Telephone Line Monitoring .................................................... 27
Tone/Pulse Dialing................................................................. 27
Pulse Ratio ............................................................................ 27
Busy Tone Detection ............................................................. 27
Switch To Pulse..................................................................... 27
Bell On Communication Fail.................................................. 27
Keypad Beep on Successful Arm or Disarm Report.............. 27
Dial Tone Delay..................................................................... 27
VDMP3 Voice Module................................................... 28
VDMP3 Installation Instructions............................................. 28
Feature activation (PGMs)..................................................... 28
VDMP3 Setup Instructions..................................................... 28