7.1. Main Block
IC600 : C2BBFE000088
Pin
No. Port Description I/O (V)
1 CLK Shift clock LED data O 0
2 LCK Data loading clock O 0
3 - No connection - -
4 AVSS Ground - 0
5 LCD DIM LCD dimmer control O 3.3
6 ILL DIM Not used - -
7 AVref +5V power supply - 5.0
8 - No connection - -
9 ACC-ON ACC power control O 0
10 P.ON System power control O 5.0
11 NC No connection - -
12 DATA Ext. CD.C data O 0
13 CLK Ext. CD.C clock O 0
14 STB Ext. CD.C strobe O 0
15 - No connection - -
16 SOM CD.C serial data I 4.2
17 SIM CD.C serial data O 0
18 SCKM Clock for serial data O 5.0
19 CD ON CD.C start/stop O 5.0
20 /RESET CD.C reset O 5.1
21-24 - No connection - -
25 KS1 Key strobe O 0
26 KS0 Key strobe O 0
27 KI2 Key data I 0
28 KI1 Key data I 0
29 KI0 Key data I 0
30 DOOR-LED Door LED on/off O 0
31,
32 -No connection - -
33 VSS Ground - 0
34,
35 -No connection - -
36 TOC.CNT Not used - -
37 MODE A Mode setting I 0
38 MODE B Mode setting I 0
39-59 - No connection - -
60 RESET Reset input I 4.6
61 - (Connecting to ground) - 0
62 BATT DET Battery level detection I 4.4
63 ACC DET ACC level detection I 4.4
64 EJECT Eject SW I 5.0
65 REMO Ext. CD.C remote control data I 4.8
66 LOAD CD disc loading SW I 5.0
67 - No connection - -
68 VDD +5V power supply - 5.1
69 X2 Crystal oscillator - 2.4
70 X1 Crystal oscillator - 1.2
71 IC (Connecting to ground) - 0
72 XT2 Not used - -
73 - (Connecting to ground) - 0
74 AVDD +5V power supply - 5.1
75 AVref +5V power supply - 5.0
76,
77 -No connection - -
78 DIM IN Dimmer signal I 0
79 NC No connection - -
80 DATA Panel LED data O 0
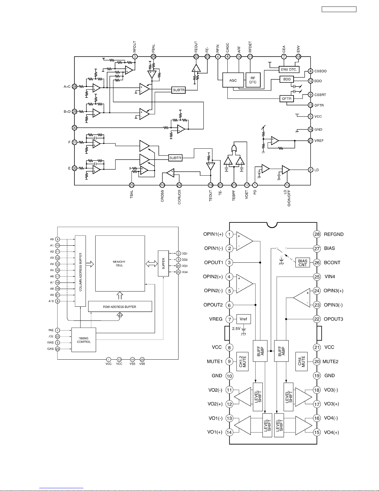
7.2. CD Servo Block
IC201 : MN662783RPW
Pin
No. Port Description I/O (V)
1 VDD +5V power supply - 5.0
2 D0 D-RAM data I/O 2.3
3 D1 D-RAM data I/O 1.8
4/WE D-RAM data write O 4.9
5 /RAS D-RAM row address strobe O 3.4
6 D2 D-RAM data I/O 0.8
7 D3 D-RAM data I/O 0
8 /CAS0 D-RAM columun address strobe O 3.9
9 /CAS1 D-RAM columun address strobe O 0
10 A8 D-RAM address O 0.6
11 A7 D-RAM address O 1.1
12 A6 D-RAM address O 0.7
13 A5 D-RAM address O 0
14 A4 D-RAM address O 1.1
15 A9 D-RAM address O 0.4
16-18 A0 D-RAM address O 1.0
19 A3 D-RAM address O 0
20 VSS2 Ground - 0
21 VDD2 +5V power supply - 5.0
22,23 - Not used - -
24 TVD Traverse motor control O 2.5
25 PC Not used - -
26 ECS Spindle motor control O 2.4
27 TRD Tracking coil drive O 2.5
28 FOD Focus coil drive O 2.4
29 FBAL Focus balance O 1.9
30 TBAL Tracking balance O 3.0
31 VREF Refence voltage I 2.5
32 FE Focus error I 2.5
33 TE Tracking error I 2.5
34 RFENV RF envelope I 2.5
35 OFT Off track signal I 0
36 /RFDET RF detecting signal I 0
37 BDO Drop-out signal I 0
38 LDON Laser on signal O 4.5
39 ARF RF signal I 2.5
40 IREF Reference current input I 1.2
41 DRF Bias for DSL I 2.4
42 DSLF Loop filter for DSL I/O 2.5
43 DSLF2 Loop filter for DSL I/O 2.2
44 PLLF Loop filter for PLL I/O 1.4
45 VCOF Not used - -
46 AVDD2 +5V power supply - 5.0
47 AVSS2 Ground - 0
48 OUTL L channel output O 2.3
49 AVSS1 Ground - 0
50 OUTR R channel output O 2.3
51 AVDD1 +5V power supply - 4.7
52-54 - (Connecting to ground) - 0
55 FLAG Flag output O 0
56 FCLK Frame clock O 0
57-60 - Not used - -
61 MCLK Clock for I/F command I 1.0
62 MDATA Date for I/F command I 3.1
63 MLD I/F command load I 5.0
64 BLKCK Subcode block clock O 0
65 SQCK Ext.clock for sub code-Q I 5.0
66 SUBQ Code for sub. code-Q O 3.8
67 DMUTE Mute input I 0
68 STAT Status signal O 5.0
7 TERMINALS DESCRIPTION
6
AUDI / CX-CA1090L