
e
Congratulations
on
your
purchase
of
the
ONKYO
TX-890/890M,
TX-870/870M
Tun-
er-Amplifier.
@
Please
read
this
manual
thoroughly
before
making
connections
and
turning
power
on.
®@
Following
the
instructions
in
this
manual
will
enable
you
to
obtain
optimum
performance
and
listening
enjoyment
from
your
new
TX-890/890M,
TX-870/870M.
©
Please
retain
this
manual
for
future
reference.
CONTENTS
FOATUSES
000...
ccccccccescescsessssssneneeeencectereeceeeaceesesscteeeetsearseeeeesees
Important
safeguards................ceccccceeesestseeeceeseneerereenenen
PreCAUtiONs
................ceesssseseecssssseceeeeseeesssessnsseeeceneeserecsenuaneees
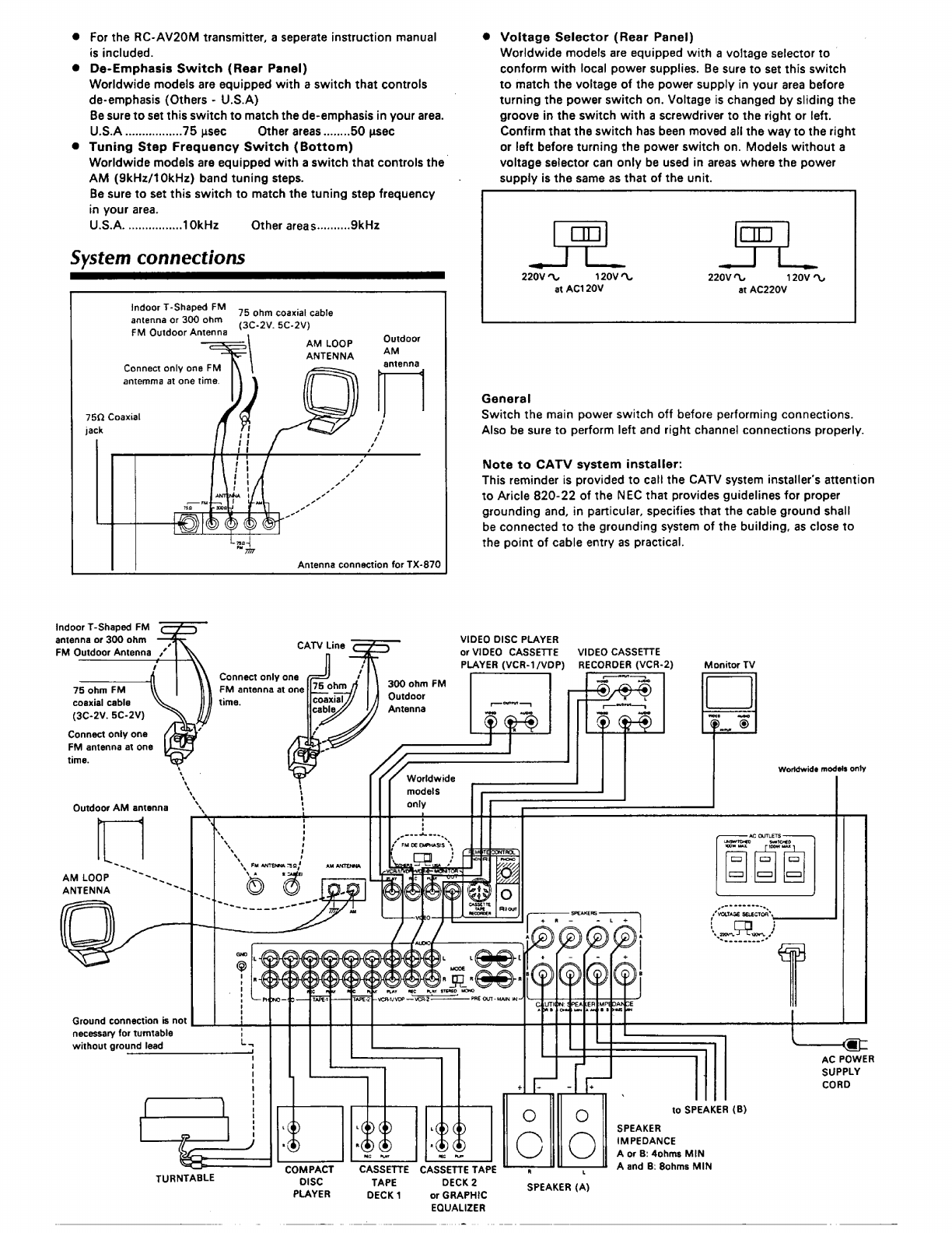
SYSTEM
CONMMECTIONS
.............cccccccctccccceceeeeenaseseesseseeseeeeeteenes
Front
panel
facilities...
eeecsssenesctsneeeeeecsseernues
Operations...
ccccccccccccccccsssseetssssessesareeensnessecceessensnenecees
Troubleshooting
Guide...
cccececeeceeesensesssssseseneas
Specifications
|...
eee
rece
neeeseeteetseeeecsennees
Features
a
®@
Plenty
of
Clean
Power
TX-890:
125
watts
of
continuous
power
per
channel
into
8
ohms
with
no
more
than
0.02%
total
harmonic
distortion
(FTC).
(2
x
380
watts
dynamic
power
at
2
ohms.)
TX-870:
105
watts
of
continuous
power
per
channe!
into
8
ohms
with
no
more
than
0.025%
total
harmonic
distortion
(FTC).
(2
x
310
watts
dynamic
power
at
2
ohms.)
These
tuner
amplifiers
are
designed
to
consistently
deliver
their
full
rated
power
even
into
ow
impedance
loads.
®
Discrete
Output
Stage
Instead
of
IC
power
amplifier
circuitry,
the
TX-890
and
TX-870
both
employ
a
discrete
output
stage
for
effortless
drive
into
low
impedance
loads.
Low
distortion
linear
switching
and
the
high
quality
parts
used
throughout
are
further
proof
of
Onkyo’s
dedication
to
audio
ex-
cellence
not
only
in
our
high
end
amps
but
across
the
board.
@
“CD
Direct”
Switch
This
switch
fets
you
bypass
the
tone
and
balance
controls
when
listening
to
CD
players
(or
other
audio
sources).
Since
noise
levels
in
digital
audio
components
are
extremely
low,
tone
and
balance
circuitry
or
excessive
switches
are
often
unnecessary
and
may
even
adversely
affect
the
sound.
®
APR
(Automatic
Precision
Reception)
System
Onkyo’s
exclusive
APR
system
lets
every
FM
broadcast
sound
its
best.
A
microelectronic
brain
monitors
the
broadcast
signal
and
selects
the
optimum
settings
for
four
reception
modes:
stereo/mono,
hi-blend
on/off,
local/DX
and
noise
reduction
on/off.
The
APR
system
settings
are
shown
by
indicators
on
the
front
panel.
®@
20-Station
FM/AM
Random
Memory
with
Battery-
Free
Backup
®
Full
Logic
Selector
Buttons
for
Seven
Input
Sources
(Including
Two
Video
Inputs)
and
Video
Dubbing
Capabilities
®
Dynamic
Bass
Expander
(TX-890)
@
Selective
Tone
Control
and
Simulated
Stereo
®
Remote
Controlled
Motor
Driven
Volume
Control
®
FM
Antenna
A/B
Switchable
(Broadcast
and
Cable)
(TX-890)
@
Pre
out/Main
in
Jacks
®
RC-AV20M
Programmable
universal
Remote
Control
Included
(TX-890M,
TX-870M)
CAUTION
“WARNING”
“TO
REDUCE
THE
RISK
OF
ELECTRIC
SHOCK,
00
NOT
REMOVE
COVER
(OR
BACK).
NO
USER-SERVICEABLE
PARTS
INSIDE.
REFER
SERVICING
TO
QUALIFIED
SERVICE
PERSONNEL.”
eS
AN
AN
RISK
OF
ELECTRIC
SHOCK
DO
NOT
OPEN
@
The
lightning
flash
with
arrowhead
symbol,
within
an
equilateral
triangle,
is
intended
to
alert
the
user
to
the
presence
of
uninsulated
“dangerous
voltage”
within
the
product's
enclosure
that
may
be
of
suffi-
cient
magnitude
to
constitute
a
risk
of
elactric
shock
to
persons.
@®
The
exclamation
point
within
an
equilateral
triangle
is
intended
to
alert
the
user
to
the
presence
of
im-
portant
operating
and
maintenance
(servicing)
in-
structions
in
the
literature
accompanying
the
appli-
ance.
“TO
REDUCE
THE
RISK
OF
FIRE
OR
ELECTRIC
SHOCK,
DO
NOT
EXPOSE
THIS
APPLIANCE
TO
RAIN
OR
MOISTURE.”
@
For
models
having
power
cords
with
a
polarized
plug.
CAUTION:
To
PREVENT
ELECTRIC
SHOCK
DO
NOT
USE
THIS
(POLARIZED)
PLUG
WITH
AN
EXTENSION
CORD,
RE-
CEPTACLE
OR
OTHER
OUTLET
UNLESS
THE
BLADES
CAN
BE
FULLY
INSERTED
TO
PREVENT
BLADE
EXPOSURE.
@
Sur
les
modéles
dont
la
fiche
est
polarisée..
ATTENTION:
Pour
PREVENIR
LES
CHOCS
ELECTRIQUES
NE
PAS
UTILISER
CETTE
FICHE
POLARISEE
AVEC
UN
PRO-
LONGATEUR,
UNE
PRISE
DE
COURANT
OU
UNE
AUTRE
SORTIE
DE
COURANT,
SAUF
SI
LES
LAMES
PEUVENT
ETRE
INSEREES
A
FOND
SANS
EN
LAISSER
AUCUNE
PARTIE
A
DECOUVERT.