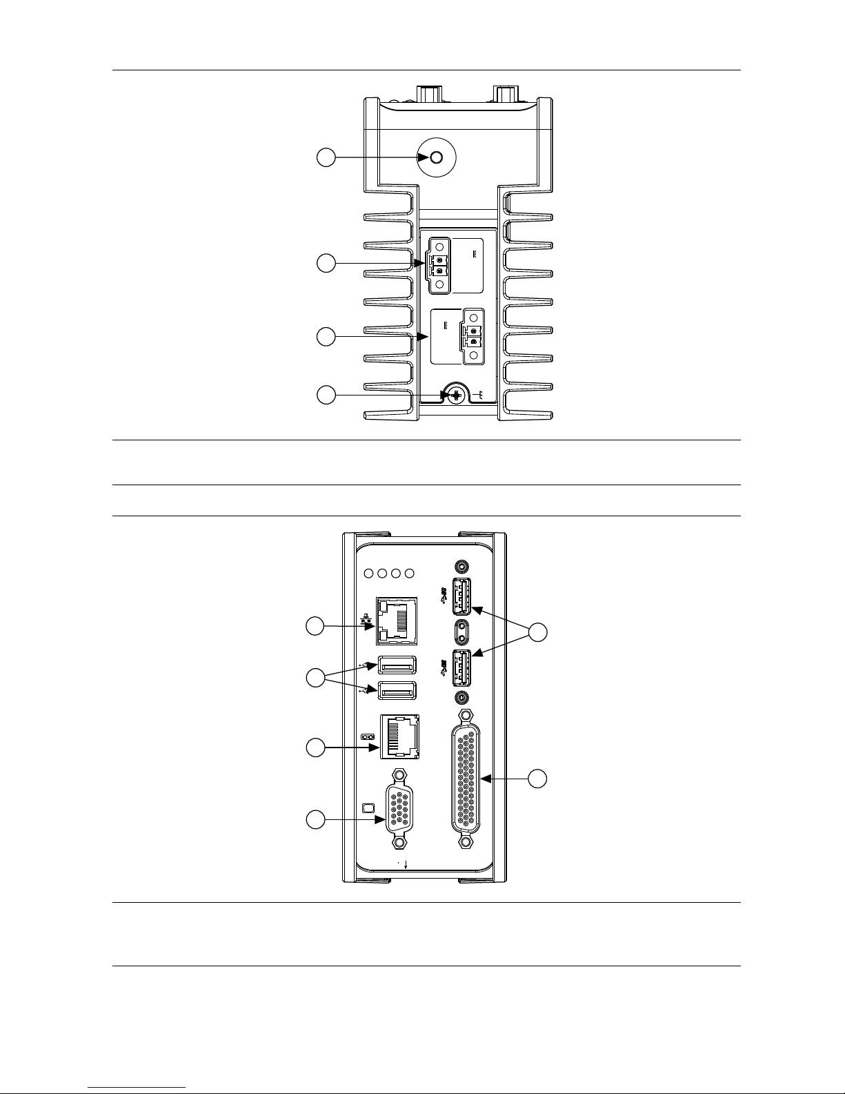
• NI CVS I/O Accessory
Note This accessory is unshielded.
– CVS I/O Accessory and 3 meter 44-pin D-SUB male to 44-position D-SUB female
cable (part number 783327-01)
– CVS I/O Accessory and 0.5 meter 44-pin D-SUB male to 44-position D-SUB female
cable (part number 783328-01)
• DIN Rail Kit (part number 781740-01)
• 10-position modular plug to 9-pin D-sub serial cable for RS-485 or RS-232 (part number
182845-01 for 1 meter cable, part number 182845-02 for 2 meter cable, or part number
182845-03 for 3 meter cable)
Safety Information
Caution The following paragraphs contain important safety information you must
follow when installing and operating the device.
Do not operate the device in a manner not specified in the documentation. Misuse of the
device may result in a hazard and may compromise the safety protection built into the device.
If the device is damaged, turn it off and do not use it until service-trained personnel can check
its safety. If necessary, return the device to National Instruments for repair.
Keep away from live circuits. Do not remove equipment covers or shields unless you are
trained to do so. If signal wires are connected to the device, hazardous voltages can exist even
when the equipment is turned off. To avoid a shock hazard, do not perform procedures
involving cover or shield removal unless you are qualified to do so. Disconnect all field power
prior to removing covers or shields.
Because of the danger of introducing additional hazards, do not install unauthorized parts or
modify the device. Use the device only with the chassis, modules, accessories, and cables
specified in the installation instructions. All covers and filler panels must be installed while
operating the device.
This is a Pollution Degree 2 device. Do not operate the device in an explosive atmosphere or
where flammable gases or fumes may be present. Operate the device only at or below the
pollution degree stated in the specifications. Pollution consists of any foreign matter—solid,
liquid, or gas—that may reduce dielectric strength or surface resistivity. The following is a
description of pollution degrees.
• Pollution Degree 1—No pollution or only dry, nonconductive pollution occurs. The
pollution has no effect.
• Pollution Degree 2—Normally only nonconductive pollution occurs. Occasionally,
nonconductive pollution becomes conductive because of condensation.
• Pollution Degree 3—Conductive pollution or dry, nonconductive pollution occurs.
Nonconductive pollution becomes conductive because of condensation.
2| ni.com | NI CVS-1459 Getting Started Guide