Milestone DMA evo Manuel utilisateur

MILESTONE
HELPING
CHEMISTS
DMA evo
Air Compressor
Operator Manual
MA235


MA235-001 DMA evo Air Compressor User Manual –
1
INDEX
1.
General warnings and informa ion for he user ................................................................................... 2
1.1.
Cau ion and safe y warnings ..................................................................................................... 2
1.1.1.
Ins ruc ions for safe opera ion ........................................................................................... 2
1.2.
Con ac s and useful addresses .................................................................................................. 4
2.
Descrip ion of he machine and opera ing principle ............................................................................. 4
2.1.
Pneuma ic scheme ................................................................................................................... 4
2.2.
Wiring diagram......................................................................................................................... 5
3.
Presen a ion of manual ..................................................................................................................... 5
3.1.
Symbols, glossary and no es on graphic layou ........................................................................... 5
4.
Da a and echnical specifica ions ....................................................................................................... 6
5.
Dimensions ...................................................................................................................................... 7
6.
Ins alla ion ....................................................................................................................................... 7
6.1.
Charac eris ic and s orage condi ions ......................................................................................... 7
6.2.
Transpor ................................................................................................................................. 7
6.3.
Unpacking ................................................................................................................................ 7
6.4.
Handling .................................................................................................................................. 8
6.5.
Connec ion and s ar -up ........................................................................................................... 8
6.5.1.
Compressed air connec ion ................................................................................................ 8
6.5.2.
Elec rical connec ion .......................................................................................................... 8
6.5.3.
S ar -up ............................................................................................................................ 9
6.6.
Swi ching compressor on .......................................................................................................... 9
6.7.
Connec ion o DMA-80 uni ..................................................................................................... 10
6.8.
Cleaning and disinfec ion ........................................................................................................ 12
6.9.
Reins alla ion and reuse .......................................................................................................... 12
6.10.
Demoli ion and disposal .......................................................................................................... 12
7.
Safe y devices and labels ................................................................................................................ 13
7.1.
Posi ion of he labels .............................................................................................................. 13
8.
Main enance .................................................................................................................................. 13
8.1. User Main enance ....................................................................................................................... 14
9.
Par lis .......................................................................................................................................... 15

MA235-001 DMA evo Air Compressor User Manual –
2
1. General warnings and information for the user
1.1. Caution and safety warnings
Read his opera ion manual carefully before performing any opera ion. Non-compliance wi h he ins ruc ions
con ained herein can lead o injury and proper y damage. The machine has been designed and buil o
opera e as repor ed below. Any o her use is considered unaccep able. Only qualified personnel can ins all
and service he machine. Always follow acciden preven ion s andards. The manufac urer is relieved from
any responsibili y for injuries and machine, or proper y damage caused by incorrec use of he compressor,
non-compliance or inadequa e compliance wi h he safe y cri eria repor ed herein, modifica ions (even minor
modifica ions) and by use of non-original spare par s.
1.1.1. Instructions for safe operation
CAUTION! elow is a list of important instructions for safe use of the compressor.
Follow these instructions carefully. Improper use or maintenance of the compressor
can cause user injury.
Never Touch any Moving Parts: Never allow par s of he body o come near moving par s of
he machine.
Never Use the Compressor if the Protection Guards have been Removed: Never use
he compressor unless all guards are assembled. If main enance requires removing any of he
guards, make sure ha hey are properly reins alled before s ar ing up he uni . Never bypass
he safe y devices ins alled on he compressor. This is s ric ly forbidden.
Protective Grids: Never inser objec s or body par s in o pro ec ive grids as his can cause
injury and can damage he compressor.
Use the Compressor Correctly: Always opera e he compressor following he ins ruc ions
given in his manual. Never allow children or unau horized people o use he machine. The
compressor is designed and buil solely o produce compressed air. The manufac urer is relieved
from any responsibili y of risks ensuing from any o her use.
Always Wear Eye Protection: Always wear goggles or o her equivalen form of eye
pro ec ion. Do no direc air oward par s of he body, your own or o hers.
Personnel Intervention: Before performing any form of in erven ion, he personnel mus be
aware of all compressor func ions and con rols.
Compressor Usage: Never use he compressor for any purpose o her han hose specified in
he user manual. Any use of he compressor ha differs from he agreemen s made a he ime
of purchase relieves he manufac urer of any responsibili y for ensuing injury or proper y
damage or damage o he machine i self.
Air Jets: Never direc air je oward persons or animals. Never use compressed air for brea hing
or in produc ion processes where he air produced is in direc con ac wi h foods uffs, unless
previously rea ed and fil ered.
Hot Parts: To preven burns, never ouch he hoses, mo or or o her ho par s.
Work Area: Keep he compressor work area clean and well ven ila ed. Never use he
compressor in a place con aining pain s, solven s or combus ible/explosive ma erials.

MA235-001 DMA evo Air Compressor User Manual –
3
Compressor Maintenance: Check he ou side of he compressor. If he power supply cord is
damaged, replace i . If necessary, con ac an Au horized Service Cen re.
Check for Defective Parts and Air Leaks: Check alignmen of moving par s, hoses, pressure
gauges, pressure reducers, pneuma ic connec ions or o her par s impor an o compressor
func ion. Make cer ain ha all screws, bol s and lids are horoughly secured. Any damaged par s
mus be repaired by an Au horized Service Cen re.
Protect yourself against Thermal Shocks: Preven acciden ally coming in o con ac wi h
me al par s of he compressor such as hoses, anks or grounded par s. Never use he
compressor if wa er or mois ure is presen in he area.
Disconnect the Compressor: When servicing he compressor or when i is no running,
always disconnec i from he power supply and comple ely ven he pressure in he ank.
Handling: Never move he compressor while i is connec ed o he power supply. Before
unplugging he compressor make cer ain ha he swi ch is se o OFF.
Precautions for the Power Supply Cord: Never unplug he uni by pulling on he cord.
Never s ep on or crush he power supply cord. Keep i away from hea , oil or sharp surfaces.
Never urn off he compressor by pulling on he power supply cord.
Cleaning Parts: Never use solven s, hinners or o her subs ances con aining hydrocarbons as
hey can damage he plas ic par s. Clean wi h soapy wa er or an appropria e liquid cleaner.
Compressor Rated Voltage: Use he compressor a he vol age indica ed on he label. Using
he compressor a a differen vol age can burn ou or damage he elec ric mo or.
Compressor Defects: If he compressor makes s range noises or vibra es excessively during
opera ions, check ha i is func ioning properly and, if necessary, con ac an Au horized Service
Cen re.
Spare Parts: Use only original spare par s which can be purchased from our dis ribu ors. Use
of non-original spare par s voids he warran y and can lead o compressor malfunc ion. Repairs
mus be carried ou by an Au horized Service Cen re.
Tank: Never unscrew any ank connec ions wi hou firs checking o ensure ha he pressure
has been ven ed. Never make holes, welds or modifica ions on he ank.
Compressor Modifications: Never make any unau horized modifica ions o he compressor.
Such modifica ions can cause damage and serious injury. Consul an Au horized Service Cen re
for any opera ions.
Handling: Never move he compressor while func ioning. Ven he pressure in he air ank.
Make sure ha he swi ch is se on OFF posi ion before disconnec ing from power.
Keep the Compressor Horizontal: To ensure correc func ioning of he compressor, i is
advisable o work in a near- o horizon al posi ion.
KEEP THIS MANUAL INTACT AND ON HAND, AVAILA LE TO ANYONE USING THE
COMPRESSOR!
WE RESERVE THE RIGHT TO MAKE ANY MODIFICATIONS DEEMED NECESSARY
WITHOUT PRIOR NOTICE!

MA235-001 DMA evo Air Compressor User Manual –
4
1.2. Contacts and useful addresses
Our echnical cus omer care is a your disposal, ready o provide any informa ion you may need and o help
you resolve any problem ha may arise. For any informa ion, please con ac your local Miles one dis ribu or.
Only original spare par s can guaran ee bes performance of our compressors. We recommend carefully
following he ins ruc ions given in he chap er on main enance and always use only original spare par s.
Using non original par s au oma ically voids he warran y.
2. Description of the machine and operating principle
2.1. Pneumatic scheme
Legend:
1. Suc ion fil er
2. Compressor
3. Cooler
4. Re urn valve
5. Pressure swi ch
7. Pressure regula or
9. Membrane dryer
10. Air ank
11. Safe y valve
12. Pressure gauge
13. Sphere valve
14. Assembly fil ers 0,5 + 0,01 micron

MA235-001 DMA evo Air Compressor User Manual –
5
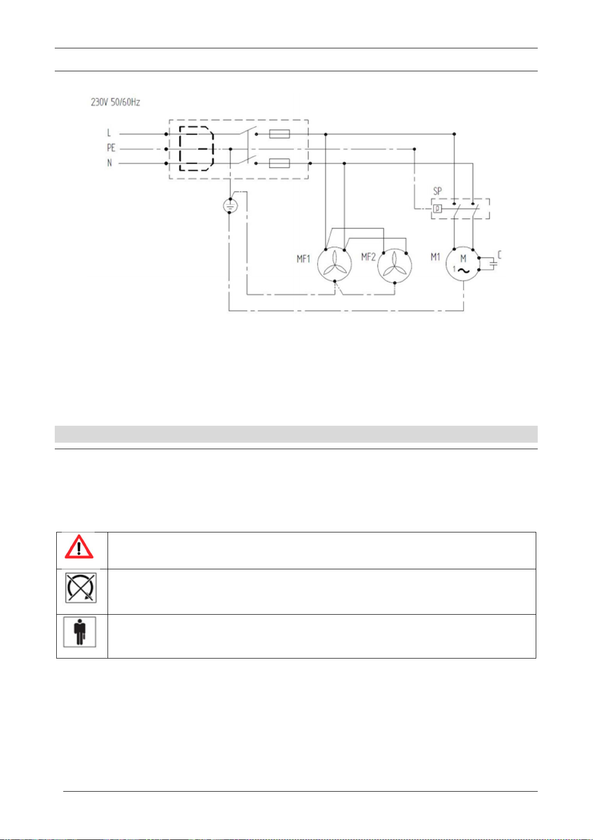
2.2. Wiring diagram
Legend:
MF1-MF2. Fan
M1. Mo or compressor
SP. Pressure swi ch
3. Presentation of manual
3.1. Symbols, glossary and notes on graphic layout
This manual uses symbols o highligh si ua ions ha require u mos a en ion. These symbols can be
loca ed beside a ex , a figure or a he op of a page. Pay u mos a en ion o he meaning of he symbols:
They are used o avoid redundan repe i ion of echnical concep s or safe y warnings and mus be
considered as “reminders”. Always refer o his page whenever you have any doub s as o heir meaning.
CAUTION: indica es an impor an no e regarding hazardous condi ions, safe y warnings,
informa ion of primary impor ance
MACHINE DOWN: all opera ions mus be performed wi h he machine down
QUALIFIED PERSONNEL: all opera ions indica ed wi h his symbol mus be performed only
by specially rained personnel

MA235-001 DMA evo Air Compressor User Manual –
6
4. Data and technical specifications
Nominal vol age - p/n 95100: version 230V, 50/60Hz
- p/n 95101: version 110V, 60Hz
Frequency 50, 60Hz
Curren 3.2-3.5A
Power 0.7KW
Ou pu flow (FAD) @ pressure ±50 LBM @ 5bar / 72.5psi
Max pressure 7bar / 102psi
Ou le connec ion F ¼”G
Dew poin (a mospheric) Wi h membrane dryer: ambien emp dew poin –
15°C
Air fil ra ion (grain) Wi h membrane dryer: 0,01 µm
Air quali y classifica ion In conformi y wi h ISO 8573-1, class 1-4-0
Noise level ≤ 50dB(A) 1m
Opera ing mode Du y cycle of 50%
Draining of condensa e wa er Manual
Cu -in pressure 5bar / 72.5psi
Cu -off pressure 7bar / 102psi
Adjus men of ou pu pressure Pressure regula or
Main enance frequency 1.000 hours
Air ank capaci y 3L
Dimensions 470x330x440 mm (W x L x H)
Ne weigh Approx. 32Kg
Opera ing and environmen al limi s Tempera ure +15°C o +40°C (+59°F o +104°F)
Rela ive humidi y up o +95%
Classifica ion pursuan o machine direc ive
2006/42/EC
DoC

MA235-001 DMA evo Air Compressor User Manual –
7
5. Dimensions
6. Installation
6.1. Characteristic and storage conditions
During periods of inac ivi y, before being unpacked (s orage), he compressor mus be kep a a
empera ure of be ween +5 °C and +45 °C. Pro ec he compressor from humidi y, con amina ion and
ex reme empera ures during ranspor and s orage. A compressor in i s original packaging should be s ored
in a warm, dry and dus -free area. Keep he packaging ma erial, if possible. If no , dispose he packaging
ma erial in an environmen ally-friendly way.
6.2. Transport
To ensure ha he uni is pro ec ed and does no incur shipping damages, he compressor is covered wi h a
cardboard box.
6.3. Unpacking
When unpacking he uni , carefully check ha he con en s ma ch wha is indica ed in he shipping
documen s.
•Check ha he ou side packaging is in ac .
•Unpack he machine carefully.
•Check ha he ou side of he machine is in ac .
•Dispose of he packaging in compliance wi h curren environmen al regula ions.
The user mus dispose of packaging in compliance wi h curren na ional regula ions.
440mm

MA235-001 DMA evo Air Compressor User Manual –
8
6.4. Handling
Use he appropria e handles for lif ing and moving.
6.5. Connection and start-up
6.5.1. Compressed air connection
The given appliance appara us should be connec ed o he OUT quick coupler, as his is he ou le for
compressed air.
The hose connecting the compressor equipment must not pass through a cold
environment, i.e. placed on the ground. It should be as short as possible with no
kinks (this may cause water to condensate inside the hose)
6.5.2. Electrical connection
The compressor comes with a plug containing an appropriate protective contact
(ground.) Follow the local electrical regulations. The voltage and frequency of the
mains must comply with the specifications on the data label.
The electrical cord must not be stressed or have any tension exerted upon it, and
must always be free.
•The socke mus be accessible for safe y reasons so ha he equipmen can be safely disconnec ed
from he power supply in case of an emergency.
•The relevan curren circui mus be pro ec ed.
•Connec ion of he ground connec ion o o her equipmen mus adhere o local elec rical regula ions.
•Fas en he elec rical cord hrough he holder.
Table des matières
Manuels Compresseur d'air populaires d'autres marques

Campbell Hausfeld
Campbell Hausfeld RP3300 Guide de démarrage rapide

Ingersoll-Rand
Ingersoll-Rand UP6 20 HP Manuel utilisateur

Hitachi
Hitachi EC99S Manuel de l'opérateur

Parkside
Parkside PKO 270 A1 Manuel utilisateur

Sullair
Sullair 185 Manuel utilisateur

Clas Ohlson
Clas Ohlson QIE-ZTH-15 Manuel utilisateur











