
Copyright Jericho Lab. 2021 Explore. Measure. Understand. 7 of 16
QUICK START: First experiment using the TDL and a computer
Required time: 30 to 90 minutes.
1- Get the TDL parts out of the box.
2- Connect the USB-cable from the TDL to the computer. The PWR (power) green light on the TDL
should light up.
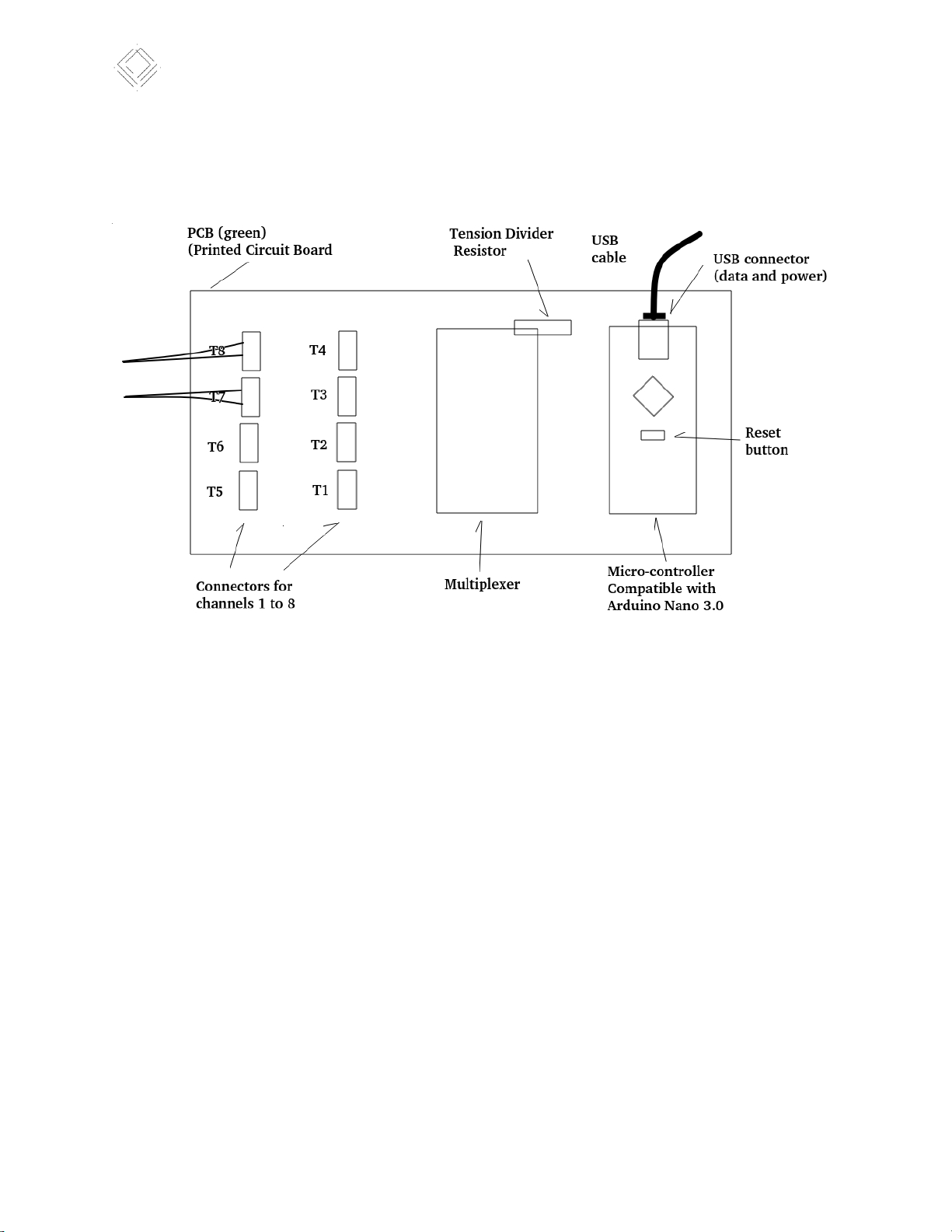
3- If not already the case, connect each thermistor in its dedicated channel with the provided
screwdriver. This type of probe has no polarity, so it can be either wire in each hole of the
channel connector. Make sure that the thermistor ID fits with the channel in the source code.
Make sure that the contact is solid by pulling on each wire.
4- Download the latest version of the Arduino Software IDE for your OS on the Arduino official
website (www.arduino.cc). Follow the instructions provided by the website.
5- Launch the IDE software and select the device the software will talk to. Go to Menu -> Tools ->
Port -> dev/ttyUSB0
a. The exact port name might vary depending on your system. (ex: ttyUSB1, ttyUSB2).
6- Go to Menu -> Tools -> Serial Monitor. A new window should pop-up.
7- If this is not already the case, in the Serial Monitor window, tick the case ‘Show Timestamp’.
Otherwise, the data you save at the end will have no timestamp.
8- At first, the data being displayed on your screen will be gibberish, because the baud rate is
wrong. On the bottom right, set the baud rate to 115200 (program default is 9600). Also, select
‘Carriage ending’.
9- Readable data will start coming in. The typical output in the Serial Monitor window should look
like Figure 1.
10-If you want, before starting your experiment, you can clear the window by clicking on ‘Clear
window’ in the bottom right of the window.
11-You can now proceed with your experiment (ex: dip all 8 probes in a hot cup of water). Clothes
clamp and scotch tape can be useful to hold your probes in place.
12-As the experiment unfolds, watch the data accumulate in the Serial Monitor window. Each time,
the TDL sends data, the light ‘TX’ on the controller should blink very quickly.
13-When you have gathered all your data, untick the case ‘Autoscroll’. This will prevent the screen
from moving while you select your data.
14-Press “CTRL + A” to select all text. Then copy by pressing “CTRL + C”.
15-Open a text editor and paste all text by pressing “CTRL + V”.
16-Save the text file on your Desktop (ex: test_1.txt). This is an important step, since the data
within the Serial Monitor is not recorded permanently.
17-Open Microsoft Excel or, alternatively, a free spreadsheet software (e.g. LibreOffice Calc).
18-Go to Menu -> Data -> From text. Select the text file.
19-The delimiter should be the ‘space’ character.
20-Tick the box ‘Treat consecutive delimiters as one’. Click Finish.
21-Import data to ‘Existing Worksheet’.
22-Adjust the ‘timestamp’ column cell format to ‘Short Date’ in order to display time properly.