
3
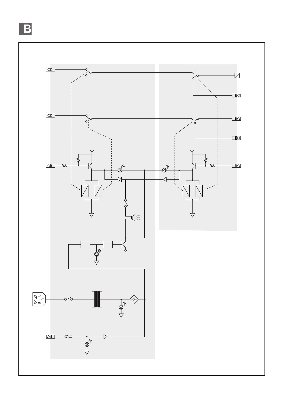
1. 신호 입력 단자
믹서 또는 프리앰프로 부터의 신호 입력을 연결하기 위한 단자입니다.
극성에 주의하여 연결 하십시오.
2. 앰프의 입력신호
앰프의 입력신호 단자와 연결하는곳 입니다.
극성에 주의하여 연결 하십시오.
3. FD-20 Relay contact
당사모델 JPA-D타입 또는 JPA-DP타입 PA앰프의 FD-20 모듈과 서로
연결되는 단자입니다.
해당 앰프가 고장일 경우에 대기앰프로 절체될수 있도록 제어하는 접점입
니다. 이때 전면의 FAULT LED가 깜박이게 됩니다.
4. 앰프의 출력신호
앰프의 출력신호 단자와 서로 연결하는곳 입니다.
극성에 주의하여 연결 하십시오.
5. 스피커 라인
스피커와 직접연결 또는 릴레이 그룹(JRG-220A)에 연결하기 위한 단자
입니다.
6. 대기 앰프의 입력신호
고장난 앰프를 대신하여 운영되어질 대기 앰프의 입력신호와 연결하여 주
십시오.
7. FD-20 RELAY CONTACT
대기앰프의 FD-20 모듈과 서로 연결되는 단자이며, 대기앰프가 고장일
경우 전면의 Stand-by AMP LED가 깜박이게 됩니다.
8. 대기 앰프의 출력신호
대기 앰프의 출력신호 단자와 연결하는곳 입니다.
10. 교류전원 공급단자
교류전원 공급용 소켓입니다.
휴즈사양 : 120V→F0.5AL 250V, 220V240V→F0.2AL 250V
FUSE : 120V→F0.5AL 250V, 220V~240V→F0.2AL 250V
9. 직류 전원 공급단자.
직류전원을 공급하기 위한 단자입니다.
1. AUDIO INPUT TERMINAL
This is for input terminal of mixer or pre amplifier.
Be sure not to change " " polarity.
2. AMP INPUT
This terminal for connection of signal input of amplifier.
Be sure not to change " " polarity.
4. AMP OUTPUT
Connect this to output terminal of amplifier.
Be sure not to change "+, -" polarity.
5. SPK LINE
This is a terminal for direct connection of speaker or relay group.
6. STAND-BY AMP INPUT
Connect input of stand by amplifier.
8. STAND-BY AMP OUTPUT
This is a terminal for connection of output signal of stand-by amplifier.
9. DC POWER
This is for battery power, When unexpected AC power failure.
10. AC INLET
This is AC power socket.
3. FD-20 RELAY CONTACT
This is a terminal which is connected to FD-20 of JPA-D or JPA-DP
series. This relay makes change from fault amplifier into stand by
amplifier when relative amplifier is faulty.
Fault LED will be flashed when amplifier fault.
REAR PANEL CONTROLS
7. FD-20 RELAY CONTACT
This is a terminal which is connected to FD-20 of JPA-D, JPA-DP
series.
Fault LED will be flashed when amplifier fult.
How to connect bettery.
out, It should be replaced with same type just
like following table, If it continues to blown out,
Stop replacing fuse and refer servicing to qualified
person.
FUSE : T1AH 250V (55T)
휴즈사양 : T1AH 250V (55T)
IMPORTANT NOTICE : When fuse is blown
자격이 있는 사람이 교체하십시오.
중요사항 : 휴즈를 교체시에는 반드시 규정된 정격 휴즈를
자격이 있는 사람이 휴즈를 교체하십시오.
중요사항 : 휴즈를 교체시에는 반드시 규정된 정격 휴즈를
be replaced with same type just like following table, If it
continues to blown out, Stop replacing fuse and refer
servicing to qualified person.
IMPORTANT NOTICE : When fuse is blown out, It should
GG
GG
GGGGGGGGGGGG
G
DC POWER
24V/0.5A
AC 230V /50Hz 12W
Input-8
AMP-8
SPK Line-8 SPK Line-7 SPK Line-6 SPK Line-5 SPK Line-3 SPK Line-2 SPK Line-1
AMP
STAND-BY AMP-7 AMP-6 AMP-5
Input-7 Input-6 Input-5 Input-3 Input-2 Input-1
Input-4
AMP-4AMP-3 AMP-2 AMP-1
AUDIO
INPUT
SPK Line- 4
To
From
FD-20 Relay
Contact
From
AMP Input
AMP Output
Connect to 100V
or 70V terminal.
To
From
FD-20 Relay
Contact
From
AMP Input
AMP Output
G G G G G G G G
To
SPK Line
Connect to 100V
or 70V terminal.
FAULT STAND-BY AMP SWITCHER
MADE IN KOREA
MODEL.: JFS-
CAUTION
RISK OF ELECTRIC SHOCK
DO NOT OPEN
CAUTION
WARNING:
TO REDUCE THE RISK OF FIRE
OR ELECTRIC SHOCK DON'T EXPOSE THIS
EQUIPMENT TO RAIN OR MOISTURE.
381
SERIAL NO.:
FUSE RATING
F0.2AL 250V