
9
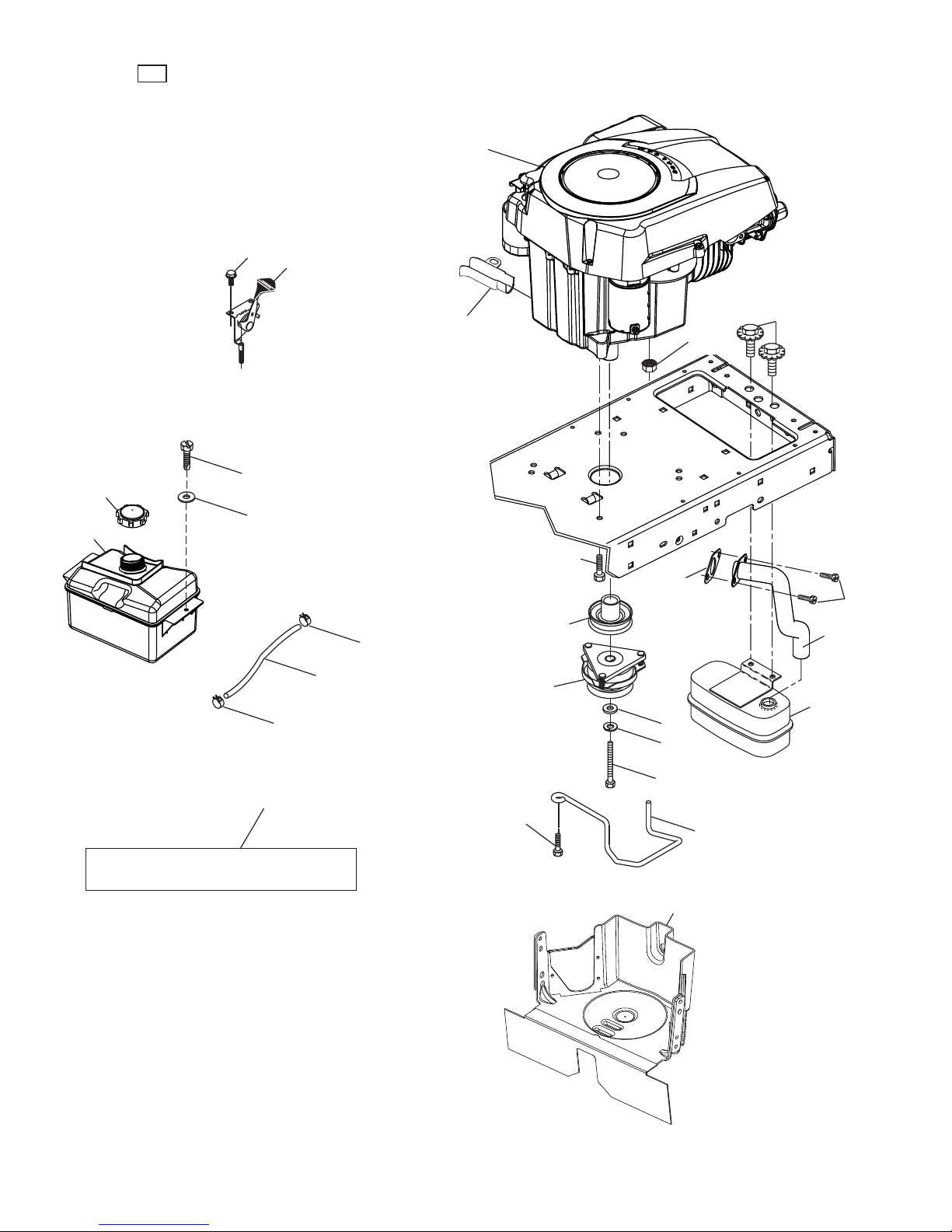
KEY PART
NO. NO. DESCRIPTION
KEY PART
NO. NO. DESCRIPTION
*Parts supplied by manufacturer
NOTE: All component dimensions given in U.S. inches
1 inch = 25.4 mm
1 – – – – – – Transaxle, TUFFTORQ K46DF
(446488)(Order parts from
transxle manufacturer.)
2 532 12 35-83 Key Square
6 532 12 40-28 Bushing
15 819 13 16-16 Washer 13/32 x 1 x 16 Ga.
17 532 43 62-27 Spring, Brake
29 532 43 58-81 Rod, Brake
30 819 13 13-16 Washer 13/32 x 13/16 x 16
33 812 00 00-01 Ring E
35 532 40 10-31 Rod, Brake, Park
37 532 18 89-67 Washer Hardened
38 532 16 96-13 Nyliner Snap-In 5/8
42 532 12 48-72 Cover, Foot Pedal
49 872 11 06-14 Bolt 3/8-16 unc
50 532 19 43-27 Idler Flat
51 873 90 06-00 Lock Nut 3/8-16
52 532 19 43-26 Idler V-Groove
56 532 44 18-34 V-Belt, Drive
61 532 43 77-88 Pulley Transaxle
64 532 19 78-65 Shaft Asm. Pedal Brake Control
73 874 49 05-56 Bolt Flanged
90 532 44 36-05 Keeper Belt Clutching
99 532 44 39-47 Rod Bypass TEX CRD
103 873 35 05-00 Nut
116 873 90 05-00 Nut Lock Hex Flange 5/16-18
125 817 00 05-12 Screw 5/16-18 x 3/4
140 810 04 04-00 Washer Lock Hvy. Helical 1/4
143 817 49 05-08 Screw Thdrol 5/16-18 x 1/2 TYTT
159 876 02 04-12 Pin Cotter 1/8 x 3/4
160 532 16 94-84 Retainer Clip
161 532 10 57-09 Spring, Return, Clutch
163 532 43 66-32 Rod Control Shift Pedal
166 532 42 91-64 Nut Push .625
167 532 40 52-57 Latch Brake Parking
175 532 42 93-59 Shaft Asm. Crosshift
183 532 13 70-57 Spacer Axle
184 532 44 14-07 Handle Parking Brake
185 872 00 06-22 Bolt 3/8-16 unc x 2-3/4
186 532 19 43-21 Spacer Retainer
TRACTOR - - MODEL NO. CTH 174 (96051009200), PRODUCT NO. 960 51 00-92
DRIVE
40
188 532 19 43-23 Link Clutch Ground Drive
189 532 43 36-11 Bellcrank GRND DR CRD
195 580 45 69-01 Bracket Brake Rod
196 532 19 58-04 Link Clutch Anti-Rotation
197 817 00 06-16 Screw
203 819 11 11-16 Washer 11/32 x 11/16 x 16 Ga.
205 532 12 17-48 Washer 25/32 x 1-5/8 16 Ga.
210 532 40 09-80 Rocker Asm. Pedal
211 532 12 01-83 Bearing Nylon
214 532 42 12-63 Pedal Forward Pads
215 532 41 94-82 Pad Pedal Reverse
221 532 40 31-87 Retainer Spring
222 879 21 20-10 Washer 21/32 x 1-1/4
226 532 40 15-64 Bracket Mount Torque
227 817 49 05-12 Screw
279 532 44 42-83 Subasm Link and Stud
280 819 11 10-12 Washer 11/32 x 5/8 x 12 Ga.
309 532 16 55-81 Plate FSTNR Crosshift
311 532 16 98-45 Washer Nylon
312 532 16 56-14 Hub Tapered Round CRD
313 874 78 04-16 Bolt Hex Fin 1/4-20 x 1
314 532 44 47-13 Retainer, Belt
315 817 58 05-20 Screw Thdrol 5/16-18 x 4.25
335 532 19 95-34 Pulley V-Idler GRND DR
319 532 43 67-94 Spacer Transaxle Tex CRD
320 532 18 76-90 Washer Spacer
339 532 43 68-67 Strap Torue K46 CRD Tex
351 532 43 69-98 Bracket 97 CRD Deck Sway
352 532 43 58-19 Bracket Idler
353 532 43 65-77 Bracket Idler RH
355 532 43 56-69 Strap Torque K46 CRD
360 532 44 47-14 Nut
362 532 43 68-12 Idler Flat
364 532 44 30-32 Bracket Idler