
NO-460-024 3 I56-3977-001
PRIMA DELL'INSTALLAZIONE
Le seguenti informazioni intendono fornire una breve guida all'installazione.
Se i moduli saranno installati in un sistema operativo già esistente, comunicare
all'operatore e all'autorità locale che il sistema sarà temporaneamente fuori
servizio. Prima di installare i moduli, scollegare l'alimentazione del pannello di
controllo. Il sistema contiene componenti sensibili all'elettricità statica. Prima
di maneggiare i circuiti, indossare sempre una fascetta da polso antistatica che
respinga le cariche statiche dal corpo. L'armadietto dell'alloggiamento deve
essere di metallo e disporre di un'adeguata messa a terra.
AVVISO: il presente manuale deve essere lasciato a disposizione del propri-
etario/utilizzatore dell'apparecchiatura. Questo manuale si riferisce solo a
installazioni conformi ai requisiti EN54.
DESCRIZIONE GENERALE
Il modulo di controllo a sei relè NFXI-RM6 è stato progettato per l'utilizzo in
sistemi di allarme intelligenti. Ogni modulo è stato progettato per applicazioni
di switching con modulo C che non richiedono la supervisione del cablaggio
del circuito di carico. Ogni modulo è dotato di un unico set isolato di contatti
per relè a secco, in grado di essere cablato in modalità normalmente chiusa
o normalmente aperta a seconda del tipo di operazione. Ogni modulo NFXI-
RM6 è inoltre dotato di indicatori LED di tre colori (verde, rosso e giallo)
controllati dal pannello. A seconda delle istruzioni del pannello, i LED pos-
sono lampeggiare, essere attivati oppure disattivati. Il modulo è inoltre dotato
di disgiuntori di corto circuito per prevenire che eventuali corto circuiti nel
loop del sistema di allarme e di rilevamento di incendi disabilitino più di un
dispositivo nel loop intelligente.
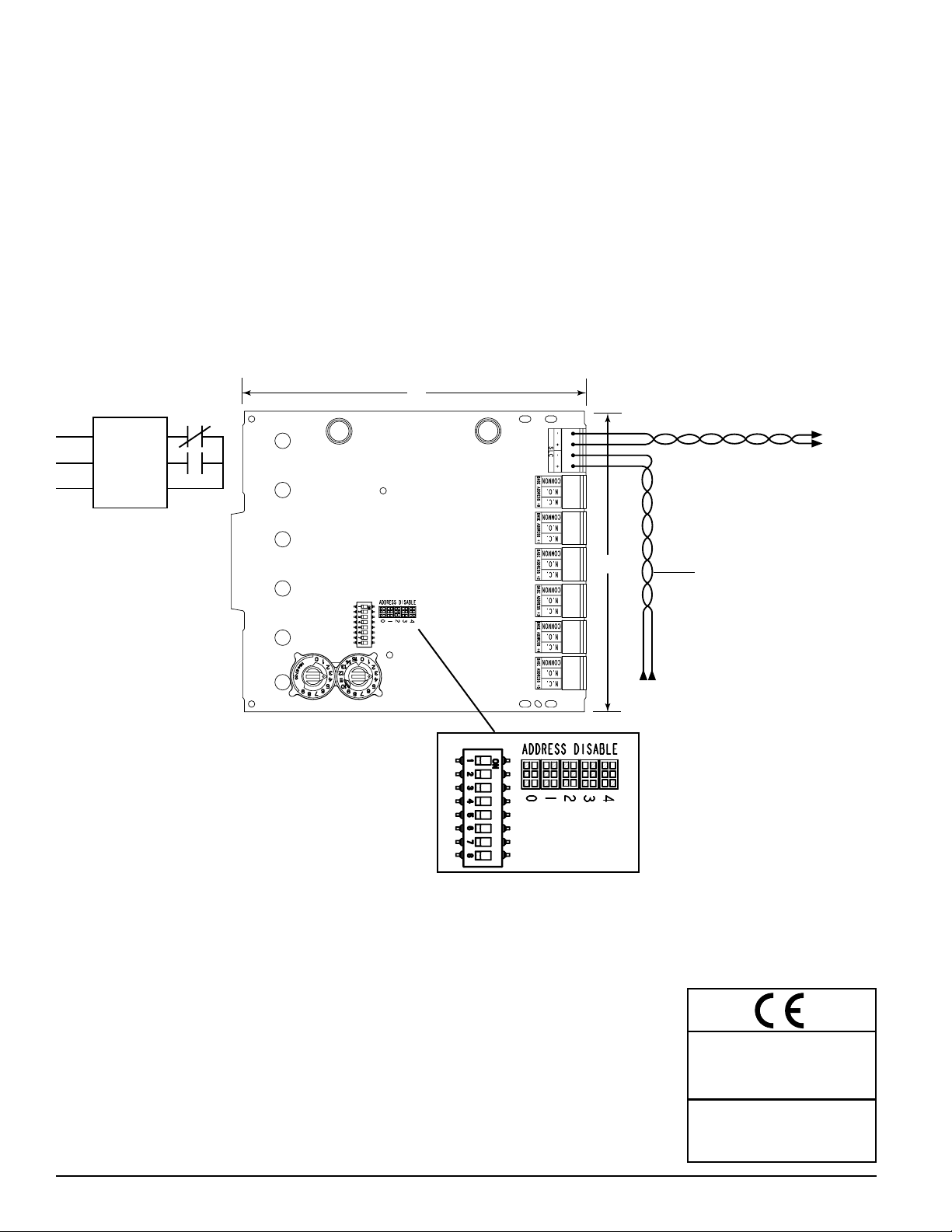
INDIRIZZI
Nei sistemi che utilizzano CLIP (Protocollo intelligente loop di comunicazi-
one), per impostare l'indirizzo del primo modulo su un valore compreso tra
01 e 94 viene utilizzata una coppia di switch con codice a rotazione. Ai mod-
uli restanti vengono assegnati automaticamente i cinque indirizzi successivi
superiori. La disabilitazione di un massimo di quattro moduli non utilizzati
è regolata da particolari disposizioni che consentono di riutilizzare altrove
questi indirizzi.
Nei sistemi che utilizzano il protocollo avanzato, per impostare l'indirizzo
del modulo su un valore compreso tra 01 e 159 viene utilizzata una coppia di
switch con codice a rotazione. Per l'intero modulo multiplo viene utilizzato
un solo indirizzo con indirizzi secondari che completano gli indirizzi restanti.
NFXI-RM6
Modulo di controllo a sei relè
SPECIFICHE
Tensione normale di esercizio: 15-29 VDC
Corrente di riserva: 1,45 mA
Corrente di allarme: 32 mA (a condizione che tutti e sei i relè siano stati attivati una volta e che tutti e sei i LED siano accesi)
Intervallo di temperatura: da -10° a 55°
Umidità: dal 10% al 93% (senza condensa)
Dimensioni: 17,3 cm (altezza) x 14,7 cm (larghezza) x 3,2 cm (profondità)
Resistenza massima cablaggio IDC: 40 ohm
Accessori: Armadietto metallico dotato di un'adeguata messa a terra
Diametro dei fili: 0,8 mm2- 3,25 mm2
Corrente del relè: 30 mA/Impulso relè (durata dell'impulso 15,6 mS) impulso controllato dal pannello
ISTRUZIONI DI INSTALLAZIONE E MANUTENZIONE
LA CONFEZIONE CONTIENE:
REQUISITI DI COMPATIBILITÀ
Per assicurare il corretto funzionamento, questo modulo deve essere collegato
unicamente a un pannello di controllo compatibile.
Il modulo deve essere montato all’ interno di un contenitore metallico col-
legato a massa idoneo all ’applicazione, per rispettare i requisiti di compati-
bilità elettromagnetica. L’etichetta della marcatura CE conferma la conformità
con la direttiva sui prodotti da costruzione e deve essere applicata alla
scatola del modulo solo al termine dell’installazione del modulo all’interno
di essa. L’etichetta deve essere applicata in una posizione visibile durante
l’installazione e accessibile durante la manutenzione. L’etichetta non deve es-
sere apposta su viti o altre parti facilmente rimovibili.
(2) Distanziali da 3,2 cm
(4) Viti
(6) 1 x 3 morsettiere
(1) 1 x 4 morsettiere
(2) Dadi
I56-3977-001
DATI DEI CONTATTI RELÈ:
POTENZA NOMINALE CORRENTE TENSIONE MASSIMA DESCRIZIONE DEL CARICO APPLICAZIONE
2 A 25 VAC PF = 0,35 Non codificato
3 A 30 VDC Resistivo Non codificato
2 A 30 VDC Resistivo Codificato
0,46 A 30 VDC (L/R = 20 ms) Non codificato
0,7 A 70,7 VAC PF = 0,35 Non codificato
0,9 A 125 VDC Resistivo Non codificato
0,5 A 125 VAC PF = 0,75 Non codificato
0,3 A 125 VAC PF = 0,35 Non codificato
Notifier by Honeywell.
Charles Avenue Burgess Hill
West Sussex RH15 9UF UK