HITROL HTM-930 Manuel utilisateur
Autres manuels HITROL Changer

HITROL
HITROL HM-95 Series Manuel utilisateur

HITROL
HITROL HTM-30N-Ex Manuel utilisateur

HITROL
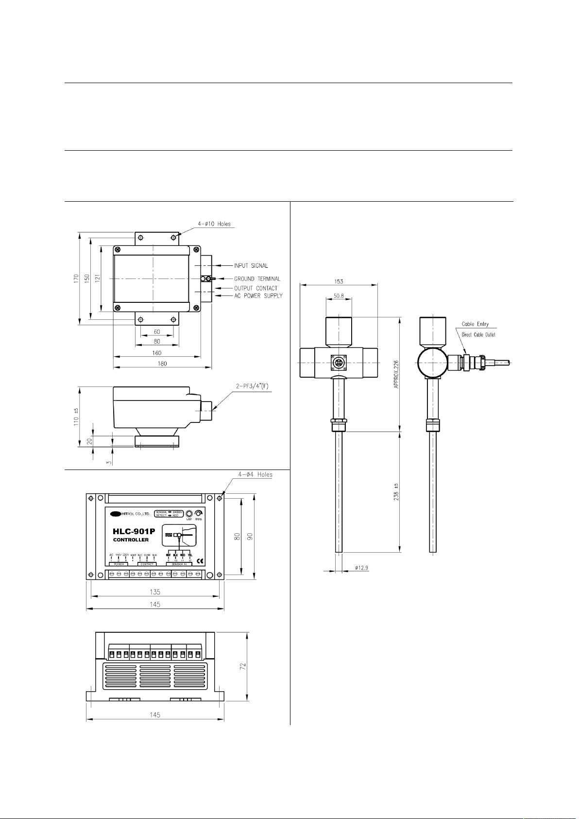
HITROL HLC-901 Series Manuel utilisateur

HITROL
HITROL HCC-95P Series Manuel utilisateur

HITROL
HITROL HCC-96RF-R Series Manuel utilisateur

HITROL
HITROL HTM-20N Series Manuel utilisateur

HITROL
HITROL HQ Series Manuel utilisateur

HITROL
HITROL HLC-901N Series Manuel utilisateur

HITROL
HITROL HM-90S Series Manuel utilisateur

HITROL
HITROL HTM (HPV)-20N Series Manuel utilisateur

HITROL
HITROL HM-95 Series Manuel utilisateur

HITROL
HITROL HTM-30N Series Manuel utilisateur

HITROL
HITROL HCC-95P Series Manuel utilisateur

HITROL
HITROL HM-90-Ex Series Manuel utilisateur

HITROL
HITROL HR-10 Series Manuel utilisateur

HITROL
HITROL HR-30 Manuel utilisateur

HITROL
HITROL HTML-S Manuel utilisateur

HITROL
HITROL HNV-970 Series Manuel utilisateur

HITROL
HITROL HCC-95P Series Manuel utilisateur

HITROL
HITROL HTM-20N Series Manuel utilisateur



























