HBOC-C and HBOR-C_Instruction manual_001-EN 5 / 15
Oil cycle period is as default set to 60 seconds and the length can be changed if a frequent oil feed is
needed.
Oil valve opening time. This valve must be specified so that the oil feed capacity is larger than the
consumption, but not too large. The standard value is 10 seconds, but the value must reflect the size
of valve and oil consumption which means the value must be set based on calculations or experience.
The opening time should be adjusted so it secures the sump is filled in between 1 and 5 cycles.
The Alarm counter is used to detect failures in the system like lack of oil, high consumption etc. and it
detect when an abnormal high number of oil cycles have not been able to fill the oil sump to the
required level. The standard number is 30 cycles, but the value depends on the other settings.
Filter time calculate an average over time and makes the output more stable. 5-10 seconds is a good
starting point.
The complete controlling system can either operate all the time or the system can be put on standby
when the system is stopped or paused. This is done via the run-in signal. If set to off the switch will
operate constantly. If put to on the controller will only work when 10-24 V is applied to pin 5.
Separator mode
For installations in a suction accumulator, oil separator or similar applications, where the oil level is
increased over time.
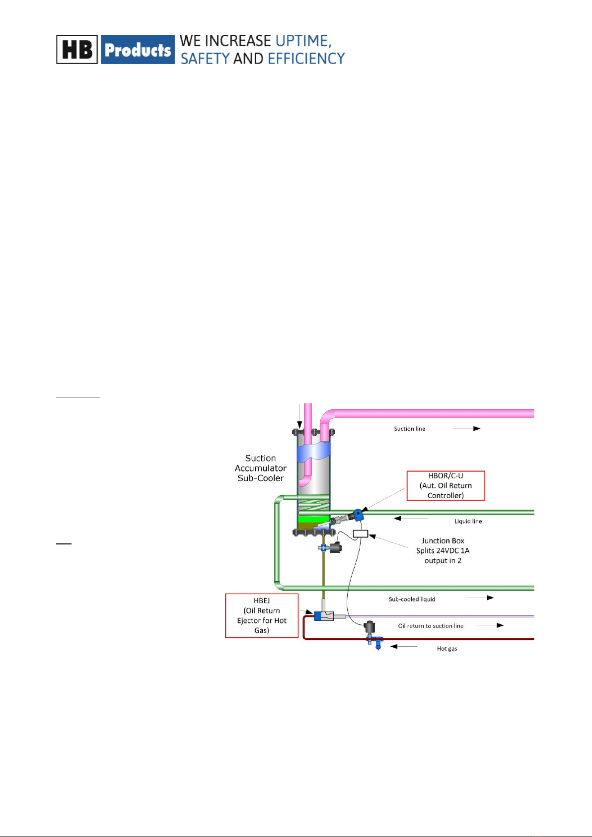
In the picture an application for oil
return in liquid ammonia with a
HBOR is shown in combination with
an ejector for oil control.
In an oil pot where oil and gas is
present the HBOC will be used as it
measures oil in gas.
The switch will be passive if it does
not detect oil.
The switch will detect oil if the level
is above the trigger point and keep
detecting until the level is below
the hysteresis. The hysteresis is a
lag built into the switch to make
the detection more stable.
When the measured level is above
the hysteresis point, the switch stats to operate.
The operation starts with a delay called sensor dwell.
Then the oil cycle period starts, and the switch measures the level. If it is above hysteresis level it will
open the inlet valve for a period.