
3-90-70742R11_05/13
Wiring and Electrical
Setting The Aquastat
Optional Items
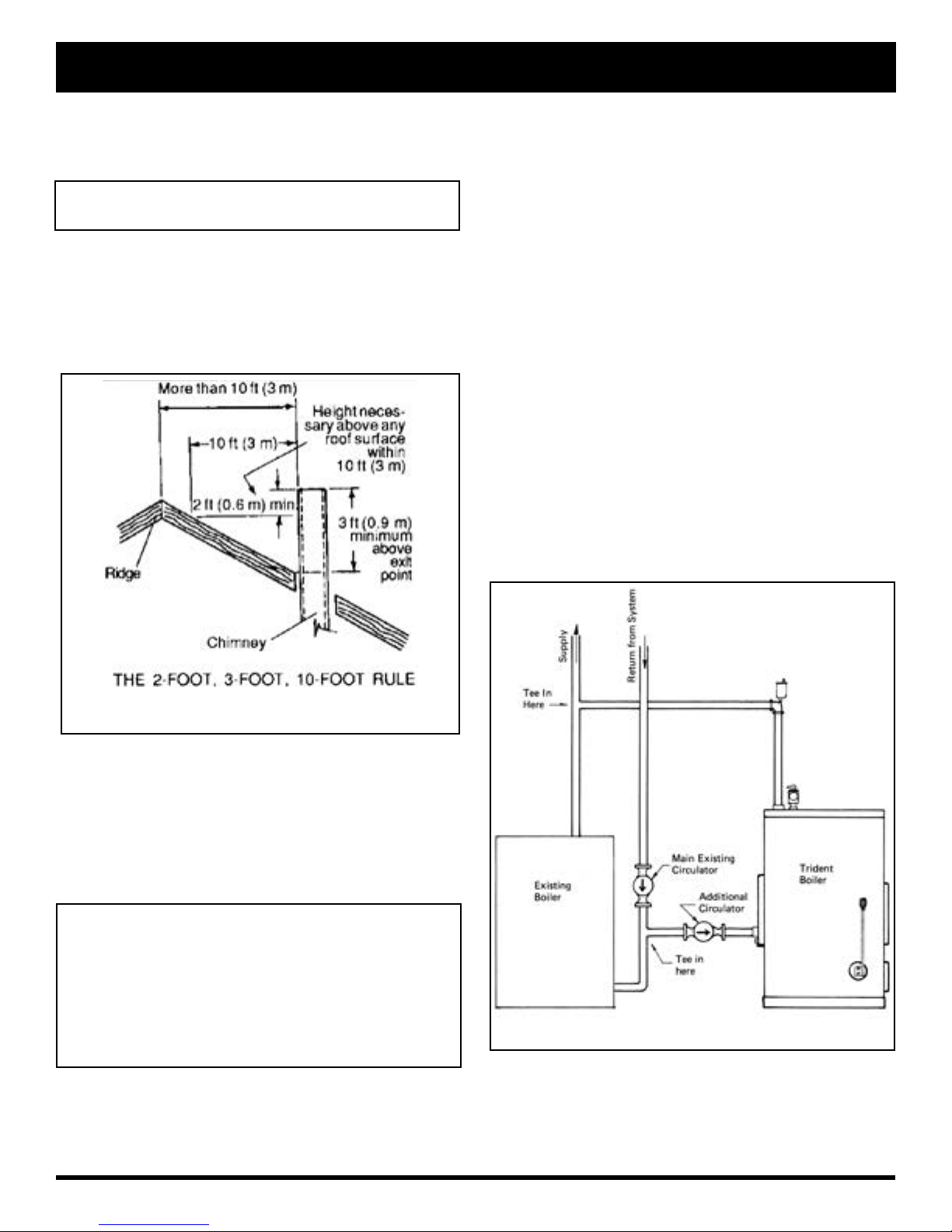
Venting
Installation
FIG. 4