400mm VoIP Help Point, 48V VoIP. 9
5.
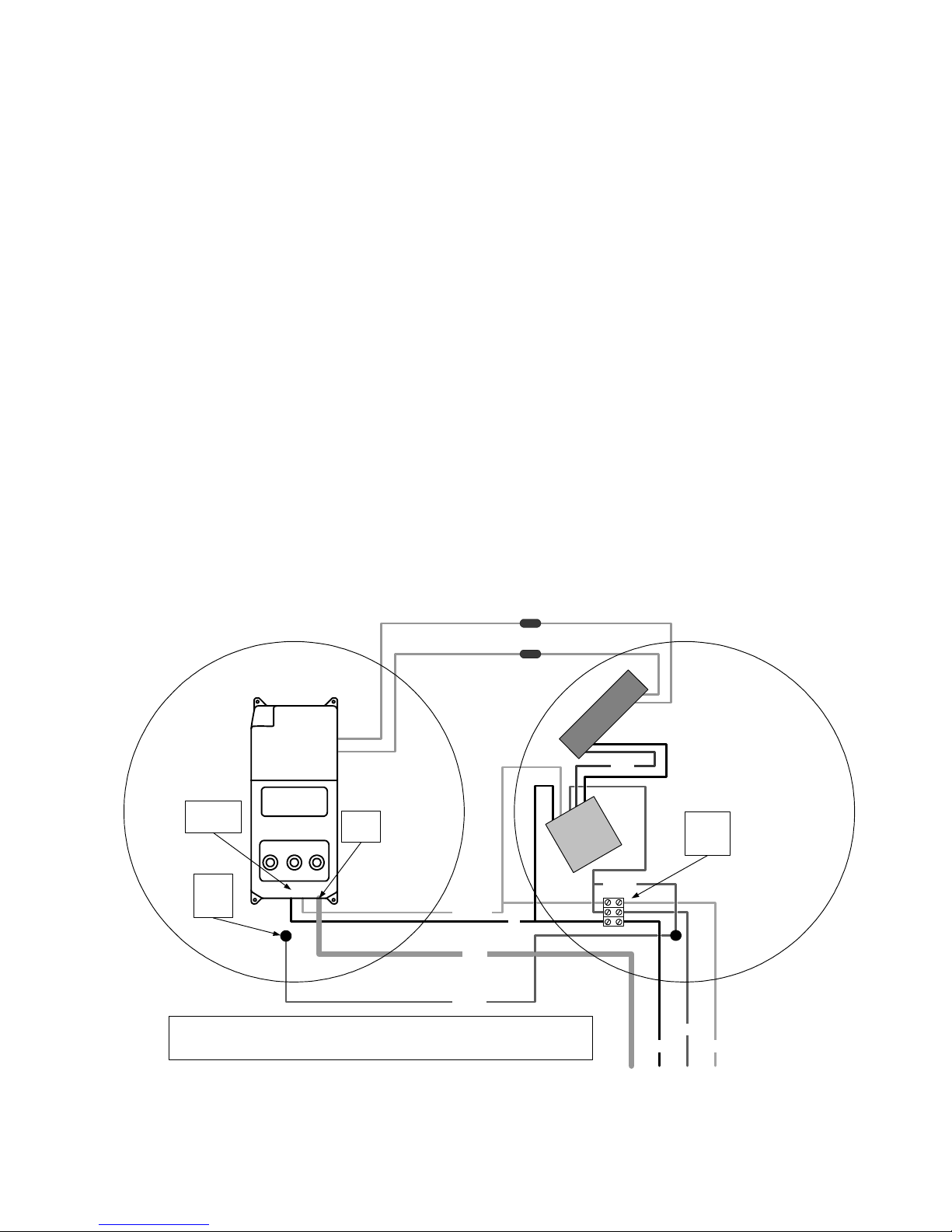
Connections
5.1.
DC Power connections
Connect a 48V DC power supply to the terminal block as shown
on the connection label.
If a 48V power supply is not available, GAI-Tronics can supply a
suitable unit, see spare parts (section 8).
One power supply cannot supply more than one PHP400 - a
separate, isolated supply must be provided for each unit..
Cabling from the 48V supply to each PHP400 must be sufficient
to provide the required current (2A) without causing a significant
voltage drop over the required distance.
The fuse must always be replaced by the correct type, ie 3.15A
T (20x5mm).
5.2.
IMPORTANT SAFETY INFORMATION
Please pay particular attention to the following points if hazardous voltages (>48V) are
to be connected to either of the control outputs:
The circuits that the relay contacts are connected to must be of the same type, i.e. Both
mains, both SELV or both TNV. It is not permissible to mix the types of circuit
connected to these relays.
It is acceptable to connect mains circuits in the frequency range 45 to 65 Hz to these
relays.
For currents up to 3 Amps, the minimum conductor cross sectional area must be 0.75
mm
2
(19awg) for flexible cords, or 1mm
2
(18awg) for other cables. For currents up to 10
Amps, the minimum conductor cross sectional area must be 1 mm
2
(18awg) for flexible
cords, or 1.5mm
2
(16awg) for other cables.
Circuits connected to these relays must be protected against over-current and short
circuit by a suitable method, for example a fuse or circuit breaker rated at less than or
equal to the relay contact rating.
The use of an isolated supply or an RCD is recommended for these circuits.
Cables or cords used must be insulated and and have an overall insulated outer sheath
covering both conductors. They must be appropriately rated and certified. Examples of
suitable ratings for PVC cords are IEC 60227 designation H05 VV-F or H05 VV-F2, or
for rubber insulated cords, IEC 60245 designation H05 RR-F
Always ensure that sufficient clearance is maintained between hazardous
voltages and any accessible conductive parts.