
INSTALLATION MANUAL EN
TECHNICAL SPECIFICATIONS
Input voltage: 12–24Vdc
Output voltage: 12–24Vdc
Maximum applicable load: 30W (with 12Vdc power supply)
60W (with 24Vdc power supply)
WARNINGS
Safety is guaranteed if these instructions are followed and therefore
they must be kept. Installation may require qualified personnel to be
involved. Before proceeding with installation of the device ensure that
the environmental conditions are in compliance with and suitable for
the product characteristics. Before any operation on the device remove
mains power.
TOUCH ME FW is a multifunction electronic switch which allows LED
devices that operate at 12Vdc or 24Vdc to be controlled.
INSTALLATION:
- TOUCH ME FW is a device for flush mount installation either on a pass-
through hole or on a closed-end hole in wood panels.
- TOUCH ME FW can be installed with the cables in an axial or radial
position with respect to the installation surface. For installations with
the cables in an axial position bore a ø ≥9mm hole as illustrated in the
example shown in figure 1. For installations with the power cable in an
radial position bore a ø ≥9mm hole on the installation surface as
illustrated in the example shown in figure 2. In the event of a specific
requirement a power cable exit hole can nevertheless be bored in
other positions as long as it does not compromise the integrity of the
cable and/or the connector installed on it.
- Bore a ø 30mm hole ≥9mm deep on the installation surface as
illustrated in figure 3 and, if necessary, bore a ø ≥9mm exit hole for
the power supply cable.
- Insert the cables (A) into the hole as illustrated in figure 4 and then
install the device applying light pressure until it is completely fitted.
- Connect the TOUCH ME FW only to a safe power supply with 12Vdc or
24 Vdc stabilised voltage (sold separately) and with power at least 10%
higher than the total load. For the total load calculation check the
plate data printed on the product label.
- For connection to a 12Vdc power supply (figure 5) insert the
TOUCH ME FW input cable (IN) connector (B) to one of the free slots
on the distributor (C) on the secondary cable of the Converter; then
connect the TOUCH ME FW output cable (OUT) connector (D) to the
MiniPlug (F) distributor cable connector (E) which has 12 slots for the
connection of 12Vdc LED lighting devices.
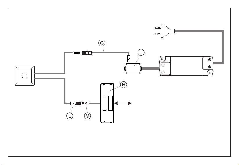
- For connection to a 24Vdc power supply (figure 6) an adaptor cable (G)
and the Micro24 (H) distributor provided in the package must be used.
Connect the TOUCH ME FW input cable (IN) connector to the adaptor
cable (G) and then to one of the free slots on the distributor (I) on the
secondary cable of the power supply; then connect the TOUCH ME FW
output cable (OUT) connector (L) to the Micro24 (H) distributor cable
connector (M) which has 10 slots for the connection of 24Vdc LED
lighting devices.
- DOMUS Line guarantees the product only if powered with a Converter
supplied by us.
HOW THE TOUCH ME FW WORKS
- AUTO ON and AUTO TEST Function. TOUCH ME FW has an automatic
on feature (AUTO ON) for the devices connected to it which activates
when the device is powered; simultaneously the TOUCH ME FW